EasyManua.ls Logo

Philips 32PFL7623D/10 - LED Back UPEC Panel: LED Drive (AL1)

Philips 32PFL7623D/10
206 pages
Print Icon
To Next Page IconTo Next Page
To Next Page IconTo Next Page
To Previous Page IconTo Previous Page
To Previous Page IconTo Previous Page
Loading...
68Q529.1E LA 7.
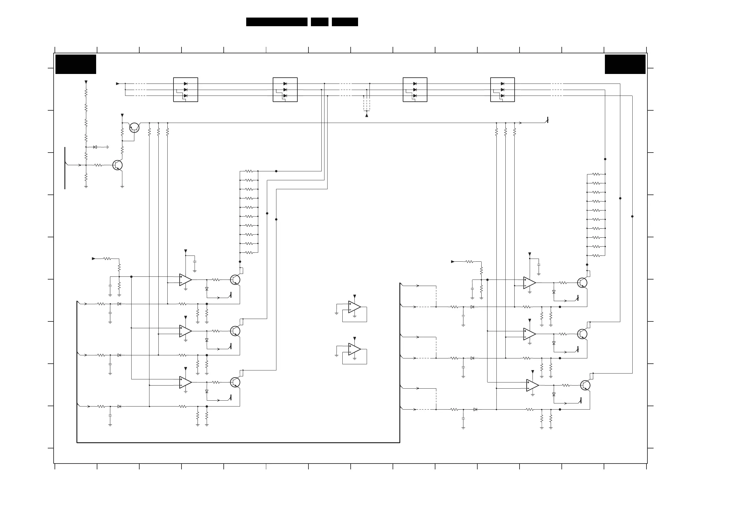
Circuit Diagrams and PWB Layouts
6 LED Back UPEC Panel: LED Drive
GREEN
RED
BLUE
RAP
GREEN
RED
BLUE
RAP
GREEN
RED
BLUE
RAP
GREEN
RED
BLUE
RAP
F058 E11
F059 F12
F060 G12
F061 I12
7067-3 H4
7067-4 F8
7072 F13
7073 G13
7074 H13
7075-1 E12
7075-2 G12
9016 A7
9017 A3
3196 I12
6000 B1
6004 F2
6006 G2
6008 H2
6016 F10
9018 A3
9019 A3
9020 A12
9021 A12
9022 A12
F037 E2
F050 C6
F052 D6
F053 F4
F054 D6
F055 G4
F056 E5
F057 H4
7011 B2
7064 F5
F070 C13
F072 D14
F074 D14
F076 E13
7067-2 G4
3137 E5
3138 E5
3140 F4
3141 F4
3142 H4
3143 H4
3144 I4
7075-3 H12
7075-4 G8
9001 A8
9002 F10
9003 F9
9004 A7
9005 G10
9007 G9
9008 H10
9009 I9
9010 A7
9011 A8
9013 A8
3194 H12
3195 I12
6018 G10
6020 I10
6021 F4
6022 G4
6023 H4
6024 F12
6025 G12
6026 H12
7003 A4
7004 A6
7005 A9
7006 A11
7010 C2
3059 E13
3129 C5
3130 C5
7065 G5
7066 H5
7067-1 E4
3136 D5
3009 A1
3021 B3
3022 B3
3023 B3
3024 B11
3025 B11
3026 B11
3145 I4
3148 F13
3150 G13
3151 I10
3152 I12
3153 H13
3160 F10
3161 F12
3163 G10
3164 G12
3191 F12
3192 F12
3193 H12
3046 G4
3047 H4
LED DRIVE
A
B
C
3050 C13
3051 C13
3052 C13
3053 D13
3054 D13
3055 D13
3056 D13
3057 E13
3058 E13
H
I
3001 C1
3131 C5
3132 D5
3133 D5
3134 D5
3135 D5
3008 B1
13
3030 E2
3032 E10
3033 E2
3035 E11
3036 F2
3038 F11
3039 H2
3040 F2
3041 F4
3042 E4
3043 G2
3044 G4
3045 H4
13 14
D
E
F
G
H
I
A
B
C
D
E
F
G
11 12
3002 B2
3003 B2
3005 C1
3006 C2
3007 B1
14
123 45678 9101112
2038 E12
3000 A1
123 45678 910
2001 F2
3
2
1
411
2003 F10
2005 I10
2007 F2
2009 F10
2010 H2
2012 H10
2013 I2
2036 E4
LM2902P
7075-1
3131
180R
2038
100n
F074
F076
F052
180R
3138
180R
3051
3052
180R
10
9
8
411
LM2902P
7067-3
220K
3022
3050
180R
1K0
3042
3194
4R99
F059
3023
220K
+16V
10K
3043
3
2
1
411
+24VF
LM2902P
7067-1
F061
F053
6R81
3196
9019 1
4
3
5
7
22
7005
UE-HP660XAB-16T
661
4
3
5
7
UE-HP660XAB-16T
7004
3045
8K2
6020
BAS316
5
6
7
411
1
4
3
5
7
2
7067-2
LM2902P
7003
UE-HP660XAB-16T
6
LM2902P
7067-4
12
13 14
411
6004
BAS316
8K2
3152
10K
411
+24VF
3040
7075-2
LM2902P
5
6
7
3007
820R
3009
820R
+24VF
3006
47K
100n
2003
3195
6R81
3140
6R81
9021
3058
180R
+24VF
F054
F070
7073
BCP56
9022
F055
F056
BCP56
7064
10K
3039
BAS316
6026
3035
1R0
9016
6025
BAS316
100p
2009
3160
10K
6R81
3141
180R
3053
F072
1K0
3150
9007
9003
7010
BC847BW
3134
9001
180R
3151
10K
BAS316
6018
2012
100p
7065
BCP56
2K7
100p
2005
3005 3008
820R
1K0
3148
3032
56K
+3V3
BCP56
7072
180R
3057
F060
3054
180R
8K2
3164
+24VF
+24VF
BZX384-C5V6
6000
F037
F050
BCP56
7074
+16V
BAS316
6024
220K
3026
100p
2007
3046
1K0
4R99
3142
9011
3056
180R
2036
100n
F058
90059008 9002
+24VF
9009
9004
3041
8K2
3135
180R
180R
3055
3193
9018
+24VF
4R99
3163
10K
6016
BAS316
9020
3036
10K
6008
BAS316
100p
2013
3137
180R
180R
3136
9
8
411
+24VF
LM2902P
7075-3
10
180R
3132
+3V3
3133
180R
11
LM2902P
7075-4
12
13 14
4
3047
3161
8K2
1K0
BCP56
7066
180R
3059
180R
3130
BC857BW
7011
3002
22K10K
3003
3000
820R
+24VF
2001
3044
100n
10K
8K2
3038
6R81
3145
3144
6R81
9013
3001
3K9
F057
180R
3129
BAS316
6006
3025
220K
3021
220K
9017
220K
3024
3030
56K
9010
3
5
7
2
3033
1R0
7006
UE-HP660XAB-16T
61
4
2010
100p
6R81
3192
1K0
3153
6021
BAS316
6023
BAS316 BAS316
6022
3143
4R99
3191
6R81
PWM1_B
PWM2_R
PWM2_B
PWM2_G
DISABLE_DRV
ENABLE
PWM1_R
PWM1_G
GREENOUT61
REDOUT61
BLUEOUT61
PWM1_B
PWM1_R
CFB
CFB
CFB
CFB
CFB
CFB
BLUEOUT6
GREENOUT6
PWM1_G
REDOUT6
BLUE6
GREEN6
RED6
3139 123 6243.5
I_17660_066.eps
120308
AL1
AL1

Table of Contents

Related product manuals