EasyManua.ls Logo

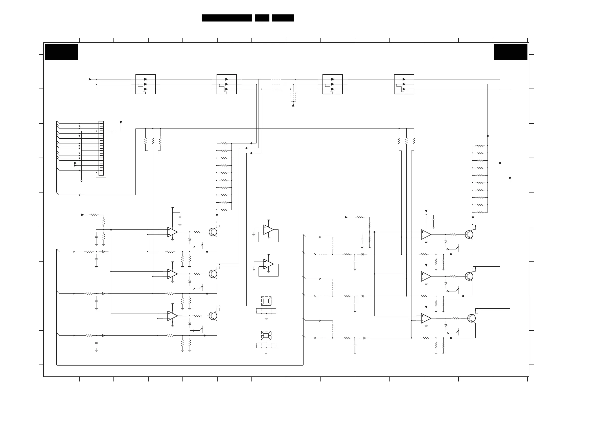
Philips 32PFL7623D/10 - LED Back UPEC Panel: LED Drive

Philips 32PFL7623D/10
206 pages
Print Icon
To Next Page IconTo Next Page
To Next Page IconTo Next Page
To Previous Page IconTo Previous Page
To Previous Page IconTo Previous Page
Loading...
Circuit Diagrams and PWB Layouts
75Q529.1E LA 7.
8 LED Back UPEC Panel: LED Drive
GREEN
RED
BLUE
RAP
GREEN
RED
BLUE
RAP
GREEN
RED
BLUE
RAP
GREEN
RED
BLUE
RAP
9250 C2
9251 C2
F180 F2
F181 F5
F191 F12
7275-3 H12
7275-4 F7
9015 B8
9201 B8
9202 F9
9203 F9
9204 A7
F192 G13
F193 I12
F194 E13
F195 C13
F196 D14
F197 D14
9216 A7
LED DRIVE UPEC
6216 F10
6218 G10
6220 I10
6221 F5
6222 G5
6223 H5
6224 F12
F182 G5
F183 I5
F184 E5
F185 C6
F186 C6
F187 C6
F190 F10
7264 F6
7265 G6
7266 H6
7267-1 F4
7267-2 G4
7267-3 H4
7267-4 E7
7272 F13
7273 G13
7274 H13
7275-1 F12
7275-2 G12
3344 I4
3345 I5
3348 F12
3350 G12
3351 I9
3352 I12
3353 H12
9205 G9
9207 G9
9208 H9
9209 I9
9210 A7
9211 B8
3393 H12
3394 H12
3395 I12
3396 I12
6204 F2
6206 G2
6208 I2
3250 C13
3251 C13
3252 D13
3
253 D13
3254 D13
3255 D13
3256 D13
6225 G12
6226 H12
7001 A3
7002 A5
7007 A9
7008 A11
3332 D6
3333 D6
3334 D6
3335 D6
3336 E6
3337 E6
3338 E6
3340 F4
3341 F5
3342 H4
3343 H5
2236 E4
2238 E12
3221 C3
3222 C4
3223 C4
3224 C11
3225 C11
3360 F9
3361 F11
3363 G9
3364 G11
3391 G12
3392 G12
3238 F10
3239 I2
3240 F2
3241 F4
3242 F5
3243 G2
3244 G4
3245 I4
3246 G5
3247 H5
H
I
3257 E13
3258 E13
3259 E13
3329 C6
3330 C6
3331 D6
1X04 H7
2006 F10
2008 I9
2011 G9
2014 H9
2015 I2
2201 F2
2207 F2
2210 H2
A
3226 C11
3230 E2
3232 E10
3233 E2
3235 E10
3236 F2
2 3 45678
A
B
C
D
E
F
B
C
D
E
F
G
1
G
H
I
1M85 B2
1X03 G7
9 10111213 14
3345
F182
6R81
6R81
3344
BCP56
7273
6
7
8
9
2122
16
17
18
19
2
20
3
4
5
1
10
11
12
13
14
15
9208
1M85
180R
3254
LM2902P
7267-2
5
6
7
411
8K2
3352
10K
3351
3353
1K0
180R
3256
+16V
F192
3330
F190
180R
180R
3331
3332
180R
180R
3333
180R
F194
3329
+24VF
F197
180R
3335
3336
180R
3239
10K
3247
1K0
7266
BCP56
BAS316
6221
F191
61
4 3
5
7
2
UE-HP660XAB-16T
7007
2008
100p
3348
1K0
7272
BCP56
100n
2006
100n
2238
180R
3250
9203
+24VF
6226
BAS316 BAS316
6225 6224
BAS316
+24VF
BCP56
6R81
3395
7274
3334
180R
92519250
10K
F187
3243
1K0
3246
BCP56
7265
+16V_24VF_8
+24VF_16V_8
56K
3230
+3V3
3236
3
2
1
411
10K
7267-1
LM2902P
56K
3232
10K
3238
7275-1
LM2902P
3
2
1
411
1R0
3233
10K
3240
3242
1K0
2201
100n
+24VF
9205
9207
9209
100n
2236
+24VF
F196
F185
+16V
180R
3337
6222
BAS316
6223
BAS316
7264
BCP56
+24VF
3396
F183
6R81
9211
F193
+3V3
9202
4R99
3343
3235
F181
1R0
6218
BAS316
100p
2014
10K
3363
3255
180R
2011
100p
4 3
5
7
2
UE-HP660XAB-16T
7002
6 1 9216
9210
6208
BAS316
180R
180R
3252
3251
3253
180R
F186
9015
BAS316
6216
9201
3257
180R
180R
3258
3259
180R
3338
180R
13 14
411
+24VF
11
7267-4
LM2902P
12
7267-3
LM2902P
10
9
8
4
6R81
3341
+3V3
8K2
3361
6R81
3391
11
F195
5
6
7
4
12
13 14
411
LM2902P
7275-2
10
9
8
411
7275-4
LM2902P
7275-3
LM2902P
3392
6R81
+24VF
10K
3360
4R99
3394
3393
4R99
8K2
3364
220K
3226
3225
220K
220K
3224
3223
220K
220K
3222
3221
220K
61
4 3
5
7
2
UE-HP660XAB-16T
7008
EMC HOLE
1X04
BAS316
3342
4R99
6220
8K2
3244
2210
6206
BAS316
100p
1K0
3350
8K2
3241
BAS316
6204
2207
100p
9204
3340
6R81
1X03
EMC HOLE
2015
100p
61
4 3
5
7
2
UE-HP660XAB-16T
7001
F180
8K2
3245
DISABLE_DRV
F184
CFB
CFB
CFB
CFB
PWM1_R
PWM1_G
PWM1_B
PWM3_8_R
PWM5_8_G
PWM5_8_B
SEL
SCL
SDA
ENABLE
PWM3_8_G
CFB_8
PWM3_8_B
PWM4_8_R
PWM4_8_G
PWM4_8_B
PWM5_8_R
PWM3_G
PWM3_B
PWM2_R
PWM2_G
PWM2_B
PWM3_R
CFB
CFB
3139 123 6252.6
I_17660_074.eps
120308
AL4
AL4

Table of Contents

Related product manuals