EasyManua.ls Logo

Philips 32PFL7623D/10 - LED Back UPEC Panel: LED Drive (AL1)

Philips 32PFL7623D/10
206 pages
Print Icon
To Next Page IconTo Next Page
To Next Page IconTo Next Page
To Previous Page IconTo Previous Page
To Previous Page IconTo Previous Page
Loading...
72Q529.1E LA 7.
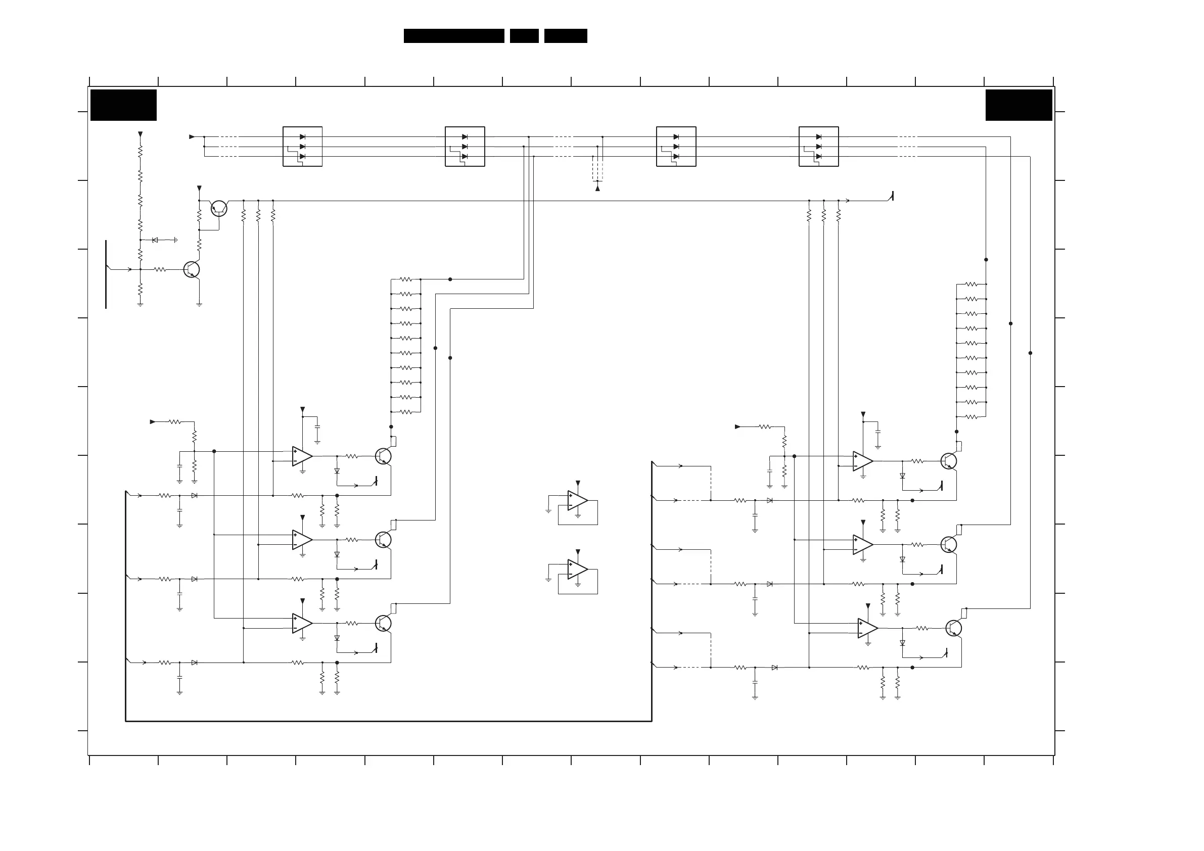
Circuit Diagrams and PWB Layouts
8 LED Back UPEC Panel: LED Drive
GREEN
RED
BLUE
RAP
GREEN
RED
BLUE
RAP
GREEN
RED
BLUE
RAP
GREEN
RED
BLUE
RAP
2013 I2
2036 E4
123 45678 910
2001 F2
2003 F10
2005 I10
2007 F2
2009 F10
2010 H2
2012 H10
14
123 45678 9101112
2038 E12
3000 A1
D
E
F
G
H
I
A
B
C
D
E
F
G
11 12
3002 B2
3003 B2
3005 C1
3006 C2
3007 B1
13
3030 E2
3032 E10
3033 E2
3035 E11
3036 F2
3038 F11
3039 H2
3040 F2
3041 F4
3042 E4
3043 G2
3044 G4
3045 H4
13 14
C
3050 C13
3051 C13
3052 C13
3053 D13
3054 D13
3055 D13
3056 D13
3057 E13
3058 E13
H
I
3001 C1
3131 C5
3132 D5
3133 D5
3134 D5
3135 D5
3008 B1
3026 B11
3145 I4
3148 F13
3150 G13
3151 I10
3152 I12
3153 H13
3160 F10
3161 F12
3163 G10
3164 G12
3191 F12
3192 F12
3193 H12
3046 G4
3047 H4
A
B
6018 G10
6020 I10
6021 F4
6022 G4
6023 H4
6024 F12
6025 G12
6026 H12
7003 A4
7004 A6
7005 A9
7006 A11
7010 C2
3059 E13
3129 C5
3130 C5
7065 G5
7066 H5
7067-1 E4
3136 D5
3009 A1
3021 B3
3022 B3
3023 B3
3024 B11
3025 B11
3144 I4
7075-3 H12
7075-4 G8
9001 A8
9002 F10
9003 F9
9004 A7
9005 G10
9007 G9
9008 H10
9009 I9
9010 A7
9011 A8
9013 A8
3194 H12
3195 I12
6016 F10
9018 A3
9019 A3
9020 A12
9021 A12
9022 A12
F037 E2
F050 C6
F052 D6
F053 F4
F054 D6
F055 G4
F056 E5
F057 H4
7011 B2
7064 F5
F070 C13
F072 D14
F074 D14
F076 E13
7067-2 G4
3137 E5
3138 E5
3140 F4
3141 F4
3142 H4
3143 H4
7075-2 G12
9016 A7
9017 A3
3196 I12
6000 B1
6004 F2
6006 G2
6008 H2
8K2
F058 E11
F059 F12
F060 G12
F061 I12
7067-3 H4
7067-4 F8
7072 F13
7073 G13
7074 H13
7075-1 E12
3044
10K
3038
3145
6R81
6R81
3144
9013
F057
3K9
3001
180R
3129
6006
BAS316
3025
220K
220K
3021
9017
3024
220K
56K
3030
9010 5
7
2
1R0
3033
61
4
3
UE-HP660XAB-16T
7006
100p
2010
3192
6R81
3153
1K0
BAS316
6021
BAS316
6023 6022
BAS316
4R99
3143
3191
6R81
BAS316
6008
2013
100p
180R
3137
3136
180R
10
9
8
411
+24VF
+3V3
7075-3
LM2902P
3132
180R
180R
3133
13 14
411
7075-4
LM2902P
12
3047
1K0
8K2
3161
7066
BCP56
3059
180R
3130
180R
7011
BC857BW
22K
30023003
10K
820R
3000
+24VF
2001
100n
9011
180R
3056
100n
2036
9005
F058
9008 9002
+24VF
9009
9004
8K2
3041
180R
3135
3055
180R
3193
4R99
+24VF
9018
3163
10K
BAS316
6016
9020
3005
10K
3036
2K7 820R
3008
3148
1K0
+3V3
56K
3032
7072
BCP56
3057
180R
F060
3054
3164
8K2
180R
+24VF
6000
BZX384-C5V6
+24VF
F037
F050
7074
BCP56
+16V
6024
BAS316
3026
220K
2007
100p
1K0
3046
3142
4R99
9016
BAS316
6025
2009
100p
3160
3141
6R81
10K
3053
180R
F072
1K0
3150
9003
9007
BC847BW
7010
3134
180R
9001
10K
3151
6018
BAS316
100p
2012
BCP56
7065
2005
100p
820R
3007
820R
3009
47K
3006
+24VF
2003
100n
3195
6R81
6R81
3140
9021
180R
3058
+24VF
F054
F070
BCP56
7073
9022
F055
7064
BCP56
F056
10K
3039
6026
BAS316
1R0
3035
+16V
220K
3023
3043
10K
3
2
1
411
+24VF
7067-1
LM2902P
F061
3196
6R81
F053
9019 1
4
3
5
7
2
UE-HP660XAB-16T
7005
6
7004
UE-HP660XAB-16T
61
4
3
5
7
2
8K2
3045
BAS316
6020
LM2902P
7067-2
5
6
7
411
1
4
3
5
7
2
UE-HP660XAB-16T
7003
6
12
13 14
411
7067-4
LM2902P
BAS316
6004
8K2
3152
11
+24VF
10K
3040
LM2902P
7075-2
5
6
7
4
3
2
1
411
7075-1
LM2902P
180R
3131
100n
2038
F076
F052
F074
3138
180R
3051
180R
180R
3052
10
9
8
411
7067-3
LM2902P
3022
220K
180R
3050
3042
1K0
4R99
3194
PWM1_B
PWM2_R
PWM2_B
PWM2_G
DISABLE_DRV
ENABLE
F059
PWM1_R
PWM1_G
GREENOUT61
REDOUT61
BLUEOUT61
PWM1_B
PWM1_R
CFB
CFB
CFB
CFB
CFB
CFB
BLUEOUT6
GREENOUT6
PWM1_G
REDOUT6
BLUE6
GREEN6
RED6
LED DRIVE
3139 123 6252.6
I_17660_071.eps
120308
AL1
AL1

Table of Contents

Related product manuals