EasyManua.ls Logo

Philips 32PFL7623D/10 - LED Lite-On Panel: LED Drive

Philips 32PFL7623D/10
206 pages
Print Icon
To Next Page IconTo Next Page
To Next Page IconTo Next Page
To Previous Page IconTo Previous Page
To Previous Page IconTo Previous Page
Loading...
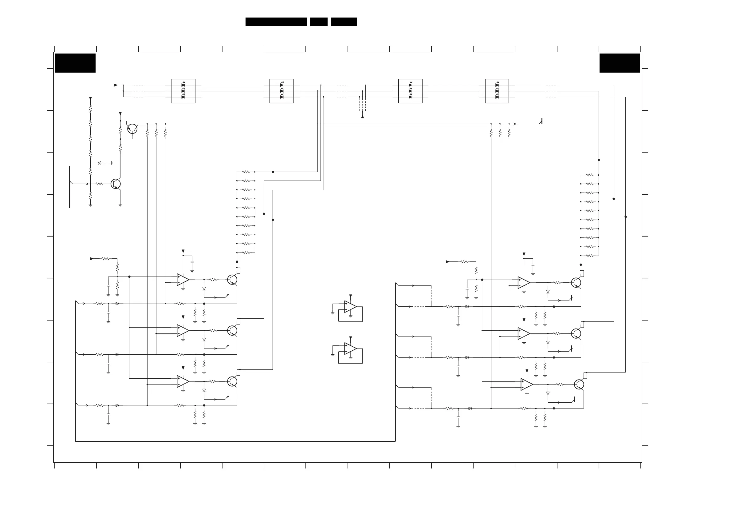
Circuit Diagrams and PWB Layouts
87Q529.1E LA 7.
6 LED Lite-On Panel: LED Drive
GND_HS
GREEN
RED
BLUE
GND_HS
GREEN
RED
BLUE
GND_HS
GREEN
RED
BLUE
GND_HS
GREEN
RED
BLUE
12
F
G
H
I
A
B
C
D
E
F
G
H
I
2001 F2
2003 F10
2005 I10
2007 F2
2009 F10
2010 H2
2012 H10
2013 I2
2036 E4
2038 E12
3000 A1
3001 D1
3002 B2
3003 B2
3005 C1
3006 C2
123 45678 9 10111213 14
3 45678 9 10111213 14
A
B
C
D
E
3007 B1
3008 C1
3009 B1
3021 B3
3022 B3
3023 B3
3024 B11
3025 B11
3026 B11
3030 E2
3032 E10
3033 E2
3035 E11
3036 F2
3038 F11
3039 H2
3040 F2
3041 F3
3042 E4
3043 G2
3044 G3
3045 H3
3046 G4
3047 H4
3050 C13
3051 C13
3052 D13
3053 D13
3054 D13
3055 D13
3056 D13
3057 E13
3
058 E13
3059 E13
3129 C5
3130 C5
3131 C5
3132 D5
3133 D5
3134 D5
3135 D5
3136 E5
3137 E5
3138 E5
3140 F4
3141 F4
3142 H4
3143 H4
3144 I4
3145 I4
3148 F12
3150 G12
3151 I10
3152 I12
3153 H13
3160 F10
3161 F12
3163 G10
3164 G12
3191 F12
3192 F12
3193 H12
3194 H12
3195 I12
3196 I12
6000 C2
6004 F2
6006 G2
6008 H2
6016 F10
6018 G10
6020 I10
6021 F4
6022 G4
6023 H4
6024 F12
6025 G12
6026 H12
7003 A3
7004 A6
7005 A9
7006 A11
7010 C2
7011 B2
7064 F5
7065 G5
7066 H5
7067-1 E4
7067-2 G4
7067-3 H4
7067-4 F8
7072 F13
7073 G13
7074 H13
7075-1 F12
7075-2 G12
7075-3 H12
7075-4 G8
9001 A8
F074 D14
F076 E13
9002 F9
9003 F9
9004 A7
9005 G9
9007 G9
9008 H9
9009 I9
9010 A7
9011 A8
9013 A8
9016 A7
9017 A2
9018 A2
9019 A2
9020 A12
9021 A12
9022 A12
F037 E2
F050 C6
F052 D6
F053 F4
F054 D6
F055 G4
F056 E5
F057 H4
F058 E11
F059 F12
F060 G12
F061 I12
F070 C13
F072 D14
7010
BC847BW
9018
+24VF
9017
220K
3024
9020
3036
10K
6008
BAS316
4 3
7
52
1K0
3148
LTW-E500T-PH1
7003
61
180R
3138
180R
3051
3052
180R
10
9
8
411
LM2902P
7067-3
9022
F055
F056
BCP56
7064
220K
3026
9019
100p
2007
4R99
3193
180R
3134
BAS316
6006
100p
2005
3143
4R99
BAS316
6022
6R81
3191
3161
8K2
100n
2001
8K2
3044
3038
10K
3137
180R
9011
47K
3006
BZX384-C5V6
6000
2K7
3005
820R
30083007
820R
+16V
820R
3009
6024
+24VF
BAS316
3046
1K0
4R99
3142
7073
BCP56
12
13 14
411
LM2902P
7075-4
1K0
3047
3054
180R
8K2
3164
BCP56
7066
180R
3059
180R
3130
6R81
3145
3032
56K
+3V3
F053
6R81
3196
3040
10K
6
7
411
+24VF
11
7075-2
LM2902P
5
LM2902P
7067-1
3
2
1
4
F061
6004
BAS316
8K2
3152
7065
BCP56
BCP56
7074
6023
BAS316
9008
9009
9002
9007
9004
+24VF
9003
2010
100p
180R
3136
+24VF
BCP56
7072
180R
3057
F060
3195
6R81
3140
6R81
9021
2038
100n
F076
F052
F074
F070
9016
6025
BAS316
10K
3043
6020
BAS316
5
6
7
411
11
+24VF
7067-2
LM2902P
LM2902P
7067-4
12
13 14
4
3144
6R81
3151
10K
2036
100n
9013
F058
F072
11
3150
1K0
LM2902P
7075-1
3
2
1
4
3131
180R
+24VF
F054
F037
F050
3129
180R
9005
2
+16V
3023
220K
LTW-E500T-PH1
7004
61
4 3
7
5
3045
8K2
9001
180R
3055
6R81
3192
11
1K0
3153
LM2902P
7075-3
10
9
8
4
+3V3
180R
3132
3133
180R
3058
180R
3041
8K2
3135
180R
6021
BAS316
BAS316
6026
3035
1R0
61
4 3
7
52
LTW-E500T-PH1
7006
6R81
3141
180R
3053
F059
BAS316
6018
3163
2012
100p
10K
6016
BAS316
100p
2009
3160
10K
+24VF
BC857BW
7011
+24VF
+24VF
3002
10K22K
3003
3000
820R
F057
3001
3K9
3025
220K
3021
220K
56K
3030
1R0
9010
180R
3033
3056
7
52
100p
2013
LTW-E500T-PH1
7005
61
4 3
100n
2003
220K
3022
3050
180R
1K0
3042
3194
4R99
3039
10K
PWM1_B
PWM2_R
PWM2_B
PWM2_G
DISABLE_DRV
ENABLE
PWM1_R
PWM1_G
GREENOUT61
REDOUT61
BLUEOUT61
PWM1_B
PWM1_R
CFB
CFB
CFB
CFB
CFB
CFB
BLUEOUT6
GREENOUT6
PWM1_G
REDOUT6
BLUE6
GREEN6
RED6
LED DRIVE
3139 123 6263.3
I_17660_081.eps
120308
AL1
AL1

Table of Contents

Related product manuals