EasyManua.ls Logo

Philips 32PFL7623D/10 - LED Lite-On Panel: LED Drive

Philips 32PFL7623D/10
206 pages
Print Icon
To Next Page IconTo Next Page
To Next Page IconTo Next Page
To Previous Page IconTo Previous Page
To Previous Page IconTo Previous Page
Loading...
94Q529.1E LA 7.
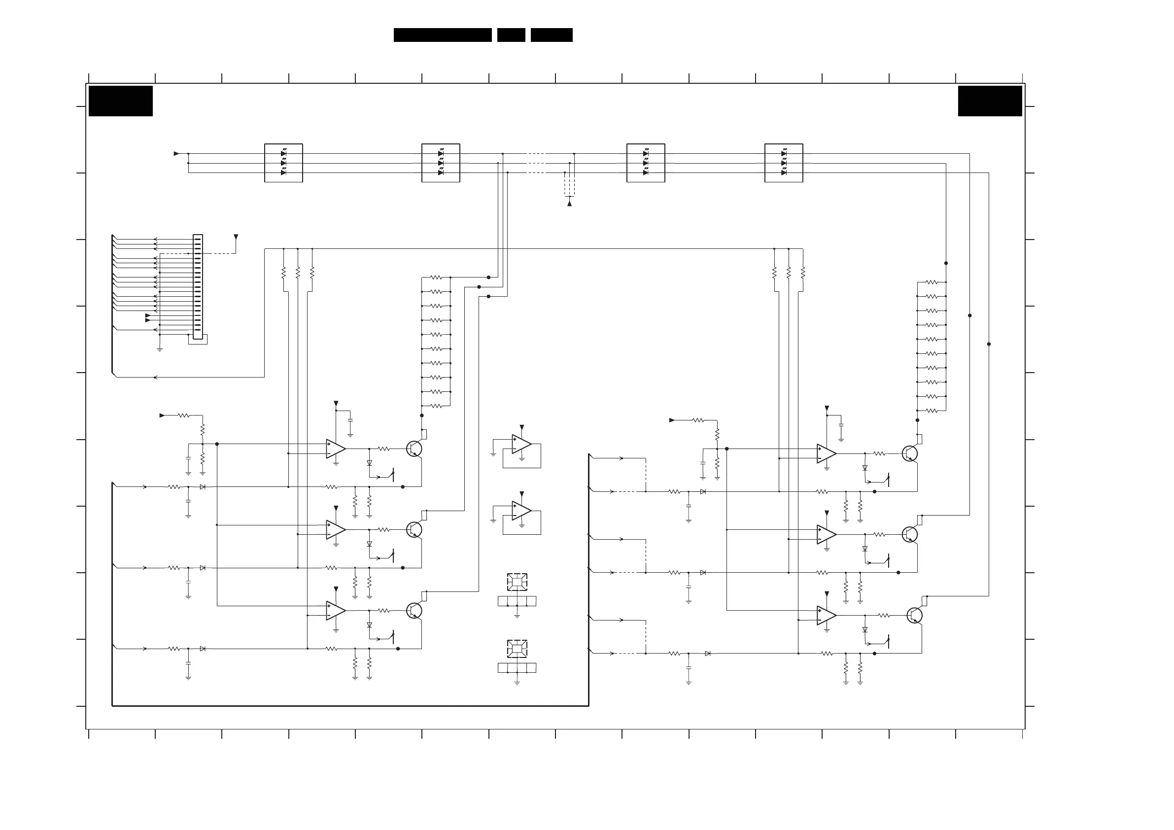
Circuit Diagrams and PWB Layouts
8 LED Lite-On Panel: LED Drive
GND_HS
GREEN
RED
BLUE
GND_HS
GREEN
RED
BLUE
GND_HS
GREEN
RED
BLUE
GND_HS
GREEN
RED
BLUE
F180 F2
F181 F5
F182 G5
F183 I5
F193 I12
3334 D6
7267-2 G4
F194 E13
F195 C13
F196 D14
F197 D14
7267-1 F4
7275-3 H12
7275-4 F7
9015 B8
9201 B8
9202 F9
9203 F9
9204 A7
9205 G9
9207 G9
9208 H9
9209 I9
9210 A7
9211 B8
9216 A7
9250 C2
9251 C2
LED DRIVE LITE-ON
F184 E5
F185 C7
F186 C6
F187 C7
F190 F10
F191 F12
F192 G13
6216 F10
6218 G10
6220 I10
6221 F5
6222 G5
6223 H5
6224 F12
6225 G12
6226 H12
7001 A3
7002 A5
7007 A9
7008 A11
7264 F6
7265 G6
7266 H6
3335 D6
7267-3 H4
7267-4 E7
7272 F13
7273 G13
7274 H13
7275-1 F12
7275-2 G12
3344 I4
3345 I5
3348 F12
3350 G12
3351 I9
3352 I12
3353 H12
3360 F9
3361 F11
3363 G9
3364 G11
3391 F12
3392 F12
3393 H12
3394 H12
3395 I12
3396 I12
6204 F2
6206 G2
6208 I2
3247 H5
3250 C13
3251 C13
3252 D13
3253 D13
3254 D13
3255 D13
3256 D13
3257 E13
3258 E13
3259 E13
3329 C6
3330 C6
3331 D6
3332 D6
3333 D6
3336 E6
3337 E6
3338 E6
3340 F4
3341 F5
3342 H4
3343 H5
2210 H2
2236 E4
2238 E12
3221 C3
3222 C4
3223 C4
3224 C11
3225 C11
3226 C11
3230 E2
3232 E10
3233 E2
3235 E10
3
236 F2
3238 F10
3239 I2
3240 F2
3241 F4
3242 F5
3243 G2
3244 G4
3245 I4
3246 G5
1X03 G7
1X04 H7
2006 F10
2008 I9
2011 F9
G
H
I
2014 H9
2015 I2
2201 F2
2207 F2
7 8 9 10111213 14
A
B
C
D
E
7 8 9 10111213 14
123 456
A
B
C
D
E
F
1M85 B2
123 456
F
G
H
I
+3V3
3391
6R81
3361
8K2
F195
5
6
7
411
11
7275-2
LM2902P
LM2902P
7275-4
12
13 14
4
10
9
8
411
LM2902P
7275-3
6R81
3392
+24VF
3360
10K
3394
4R99
4R99
3393
8K2
3364
3226
220K
220K
3225
3224
220K
220K
3223
3222
220K
220K
3221
180R
3255
4 3
7
52
100p
2011
7002
LTW-E500T-PH1
6 1 9216
9210
6208
180R
3251
BAS316
3252
180R
F186
180R
3253
6216
BAS316
9201
9015
3258
180R
180R
3257
180R
3259
180R
3338
12
13 14
411
+24VF
11
LM2902P
7267-4
LM2902P
7267-3
10
9
8
4
6R81
3341
1X04
EMC HOLE
BAS316
6220
4R99
3342
8K2
3244
BAS316
6206
2210
100p
3350
1K0
3241
8K2
6204
BAS316
100p
2207
9204
3340
6R81
EMC HOLE
1X03
100p
2015
61
4 3
7
52
4 3
7
52
7001
LTW-E500T-PH1
7008
LTW-E500T-PH1
61
F180
3245
8K2
F184
3337
180R
6223
BAS316
6222
BAS316
BCP56
7264
+24VF
F183
6R81
F193
3396
9211
9202
+3V3
4R99
3235
1R0
3343
F181
BAS316
6218
10K
2014
100p
3363
3232
56K
1
411
3238
10K
LM2902P
7275-1
3
2
3240
10K
3233
1R0
1K0
3242
100n
2201
+24VF
9209
9205
9207
100n
+24VF
2236
F185
F196
+16V
9250 9251
F187
10K
3243
3246
1K0
+24VF_16V_8
7265
BCP56
+16V_24VF_8
+3V3
3230
56K
3236
10K
LM2902P
7267-1
3
2
1
411
+24VF
3335
180R
180R
3336
10K
3239
1K0
3247
BCP56
7266
6221
BAS316
7
52
F191
LTW-E500T-PH1
61
4 3
100p
2008
7007
1K0
3348
BCP56
7272
100n
2006
2238
180R
100n
+24VF
3250
9203
BAS316
6226
BAS316 BAS316
62246225
+24VF
BCP56
7274
3395
6R81
180R
3334
F182
3345
6R81
3344
6R81
7
8
9
2122
7273
BCP56
16
17
18
19
2
20
3
4
5
6
1
10
11
12
13
14
15
1M85
3254
180R
9208
5
6
7
411
7267-2
LM2902P
3352
8K2
3351
10K
1K0
3353
+16V
3256
180R
F192
180R
F190
3330
3331
180R
180R
3332
3333
180R
F194
F197
180R
3329
DISABLE_DRV
CFB
CFB
CFB
CFB
PWM1_R
PWM1_G
PWM1_B
PWM3_8_R
PWM5_8_G
PWM5_8_B
SEL
SCL
SDA
ENABLE
PWM3_8_G
CFB_8
PWM3_8_B
PWM4_8_R
PWM4_8_G
PWM4_8_B
PWM5_8_R
{PWM1_B,PWM1_G,PWM1_R,PWM2_R,PWM2_G,PWM2_B,PWM3
_R,PWM3_G,PWM3_B}
PWM3_G
PWM3_B
PWM2_R
PWM2_G
PWM2_B
PWM3_R
CFB
CFB
3139 123 6264.3
I_17660_088.eps
120308
AL4
AL4

Table of Contents

Related product manuals