EasyManua.ls Logo

Philips 32PFL7623D/10 - Page 185

Philips 32PFL7623D/10
206 pages
Print Icon
To Next Page IconTo Next Page
To Next Page IconTo Next Page
To Previous Page IconTo Previous Page
To Previous Page IconTo Previous Page
Loading...
Circuit Descriptions, Abbreviation List, and IC Data Sheets
EN 185Q529.1E LA 9.
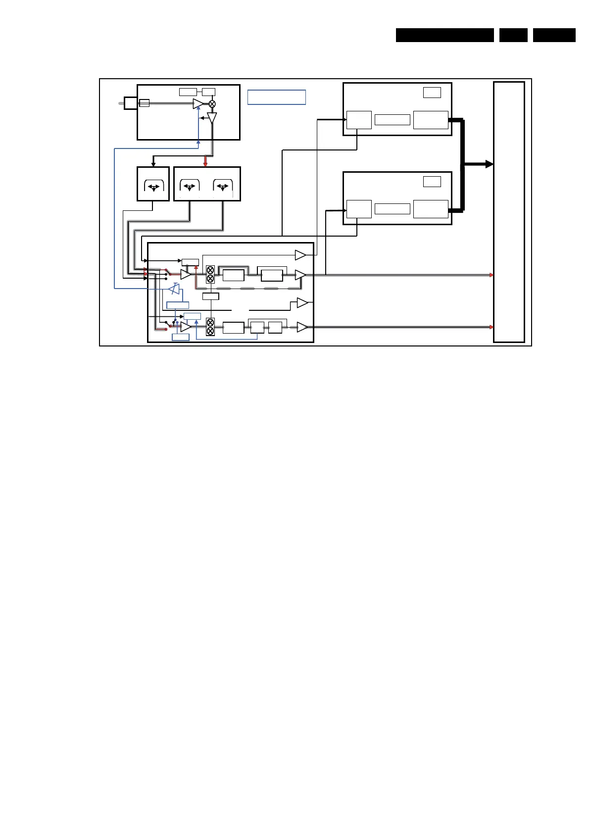
Figure 9-7 Analog video broadcast reception block diagram
9.6 PNX85xx
In this chassis, the PNX85xx is responsible for the audio/video
source decode functions and video improvement processing
on both digital and analogue sources. It includes a multi-
standard digital video decoder for MPEG2, and a multi-
standard analogue video decoder for support of PAL, NTSC,
and SECAM standards. Refer to diagram B04 for details.
9.6.1 Video Subsystem
Refer to figure “9-8 PNX85xx video flow diagram” for a
clarification of the blocks that are used in this device.
DVB-T
TDA10048
10-bit
ADC
PLL
Decoding
TS
interface
Tuner
TD1716_Mk4
PLL4MHz
HPF
7MHz
X3451K
36.13MHz
5,8MHz
37.6MHz
DVB-C
TDA10023
10-bit
ADC
PLL
Decoding
TS
interface
PNX8541
Side Band
Filter
SIF AGC
Nyquist
Filter
VIF AGC
Band Pass
Filter
Sound
Trap
Group
Delay
TDA9898
PLL
TOP
PEAK AGC
T-AGC
L AGC
8MHz
36.125MHz
8MHz
36.125MHz
X6874D
RF
IF
DIF
LIF
SIF
CVBS
TS
IF
IF AGC
RF AGC
Nested AGC
I_17660_142.eps
170308

Table of Contents

Related product manuals