EasyManua.ls Logo

Philips 32PFL7623D/10 - Page 61

Philips 32PFL7623D/10
206 pages
Print Icon
To Next Page IconTo Next Page
To Next Page IconTo Next Page
To Previous Page IconTo Previous Page
To Previous Page IconTo Previous Page
Loading...
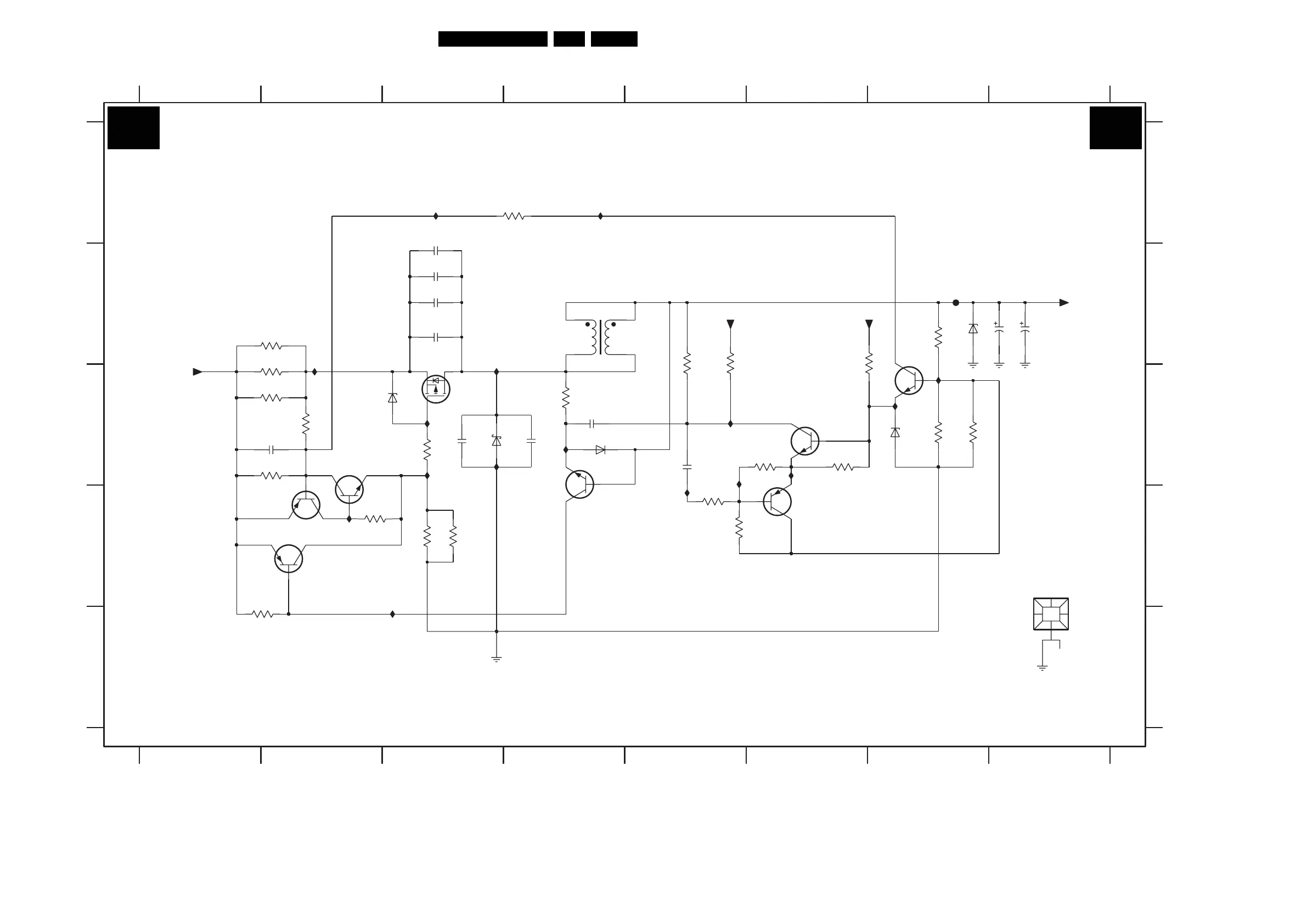
Circuit Diagrams and PWB Layouts
61Q529.1E LA 7.
Main Power Supply IPB 42: DC / DC
I601 B3
I610 A3
I611 A4
I612 C7
I617 C5
I618 D5
I619 C5
I620 C6
I622 C3
I623 C3
I624 E3
3426 C7
5401 B4
6401 C3
6402 C7
6403 C4
6405 C3
6407 B7
7402 B3
7403 B7
7404 C2
7405 D4
7406 D2
7407 D2
7408-1 C6
7408-2 D6
F401 B7
DC-DC
I600 B2
709-00
3406 B7
3407 B2
3408 C2
3409 C7
3410 D3
3411 E2
3412 C3
3413 C2
3415 B6
3419 C2
3420 B5
3421 B5
3422 C6
3423 D5
I613 C7
I614 C3
I615 D2
I616 C4
3424 D5
3425 C6
2402 B8
2403 B3
2404 C2
2414 C5
2420 B3
2421 B3
3401 C2
3402 D2
3403 D3
3404 A4
3405 C4
A
123 45
4567
8
A
B
C
D
E
1
2405 B3
2411 C4
2412 C3
2413 C4
B
C
D
E
1450 D8
2401 B8
678
123
7408-1
BC847BPN
RES
2
6
I618
I601
I617
2402
1m0 35V
RES
+24V
26.5h-L42
1450
2413
10n
15n
2405
F401
1K5
3410
6402
I611
PDZ5.6-B
22K
3426
RES
3409
1K0 1%
I620
I616
I614
I615
3401
1K0
4
2
3
1
1K0
3404
BC15
5401
0R22
RES
2421
15n
3408
15n
2412
3405
4K7
6403
BAS3161n0
+24V
2404
3415
100K
6401
STPS745FP
47K
3421
RES
35V1m0
2401
RES
100K
3424
I600
I612
0R1
3407
3411
100K RES
22R
3412
7405
BC847BW
2403
15n
1K0
3402
2414
RES
I610
I613
10n
RES
BZG05C15
6407
BZX384-C12
6405
BC857BW
7407
RES
4K7
3413
3406
1K0 1%
3403
1K5
BC847BW
7403
RES
5
3
4
I619
7408-2
BC847BPN
2411
15n
+12V
2
1
3
RES
7402
FQPF27P06
100R
3423
I623
I624
7406
BC807-25W
7404
15n
2420
RES
BC817-25W
RES
3419
0R1
RES
3422
100K 100K
3425
RES
I622
47K
3420
+24V
3139 123 6193.5
I_17660_099.eps
120308
A3 A3

Table of Contents

Related product manuals