EasyManua.ls Logo

Philips 32PFL7623D/10 - Page 96

Philips 32PFL7623D/10
206 pages
Print Icon
To Next Page IconTo Next Page
To Next Page IconTo Next Page
To Previous Page IconTo Previous Page
To Previous Page IconTo Previous Page
Loading...
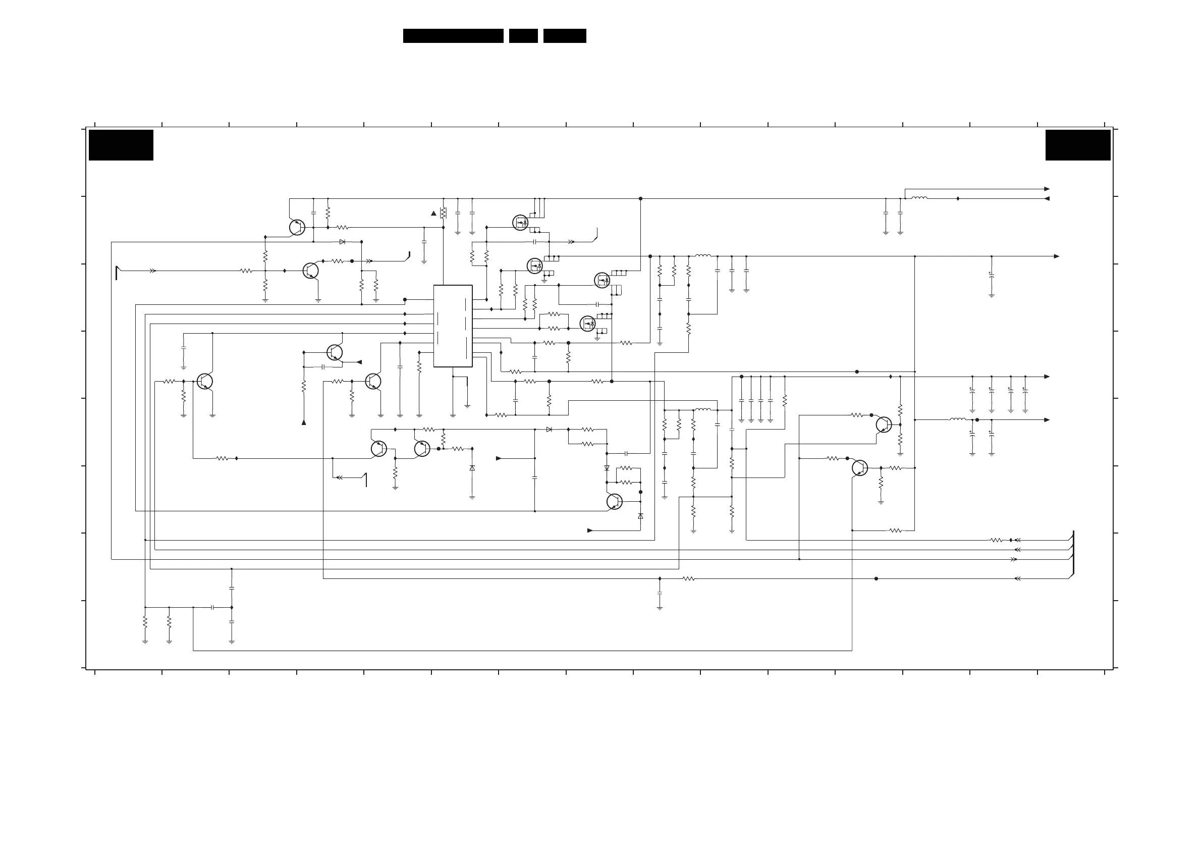
96Q529.1E LA 7.
Circuit Diagrams and PWB Layouts
SSB: DC / DC
VCC
L2
+1
-1
1
2
+2
-2
2
VFB
GATE
IS
COMP
GATE
GND
1
BST
ROSC
H2
L1
H1
IU1H E5
IU1K C7
IU1M D7
IU1N D7
IU1P B6
IU1R D4
IU1S E8
IU1T A13
IU0N C7
IU0P C7
IU0S C5
IU0T C5
IU0U D5
IU0V D5
IU0W D5
IU0Z E6
IU10 D2
IU11 C3
IU12 B3
IU13 B5
IU14 B4
IU15 E12
12V/3V3 CONVERSION
0V
3V3
BOOSTER
12V UNDER-VOLTAGE DETECTION
IU0A E13
IU0B G9
IU0C F3
IU0D E6
IU0E D7
IU0F D7
IU0G C6
12V/1V2 CONVERSION
IU19 H3
IU1B C9
IU1D E10
IU1E F9
IU1F D12
IU1G G14
IU0K D8
FU0B D10
FU0C E12
FU0D F9
FU0E E14
IU00 E8
IU01 C9
IU02 C9
IU0Y D4
IU16 E5
IU04 E9
IU05 E9
IU06 B6
IU07 E9
IU08 C9
IU09 B4
7U04-2 D2
7U05 C8
7U06 C8
7U07-1 E12
7U07-2 F12
7U08 B7
7U09 D4 IU0H C63U1M C9
3U1N B6
3U1P C7 CU26 D6
FU02 G12
FU03 E6
FU04 D8
FU05 B9
FU06 E12
FU07 C5
FU08 B4
FU09 D7
FU0A D8
5U02 A13
5U03 E13
6U00 E7
6U01 F8
6U02 B4
6U03 F9
6U04 F6 IU03 F8
7U00-2 B3
7U01-1 E5
7U01-2 E5
7U02 B7
7U03 F8
7U04-1 D5
3U1C G9
3U1D F12
3U1E E8
3U1F E8
3U1G C4
3U1H C5
3U1J G14
7U0A C63U09 F9
3U0A F10
3U1T C7 FU00 B9
FU01 D12
3U70 B6
3U72 C7
3U73 C7
3U74 E9
3U75 E10
3U76 E11
3U77 C3
5U00 E10
5U01 B10
3U0S B4
3U0T B4
3U0U B4
3U0V B3
3U0W C3
3U0Y E11
3U0Z E12
7U00-1 C4
3U13 E12
3U14 D7
3U15 D8
3U16 D8
3U17 E7
3U18 E2
3U19 F5
3U1A E6
3U1B E6
3U01 D7
3U02 F8
3U03 C9
3U04 C9
3U05 D7
3U06 D7
3U07 E9 3U1K E8
2U07 D10
2U08 E9
2U09 E10
3
U0B D4
3U1U E5
3U1V D4
3U0E D2
3U0F H1
3U0G H2
3U0H D5
3U0J C9
3U0K E9
3U0M C7
3U0N B6
3U0P C6
2U0P G9
2U0R E10
2U0S D4
2U0T D10
2U0U D10
2U0V D10
2U0W B6
3U10 F12
7 8 9
2U0Z C10 3U11 E12
3U12 E12
2U12 C9
2U13 B7
2U14 B12
2U15 C14
2U16 D13
2U17 D14
2U1A D14
2U1B D14
3U00 E7
7 8 9 10111213
3U08 F9
2U04 D7
2U05 C10
2U06 C10
DC / DC
2U0A D5
3U0C D4
3U0D D2
2U0D H2
2U0E H2
2U0F B6
2U0G B5
2U0H C9
2U0J E9
2U0K F9
2U0M C8
2U0N B4
B
C
D
E
F
G
H
2U0Y B12
4563 11 1210
2U10 E13
2U11 E14
13 14 15
123 456 14
2U01 E8
2U02 F7
2U03 C9
2U0B G2
2U0C D2
15
A
B
C
D
E
F
G
H
A
2U00 E7
12
IU0Z
IU0Y
IU0V
IU0W
68R
3U1E
RES
3U1B
1K0
PDZ9.1-B
6U04
IU1H
RES
IU1F
RES
3U1U
330R
3
4
FU01
IU1D
RES
7U01-2
BC857BS
5
7U01-1
BC857BS
2
6
1
RES
6K8
3U17
3K3
3U163U0E
33K
2U0B
100p
GND-SIG
GND-SIG
7U04-2
BC847BS
5
3
4
470n
2U0P
2U10
100u 4V
RES
10u
5U03
1%
IU1G
3U1J
120R
33K
3U0D
1K0
3U12
3U0Z
10K
7U07-1
2
6
1
3U1K
BC847BS
10R
470R
*
3U76
2U0R
1u0
2U11
4V100u
39K
3U0H
IU00
1213
14
7
10
GND-SIGGND-SIG
8
9
1
16
2
15
3
6
11
5
NCP5422ADR2G
7U0A
Φ
4
FU0D
FU0C
IU1N
IU0C
IU0F
FU04
IU0E
FU03
IU0D
6
1
GND-SIG
3U1F
68R
BC847BS
7U04-1
2
100n
2U0A
3U0B
22K
FU0A
FU09
FU0B
IU16
2U0E
100n
2U0C
100n
FU02
IU0B
PDZ18-B
GND-SIG
3U02
470R
6U03
2U02
1
3
2
1u0
7U03
BC817-25W
22R
3U74
FU0E
+3V3F
100p
2U0D
22K
3U1C
3U1A
RES
3U19
100K
RES
1K0
RES
GND-SIG
10K
3U18
6K8
3U15
6K8
3U14
100R
3U13
IU0A
470R
3U0F
1%
+1V2-PNX8541
+1V2-PNX8541
IU07
22R
3U0K
IU03
IU04
22u
2U0T
+1V2-STANDBY
IU1R
RES
RES
3U1V
3K3
GND-SIGGND-SIG
220u 4V
RES
2U1B
GND-SIG
RES
3U0C
10K
5U01
10u
678
4
123
FDS4488
7U08
5
3U07
6K8
2U09
3n3
3U06
3K3
2U07
22u
5U02
10u
1% 1K0
3U0A
4K7
3U09
RES
3U08
1K0
3U05
100n
6K8
2U04
5U00
10u
1K0
3U04
2U0H
1n0
3U0J
22R
IU05
IU19
IU10
GND-SIG
FU00
BAS316
6U01
6U00
BAS316
100n
2U01
3U01
3U00
3K3
1K0
2U00
100n
22R
3U0N
4R7
3U0P
3U0M
4R7
22R
3U73
GND-SIG
4K7
3U0G
1n0
2U0J
1n0
2U12
100n
2U0N
6.3VRES330u
2U17
+12VF
22u
2U0V
22u
2U0U
100R
3U0S
RES
7U00-2
BC847BPN
5
3
4
2
6
1
IU08
7U00-1
BC847BPN
RES
BC847BW
1
3
2
2U0S
100n
123
7U09
RES
7U06
FDS4488
5678
4
7 8
4
123
FDS4488
7U05
56
4V
+1V2-PNX8541
RES 220u
2U1A
2U16
IU1S
6.3V330u
6K8
3U03
2U03
100n
IU09
IU1P
IU0P
8
4
12 3
FDS4488
567
7U02
1u0
2U0G
RES
2U0F
22u
22u
2U0W
100n
2U08
22u
2U06
3n3
2U05
3U1P
22R
3U1N
4R7
FU08
22R
3U1M
IU06
IU01
IU02
CU26
IU13
GND-SIG
IU11
1%
3n3
GND-SIG
3U75
120R
2U13
IU12
IU0T
3U70
2U0K
1n0
10R
25V220u
2U15
+12V
IU0K
IU0N
IU1K
IU0H
IU1M
IU0G
3U1H
22K
2U0M
3n3
22u
2U14
1K0
3U1D
RES
+3V3
1%
22u
2U0Z
BC847BS
7U07-2
5
3
4
3K9
3U11
2K2
3U10
10K
3U0Y
3U1G
6U02
10K
BAS316
IU0U
FU05
IU0S
22u
2U0Y
FU07
IU15
IU14
FU06
IU1E
IU1B
+12VF
22R
3U1T
4R7
3U72
3U0W
10K
3U0V
3U0U
22K
10K
3U0T
10K
3U77
22K
IU1T
SUPPLY-FAULT
3V3-ST
VSW
PROT-DC
ENABLE-3V3
SENSE+1V2-PNX8541
ENABLE-1V2
AUDIO-PROT
3139 123 6214.4
I_17660_001.eps
110308
B01A
B01A

Table of Contents

Related product manuals