EasyManua.ls Logo

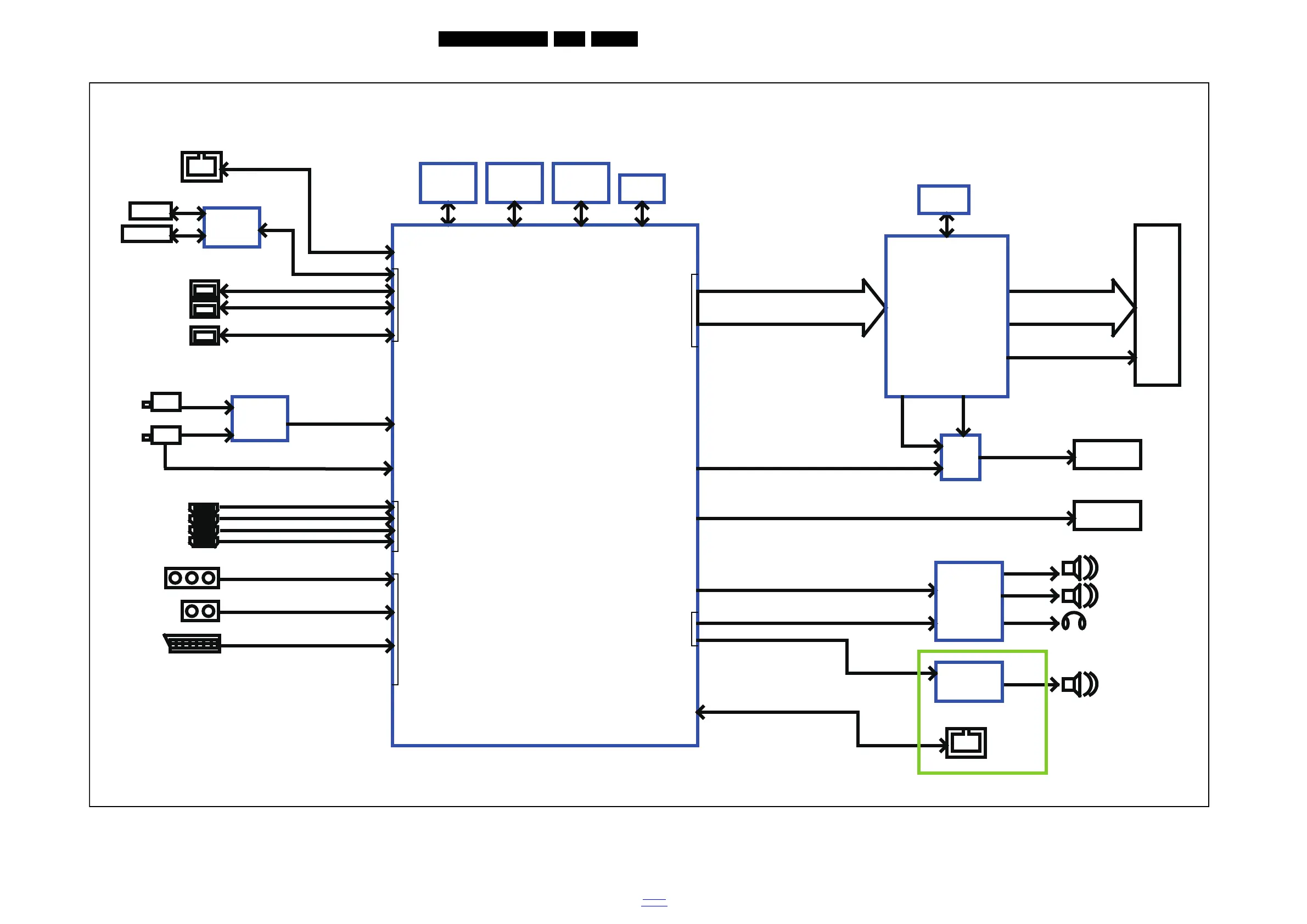
Philips 43PUT6801 - 9.2 Block diagram 6801 series

Philips 43PUT6801
190 pages
Print Icon
To Next Page IconTo Next Page
To Next Page IconTo Next Page
To Previous Page IconTo Previous Page
To Previous Page IconTo Previous Page
Loading...
EN 58QM16.3A LA 9.
Block Diagrams
2016-Jun-08
back to
div.table
9.2 Block diagram 6801 series
20151_400.eps
GPA22
OPWM1
2 X (DDR2 512M b its )
1333 MHz
eMMC
8 GB
1 X DDR3
1833
4G bit
2 X DDR3
1833
4G bit
2 X DDR3
1833
4G bit
Ethernet
U S B 3 .0
U S B 2.0
U S B 2.0
P a r a llel TS [D0:D7]
U S B 3 .0
U S B 2.0
U S B 2.0
U S B 2.0
Analog
I/O
HDMI
Rx
IF inpu t
LVDS /Vx1
Transmitter
MT5593 U+
Dual CA17 + 2xCA7
1MB L2 CAche
Mali T624 MP3
ME/MC
HEVC UHD50/60
DVB-
T/T2/S/S2
DEMOD
sI216X
RGB/CVBS
HDMI port3
HDMI port2
HDMI port1
HDMI port0 + MHL
YPb Pr
A u dio L/R
8-Lane V X 1
Audio AMP
TAS5760
NT72333
UHD50 FRC
MEMC
UHD50
Tcon
Audio AMP
APA2010
PWM
I2S
Digital
ADAC
ADAC
SPI Flash
16Mb
Wi-Fi 11AC
BT
Disp Control (X4)
IF
PWM
Bluetooth
Wi-Fi
RJ45
Speaker
Headphone
Bathroom SPK
(Mono)
8-Lane V X 1
DVB-C/T/T2
DVB S/S2
Hybrid
Tuner
Satelite
Tuner
SPI-select
SPI
switch
AMBI-SPI-OUT
Dp/Dn
Video
Audio
S CART
BACKLIGHT
BL-DIMMING
AMBI-LIGHT
AMBI-S PI-MTK(S t a tic)
AMBI-SPI-NVT
(Dynamic)
HDMI
TS input
TxRx-p/n
Dp/Dn + Dp/Dn_TxRx
Dp/Dn
Dp/Dn
FHD 50 Hz
For HTV only
Uart/RS232
RJ48 S XP
Uart & RS232
U0TxRx
UHD 50 Hz

Related product manuals