EasyManua.ls Logo

Philips BJ3.1E LA - Audio Panel (37): Left; Right

Philips BJ3.1E LA
208 pages
Print Icon
To Next Page IconTo Next Page
To Next Page IconTo Next Page
To Previous Page IconTo Previous Page
To Previous Page IconTo Previous Page
Loading...
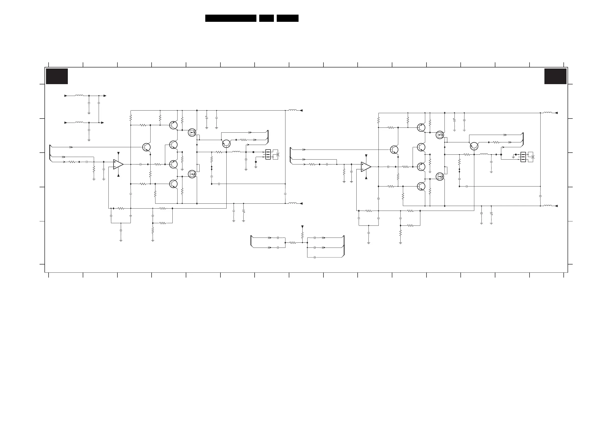
Circuit Diagrams and PWB Layouts
141BJ3.1E LA 7.
Audio Panel (37”): Left / Right
B
D
E
1735 B14
1736 B7
2D00 C2
2D01 C2
2D02 C3
2D03 D2
2D04 D3
2D05 D3
2D06 A5
2D07 A5
2D08 C5
2D09 C5
2D10 C6
2D11 C7
2D12 D6
2D13 D6
2D14 D7
2D16 E7
SPEAKER
TO
-14V3
14V3
IDB5 B12
13 14 15
A
7 8 9 10 11 12 13 14 15
123456789101112
C
D
E
A
B
C
2D18 E7
2D19 E8
2D20 A2
2D21 B2
2D25 C9
2D26 C9
2D27 C10
2D28 D9
2D29 D10
2D30 D11
2D31 B12
2D32 B13
2D33 C12
2D34 C13
2D35 C13
2D37 D13
2D38 D13
2D39 D15
2D40 A2
2D41 C15
2D43 E8
123456
2D44 E3
2D45 E10
2D46 D3
2D47 D10
3D01 C1
3D02 C2
3D03 A3
3D05 B3
3D06 A4
3D07 C3
3D08 C4
3D09 C3
3D10 D4
3D11 D3
3D12 D42D17 E8
3D13 E4
3D14 E3
3D15 C4
3D16 B6
3D17 B5
3D18 C5
3D19 E8
3D20 E8
3D26 C8
3D27 C9
3D28 B10
3D30 B10
3D31 B11
3D32 C11
3D33 C11
3D34 C10
3D35 D11
3D36 D10
3D37 D11
3D38 E11
3D39 E11
3D40 C12
3D41 B14
3D42 C13
3D43 C12
3D46 D4
3D48 D12
3D69 B4
3D70 B12
5D00 B6
5D01 A8
5D02 D8
5D05 A1
5D06 B1
5D25 B13
5D26 A15
5D27 D15
7D00-1 C3
7D00-2 C10
7D05 B3
7D06 B4
7D07 B4
7D08 C4
7D09 D4
7D10-1 B4
7D10-2 C4
7D12 B5
AUDIO LEFT / RIGHT
7D30 B11
7D31 B11
7D32 C11
7D33 C11
7D34 D11
7D35-1 B12
7D35-2 C12
7D37 B12
FD00 C6
FD01 C6
FD25 C14
FD26 C14
ID01 C2
ID02 E8
ID03 C3
ID04 C3
ID05 B3
ID06 C4
ID07 B4
ID08 B4
ID09 C4
ID10 C4
ID11 C4
ID12 D5
ID13 D4
ID14 E7
ID15 D2
ID16 E3
ID17 A5
ID18 B6
ID19 B5
ID20 C1
ID21 C5
ID22 C5
ID23 C5
ID25 B6
ID27 A2
ID29 B2
ID31 C9
ID33 C10
ID34 C11
ID35 B11
ID36 C11
ID37 B12
ID38 B12
ID39 C11
TO
SPEAKER
ID40 C12
ID41 C11
ID42 D12
ID43 D11
ID45 D10
ID46 E11
ID47 A12
ID48 B13
ID49 C12
ID50 C8
ID51 C13
ID52 C12
ID53 D12
ID55 B13
ID60 C13
ID61 C6
ID03
IDB4 B5
ID19
ID45
7
8
2
1
2D14
220n
7D10-2
SI4532ADY
7D31
BC807-25W
2D03
1n5
ID05
100n
2D32
ID29
VP
22u
5D00
22K
3D69
2D47
22p
2D46
22p
ID43
ID08
22K
3D08
GND-LR
VP
10n
1u0
2D05
2D27
25V 1m0
2D13
2D30
1u0
ID01
3D17
0R1
ID06
2D25
47n
3D28
3K3
3D38
10K
ID16
IDB4
VN
GND-LLGND-LL
GND-LL
GND-SA
ID13
7D08
BC857BW
2D09
1n5
5
6
4
3
ID38
SI4532ADY
7D10-1
2D33
1n5
IDB5
GND-LR
220n
2D39
3D26
18K
22K
3D02
2D00
BC857BW
7D12
47n
3D07
680R
GND-LR
GND-SA
2D29
1n5
80R
5D01
ID23
2p2
2D43
ID25
3D30
22K
FD25
ID02
22u
2D17
1p0
5D25
ID07
-12-15V
GND-L
VN
22K
3D05
3K9
3D36
ID20
+12-15V
ID22
1n5
2D34
22K
3D41
GND-SA
ID35
BC817-25W
7D34
3D37
100K
25V1m0
2D31
FD26
1K2
3D10
ID12
680R
3D32
ID42
ID60
ID61
22K
3D46
5
6
7
8
4
ID51
ID40
LM393PT
7D00-2
ID17
7D35-1
SI4532ADY
5
6
4
3
2D01
FD01
ID15
1n0
2D40
100n
1K2
3D06
3D03
3K3
BC807-25W
7D06
470n
2D35
VP1
GND-LL
ID48
80R
5D27
5D26
80R
2D44
-12-15V
BC857BW
7D33
100n
1p0
2D19
1n5
2D28
ID39
SI4532ADY
7D35-2
7
8
2
1
2D12
100n
1
2
3
B3B-EH-A
1735
ID14
2p2
2D16
GND-LL
ID18
330R
3D15
100n
2D07
3D33
22K
VP
ID10
ID04 ID50
5D02
80R
2D41
*
3
12
ID55
18K
3D01
5D06
80R
GND-L
GND-LL
2D45
100n
2D10
470n
GND-SA
7D30
BC847BW
3D09
22K
10n
2D02
2D21
100n
GND-LR
7D37
BC857BW
VN
560R
3D14
GND-SA
0R1
3D42
ID47
3
2
1
8
4
1n5
2D04
LM393PT
7D00-1
4R7
ID37
1m025V
3D43
ID27
2D38
3D39
560R
ID09
GND-LR
3D70
22K
BC847BW
7D05
22K
ID31
3D27
ID46
GND-SA
-12-15V
15K
3D20
33K
3D19
7D32
BC847BW
ID49
22K
3D16
22K
3D34
2D37
100n
GND-LR
80R
5D05
1n5
2D08
GND-SA
22K
3D48
2D26
1n0
3D31
1K2
VN
3D35
1K2
100K
3D12
BC847BW
7D07
ID33
2D18
2p2
ID53
100n
2D20
3D11
3K9
3D13
ID21
10K
7D09
BC817-25W
GND-LL
GND-LR
3D40
330R
2D06
1m0 25V
ID34
*
3
12
ID36
2D11
ID11
ID52
4R7
3D18
+12-15V
1736
B3B-EH-A
1
2
3
FD00
ID41
INV-MUTE
GND-SA
IN-L
LEFT-SPEAKER
IN-R
FEEDBACK-L
FEEDBACK-R
IN-L
IN-R
FEEDBACK-L
FEEDBACK-R
AUDIO-R
MUTE
MUTE
RIGHT-SPEAKER
AUDIO-L
CPROT
CPROT
C1 C1
3104 313 6125.4
G_15690_067.eps
020306

Table of Contents

Related product manuals