EasyManua.ls Logo

Philips BJ3.1E LA - Standby & Audio Panel (32): Audio

Philips BJ3.1E LA
208 pages
Print Icon
To Next Page IconTo Next Page
To Next Page IconTo Next Page
To Previous Page IconTo Previous Page
To Previous Page IconTo Previous Page
Loading...
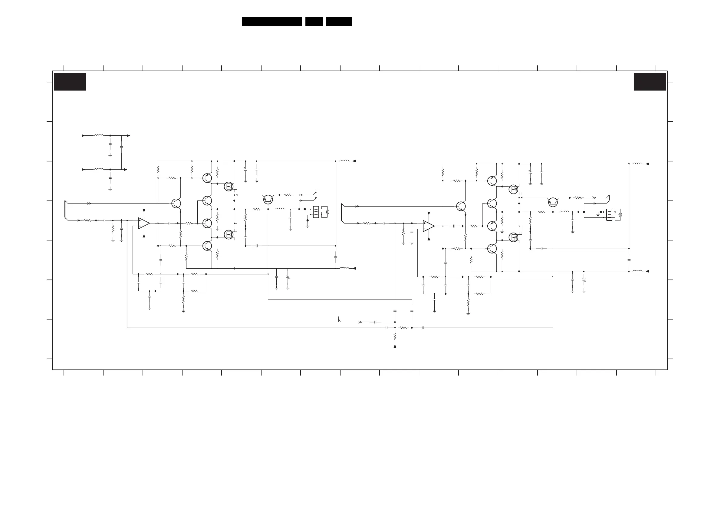
Circuit Diagrams and PWB Layouts
153BJ3.1E LA 7.
Standby & Audio Panel (32”): Audio
-12V2
-12V5
SA4,SA5
SA4,SA5
ID38 D12
ID39 D11
ID40 D12
ID41 E11
ID42 E12
ID43 E11
ID45 E10
ID46 F11
ID47 B12
ID48 C13
ID49 D12
ID50 D8
ID51 D12
ID52 D12
ID53 E12
ID60 D13
ID61 D6
IDB4 C5
IDB5 D12
12V5
-12V4
SA5
ID21 D5
ID22 D5
ID23 E5
ID24 F3
ID26 F10
ID27 B2
ID28 E11
ID29 C2
ID30 E3
ID31 D9
ID33 E10
ID34 D11
ID35 C11
ID36 D11
ID37 C12
SA5
ID02 G9
ID03 E3
ID04 D3
ID05 C3
ID06 D4
ID07 C4
ID08 D4
ID09 D4
ID10 D4
ID11 E4
ID12 E5
ID13 E4
ID14 G9
ID15 E2
ID16 F3
ID17 B5
ID18 C6
ID19 D5
ID20 D1
7D10-2 E4
7D12 C5
7D30 D11
7D31 C11
7D32 D11
7D33 D11
7D34 E11
7D35-1 C12
7D35-2 E12
7D37 C12
FD00 D7
FD01 D7
FD24 D6
FD25 D14
FD26 D14
FD54 D13
ID01 D2
SA5
3D69 C4
3D70 C12
5D00 D6
5D01 B8
5D02 E8
5D05 B1
5D06 C1
5D25 D13
5D26 C15
5D27 E15
7D00-1 D3
7D00-2 D10
7D05 D3
7D06 C4
7D07 D4
7D08 D4
7D09 E4
7D10-1 C4
SA4,SA5
SA5
AUDIO LEFT / RIGHT
SA4,SA5
3D20 G9
3D26 D8
3D27 D9
3D29 C10
3D30 C10
3D31 C11
3D32 D11
3D33 D11
3D34 E10
3D35 E11
3D36 E10
3D37 E11
3D38 F11
3D39 F11
3D40 D12
3D41 C14
3D42 D13
3D43 D12
3D46 E4
3D48 E12
3D05 C3
3D06 C4
3D07 D3
3D08 D4
3D09 E3
3D10 E4
3D11 E3
3D12 E4
3D13 F4
3D14 F3
3D15 D4
3D16 C6
3D17 D5
3D18 D5
3D19 G9
2D26 D9
2D27 D10
2D28 F9
2D29 F10
2D30 F11
2D31 C12
2D32 C13
2D33 D12
2D34 E13
2D35 G8
2D37 E13
2D38 E14
2D39 E15
2D40 B2
2D41 D15
2D42 E3
2D43 E10
2D89 F9
2D90 G10
2D91 F9
2D92 G9
3D01 D1
3D02 D2
3D04 C3
15
A
B
C
D
E
F
2D12 E6
2D13 E6
2D14 E7
2D15 F3
2D16 F10
2D17 D13
2D20 B2
2D21 C2
2D25 D9
567891011121314
1736 D7
2D00 D2
2D01 D2
2D02 D3
2D03 F2
2D04 F3
2D05 F3
2D06 C5
2D07 C5
2D08 D5
2D09 E5
2D10 D6
2D11 D7
123456789101112131415
1234
ID13
SPEAKER
TO
SA5
TO
SPEAKER
G
A
B
C
D
E
F
G
1735 D14
ID17
3
2
1
8
4
VN
7D00-1
LM393PT
+12-15V
3D05
22K
3D02
22K
2D39
220n
ID28
GND-LR
GND-SA
680R
3D07
ID12
ID23
5
6
4
3
0R1
3D17
2
1
SI4532ADY
7D35-1
7D35-2
SI4532ADY
7
8
3D46
22K
1735
B3B-EH-A
1
2
3
VP
ID29
1n5
2D33
100n
4R7
3D43
2D20
-12-15V
22K
3D70
ID26
100n
2D16
2D15
100n
2D17
470n
GND-LR
GND-LR
FD54
GND-LR
ID19
ID08
2p2
2D89
BC807-25W
7D31
5D25
22u
2D90
2p2
3K3
3D04
3K3
3D29
ID06
GND-LR
22K
3D16
BC857BW
7D37
ID02
3
12
2p2
2D91
X01206
2D41
ID10
ID52
7D07
BC847BW
BC857BW
7D08
GND-LL
3D12
100K
2D07
100n
ID61
GND-LL
5D01
80R
ID18
FD26
2D92
1p0
3D14
560R
ID07
ID43
47n
2D25
18K
3D26
ID27
6
7
8
4
FD00
7D00-2
LM393PT
5
ID48
-12-15V
GND-LL
VP
VP1
1K2
3D35
22K
3D33
3D34
22K
80R
5D02
2D10
5D05
80R
470n
ID41
3D18
4R7
GND-LL
2D32
100n
1K2
3D31
GND-LR
100n
2D12
FD01
ID04 ID50
1n5
2D09
3D42
0R1
ID22
FD24
15K
3D20
8
2
1
3D19
33K
SI4532ADY
7D10-2
7
3D06
1K2
1n0
2D26
22K
3D27
ID49
5D00
22u
2D11
X01206
3
12
VN
22K
3D30
220n
2D40
ID51
3D48
22K
SI4532ADY
5
6
4
3
7D10-1
GND-LR
ID42
1n5
100K
3D37
2D34
GND-LL
2D28
1n5
80R
5D26
7D33
BC857BW
3D32
680R
ID16
2D05
1u0
GND-L
ID38
16V
ID14
2D31
1m0
ID53
5D27
80R
2D00
47n
3K9
3D11
VN
ID60
220n
2D14
2D04
1n5
ID05
BC817-25W
7D09
GND-SA
VP
ID35
7D34
BC817-25W
100n
2D21
2D02
10n
GND-SA GND-SA
ID15
ID37
2p2
2D35
10n
2D27
ID34
ID45
ID46
3D69
22K
ID11
ID47
BC847BW
7D30
BC857BW
2D37
7D12
ID24
100n
ID40
GND-LL
3D10
1K2
22K
3D09
1736
1
2
3
ID31
B3B-EH-A
7D05
BC847BW
IDB4
GND-SA
IDB5
3D01
18K
ID21
80R
5D06
ID20
2D01
1n0
1n5
2D29
7D06
BC807-25W
3D36
3K9
3D08
22K
ID39
3D41
22K
ID33
3D13
10K
330R
3D40
2D13
1m016V
2D08
1n5 16V1m0
2D06
GND-SA
1n5
2D03
ID09
560R
3D39
GND-SA
3D38
1u0
2D30
GND-LL
10K
BC847BW
7D32
+12-15V
-12-15V
FD25
ID36
VN
22p
2D43
22p
2D42
GND-SA
ID30
3D15
330R
ID01
ID03
GND-L
16V 1m0
2D38
RIGHT-SPEAKER
INV-MUTE
AUDIO-R
MUTE
CPROT
AUDIO-L
MUTE
CPROT
LEFT-SPEAKER
G_15970_020.eps
160306
3104 313 6093.5
SA4 SA4

Table of Contents

Related product manuals