EasyManua.ls Logo

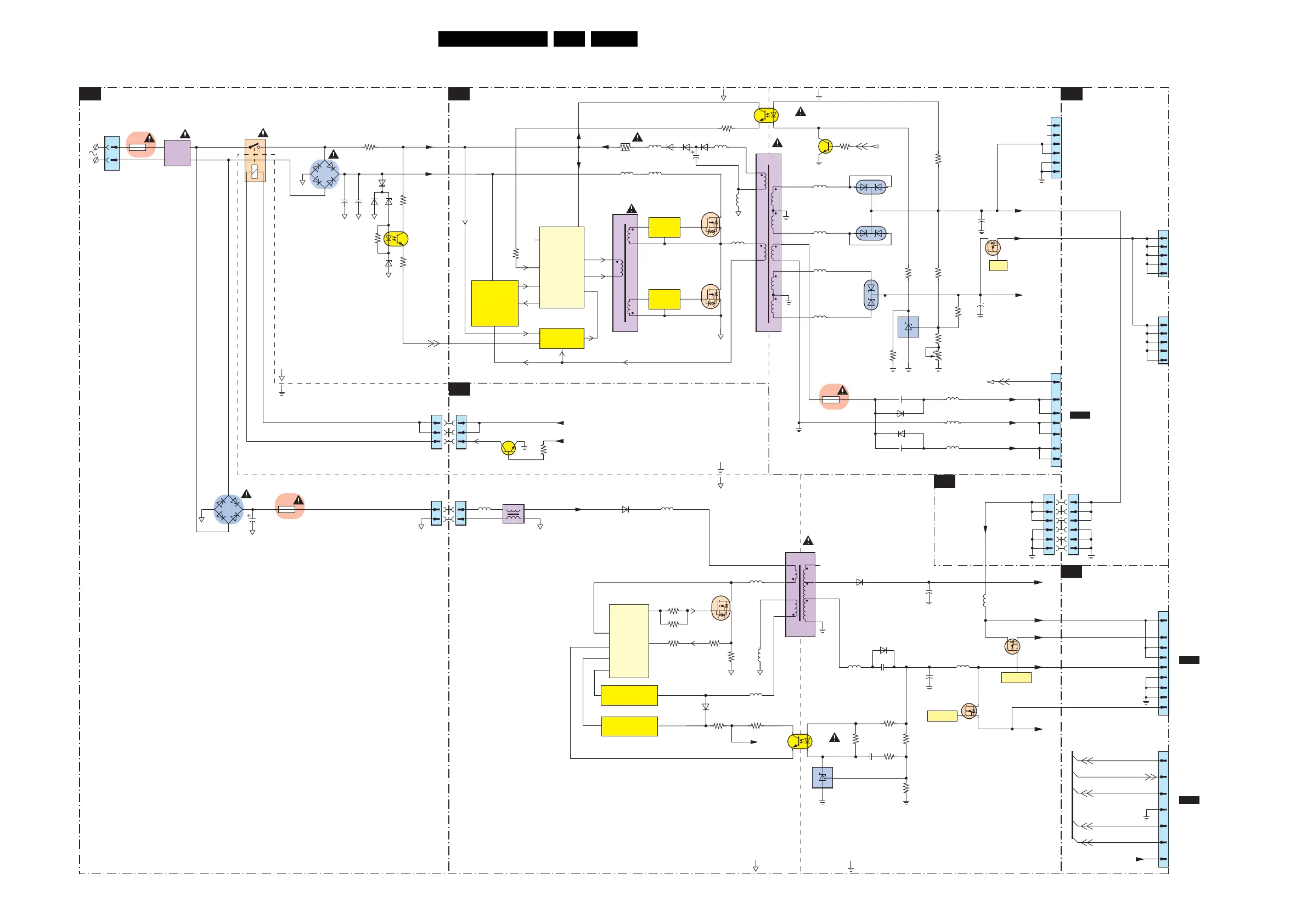
Philips BJ3.1E LA - Block Diagram Supply 32”

Philips BJ3.1E LA
208 pages
Print Icon
To Next Page IconTo Next Page
To Next Page IconTo Next Page
To Previous Page IconTo Previous Page
To Previous Page IconTo Previous Page
Loading...
48BJ3.1E LA 6.
Block Diagrams, Test Point Overviews, and Waveforms
Block Diagram Supply 32”
SUPPLY
A2
STANDBY
SA2
MAINS FILTER + STANDBY
A1
SUPPLY 32" LCD
CONNECTIONS
A3
SA1
CONNECTIONS
SA1
CONNECTIONS
1319
1
2
3
4
5
6807
GBJ6J
-
+
7001
MC34067P
15
7017
7018
7004
7009
5001
BIAS SUPPLY
SOFT
START
+
CURRENT
PROTECTION
CONTROL
VCC
OSCC
ERROR
SOST
OB
OA
FI
2
4
11
7
11
14
12
10
6
7
5
3
7
8
9
10
11
12
13
5002
7008
LOW
SIDE
DRIVE
10
9
3007
7010
TS2431AI
VS Voltage
Adj.
+24V
5401
5403
2
3
MAINS
FILTER
1
4
6506
DF06M
-
+
1450
OVER
VOLTAGE
PROTECTION
400V_HOT
25V_HOT
14
15
16
MAINS INPUT
95 - 264Vac
+11V
+8V6
+5V2
+5V_SW
+12V
STANDBY
+5V2
STANDBY: LOW = ON
HIGH = STBY
+12V_A
DC_PROT
G_16850_017.eps
050307
VREF
5
TO
DISPLAY
2
1308
1
1400
F4A
1401
2503
3810
1305
11
1305
22
33
1306
11
1306
22
3000
6080
6078
2003
5040
3022
3052
3026
3030
3057
+12V
+295V
3025
6140
5507
5103
6107
5506
2513
5504
1M03
1
1M46
1
4
7
6077
5010
5017
3100
5007
5008
5009
9
2
1
2
3
5027
5028
5025
5026
1M02
7
6
4
1007
T5A
2291
6291
2293
6293
5293
5291
5292
5
3
2
1
VSND_POS
VSND_NEG
GND_SND
DC_PROT
7030
3031
3
3
5500
6
7
10
8
5
2
1
7531
7131
7005
STP15NK50
7006
STP15NK50
7007
HIGH
SIDE
DRIVE
6044
STPS20L45CT
6045
1
2
3
6021
7002
TCET1102
2
14
3
1
2
3
7807
TCET1102
2
14
3
LATCH
2816
+
2815
+
6155
6467
6466
3410
6465
34083409
3040
K
A
R
5508
400V_HOT
6101
5505
SPMS
CONTROL
7100
TEA1533AT/N1
6103
5105
3108
3S17
3152
7102
STP6NK60
DRIVER
11
DRAIN
14
5104
ISENSE
9
3160
RC FOR
DEMAGNETIZATION
DEM
7
5106
6
CTRL
3146
SUPPLY FOR
CONTROLLER
7101
2
VCC
+AUX
3S22
3127
7501
TCET1102
2
14
3
3124
3110
Feedback
Circuit
7511
K
A
R
2109
3128
HOT GROUND COLD GROUND
3114
RES
3113
2510
+
7101
+24V
1M64
11
1M64
22
33
44
55
66
7560
+5V_SW
3560
HOT GROUND COLD GROUND
2141
+
2022
+
2121
+
HOT GROUND
COLD GROUND
CONTROL
SA5
TO 1M02
AUDIO
(BJ3.x)
DIM-CONTRO_PWM
2
4
7
8
10
Power-OK-Platform
ON_OFF
STANDBY
PROT_AUDIOSUPPLY
+5V2
3
5
6
11
B1B
TO 1M46
SSB
(BJ3.x)
B5E
TO 1M03
SSB
(BJ3.x)
RES
HOT GROUND
COLD GROUND
1317
1
2
3
4
5
TO
DISPLAY
1M08
1
2
3
4
5
6
AL
N.C.

Table of Contents

Related product manuals