EasyManua.ls Logo

Philips BJ3.1E LA - Supply 32”: Connections

Philips BJ3.1E LA
208 pages
Print Icon
To Next Page IconTo Next Page
To Next Page IconTo Next Page
To Previous Page IconTo Previous Page
To Previous Page IconTo Previous Page
Loading...
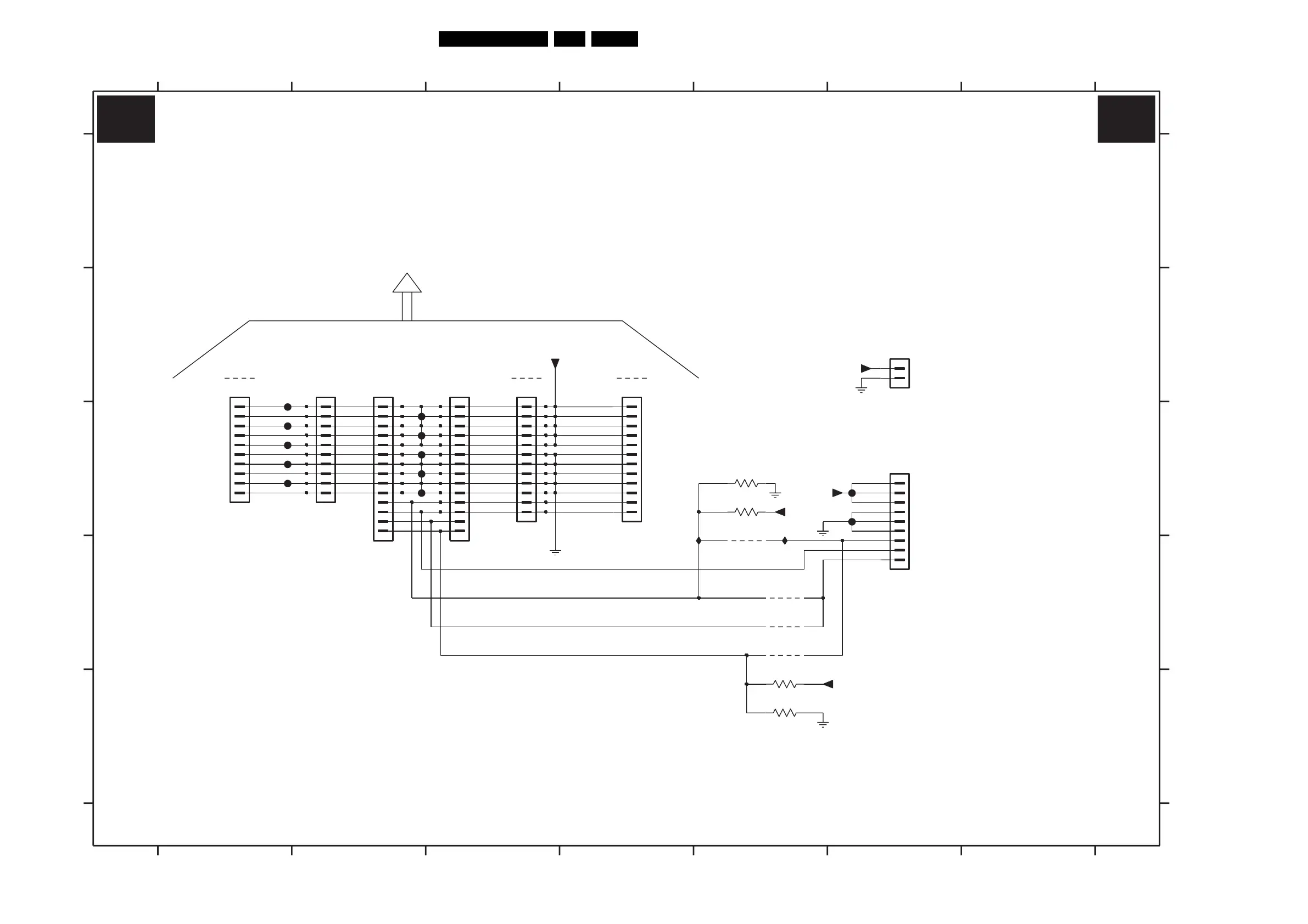
64BJ3.1E LA 7.
Circuit Diagrams and PWB Layouts
Supply 32”: Connections
F044 C6
I701 C5
I702 C4
F036 C3
F037 C3
F038 C3
F039 C3
F043 C6
234567
1234567
A
B
C
D
E
A
B
C
D
E
TO
DISPLAY
TO
DISPLAY
AUDIO-STANDBY
F032 C2
F033 C2
F034 C2
F035 C3
1310 B6
1314 B1
1315 B2
1316 B3
1317 B4
1319 B3
1321 B2
1M64 C6
3902 C5
3903 C5
3904 E5
3905 E5
9051 B4
9052 B1
9053 B3
9054 D5
9055 D5
9056 D5
9057 D5
F030 C2
F031 C2
TO
CONNECTIONS
1
5
6
7
8
9
B10P-PH-K-S
1314
1
10
2
3
4
3
4
5
6
7
8
9
*
1315
B10P-PH-K-S
1
10
2
1
2
3
4
5
6
7
8
9
*
+24V
1M64
B9B-PH-K
+295V
13
14
2
3
4
5
6
7
8
9
+12Vb
1319
1
10
11
12
3
4
5
6
7
8
9
*
B14B-PH-K
1321
B14B-PH-K
1
10
11
12
13
14
2
8
9
*
1
10
11
12
2
3
4
5
6
7
7
8
9
*
1317
B12P-PH-K
1
10
11
12
2
3
4
5
6
*
*
B12P-PH-K
1316
*
9055
10K
3905
9057
*
9054
*
3904
10K
9056
10K
3903
*
10K
*
+12Vb
3902
*
9053
I702
F043
F044
2
I701
*
B2P-VA-BF-RD
1310
1
F039
F034
F038
F037
F033
F036
F032
F035
F031
9051
F030
9052
*
DIM-CONTROL_PWM
BOOST
LAMP-ON-OFF
SELECT-PWM-ANA
+12V
*
G_15970_003.eps
160306
3104 313 6092.4
A3 A3

Table of Contents

Related product manuals