EasyManua.ls Logo

Philips CDR796 - Page 29

Philips CDR796
52 pages
Print Icon
To Next Page IconTo Next Page
To Next Page IconTo Next Page
To Previous Page IconTo Previous Page
To Previous Page IconTo Previous Page
Loading...
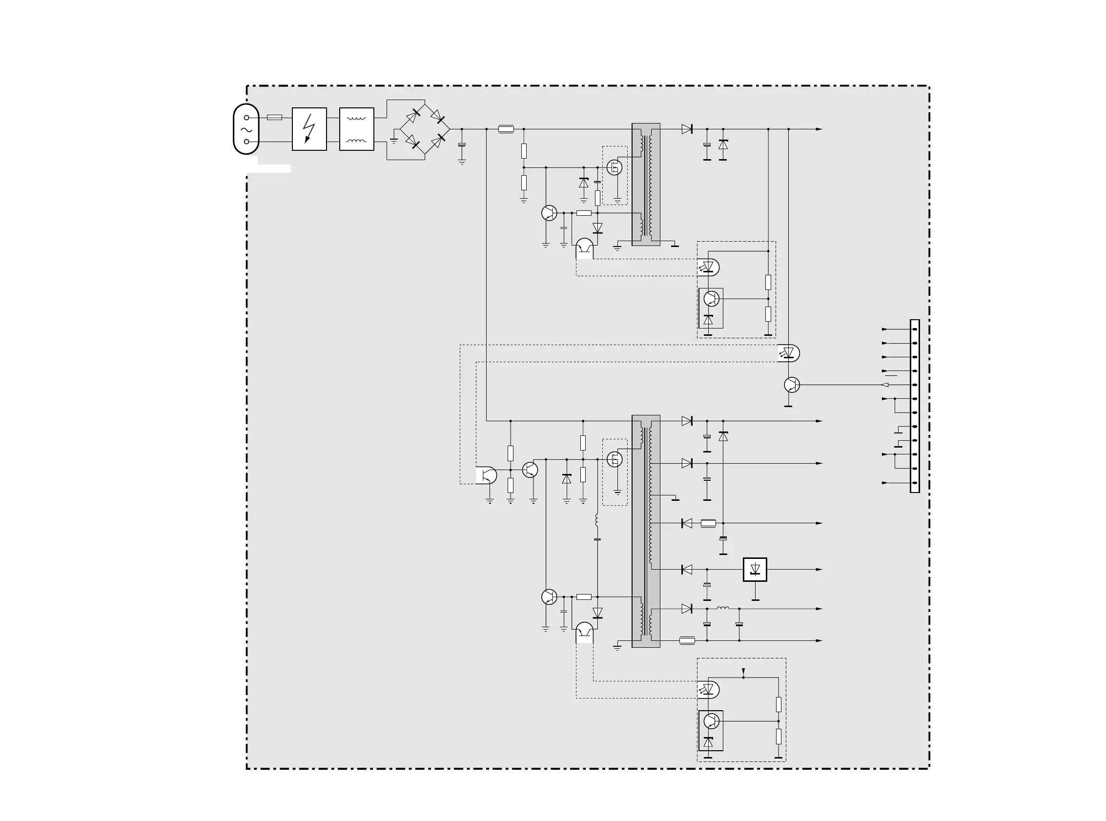
6-46-4
D207
Q202
BLOCK DIAGRAM
SWITCHED MODE POWER SUPPLY /
European & USA version (/00 & /17)
CN101
MAINS SOCKET
F101
T2A
Lightning
Protection
L101, L102
EMI-filter
T102
6,8V
22V
+5V EVER
overvoltage
protection
Q151
PC151
PC102
switch on/off
regulation
regulation
IC251
D251
D252
Q152
R152
C105
C251
D201
D206
C206
CON1
1
12
ON/OFF
+5V EVER
+F1
-F1
-30V
+5V
+12V
-12V
Q251
Q202
22V
T101
27V
+12V
overvoltage
protection
C208
D203
C204
-12V
C202
D202
C201
+5V
+5V
IC201
Q101
Q104
on/off
switching
transistor
reference
PC101
Q103
R222
R209
D204
D208
C205
-30V
+F
-F
switching
transistor
reference
Blockdiagram SMPS CDR8xx, 040901
BLOCK DIAGRAM
POWER SUPPLY

Related product manuals