EasyManua.ls Logo

Philips CDR796 - Page 32

Philips CDR796
52 pages
Print Icon
To Next Page IconTo Next Page
To Next Page IconTo Next Page
To Previous Page IconTo Previous Page
To Previous Page IconTo Previous Page
Loading...
7-2 7-2
1427 F11
1428 I10
1429 F12
1432 H10
1433 I10
1434 F13
1435 F13
1436 G10
1438 F10
1439 G10
1441 G10
2410 E10
2411 D11
2412 E11
567
I2C_Data
DISPLAY BOARD
GND
IR EYE
8 9 10 11 12 13 14
3424 H8
3425 H6
3426 G7
1422 G11
1423 G11
1424 G11
1425 H10
1426 H10
E
F
G
I2C_CLK
GND
EEPROM
2400 H4
2401 H4
2404 F10
2405 F11
2406 D10
2407 D9
2408 E9
2409 E10
3455 H10
3456 H10
3457 I10
2413 A4
Flash connector for
RESET
34
2422 F12
2423 E12
2424 D12
GND
2426 D13
3400 B1
3401 C1
3402 C1
3403 C1
3404 C1
3405 C1
3406 F2
3408 D1
3410 D1
3412 D2
3413 D1
3420 G4
3421 H4
3423 G5
3505 I7
3427 H7
A
B
C
D
3434 G6
3435 H7
3436 H7
1007
from Headphone Board to/from CD-RW Module
3437 H7
3438 G3
3439 H3
3440 H3
3442 G9
3443 E9
3444 F9
3445 F9
3446 F9
3447 F9
3448 F9
3449 F10
3450 F10
3451 G10
3452 G10
3453 G10
3454 H10
7409 H1
7412 H12
7413 G13
3458 I10
2414 A9
2415 B11
2416 H1
2418 C11
2420 D12
3464 G11
3465 F12
3466 F12
IRQ
3467 F13
3471 D10
3472 E11
3473 E11
3474 A4
3475 A9
3477 I8
3478 I7
3479 H11
3480 G13
3484 I2
3485 I2
3486 I2
3487 I2
3488 B13
3494 F12
3495 H12
3496 G12
3499 F9
F423 C13
F424 C13
F425 C13
3506 I6
3428 H7
3429 G7
3430 F9
3431 H4
3433 G5
3517 H6
3518 H6
3519 H6
flash version of uP only
3520 H6
3521 F2
3522 F2
3523 F2
3524 F2
5400 B11
6400 A10
6429 I7
6431 I8
6434 F9
7402 A9
7403 H3
7405 D11
7406 I8
F453 H13
F454 G13
F455 H13
7414 B8
3459 I10
3460 F11
3461 F11
3462 G11
3463 G11
F404 F3
F405 G3
F406 A9
0060
GND
1503
10MHz
F407 D9
F408 E9
F409 H4
F410 A4
F411 G4
F412 A13
F413 A13
F414 A13
F415 A13
F416 A13
F417 B13
F418 B13
F419 B13
F420 B13
F421 B13
F422 B13
F426 G5
3508 E2
3509 E2
3510 D10
3513 H1
3516 B11
F432 I6
F433 G11
F434 G10
LED SPEED
LED ON/OFF
1460
Key2«
to/from Interface Board
UL Speedselect
UL Drawer in
UL Drawer out
UL SW Info
+5V
F435 G10
F436 H10
F437 I7
F438 H10
F440 I10
F442 I10
F444 I10
F452 G13
F456 H13
7416 I6
F400 F2
F401 F3
F402 F2
F403 F3
F462 D13
F463 D13
F464 D13
+5V
REC
to/from Key Board
COPY
1307
F465 D13
F466 D13
F427 G4
F428 F10
F429 F11
F430 G10
F431 G11
F457 I13
F458 F13
F459 I13
F460 I13
F461 I13
Power Down
12
5678910111213143412
Reset
LED blue
LED red
H
I
E
F
G
A
B
C
D
H
I
1414 G13
1415 F13
1416 H13
1400 E9
1413 F1
1417 D13
1418 A13
6400
BZX79-B3V3
SHUFFLE
1439
1
2
3
4
5
6
1
2
3
4
5
6
7
8
FE-ST-VK-N
1417
1413
FE-BT-VK-N
D
100K
3442
3509
10K
10K
3508
10n
2410
D
65 14
10
11
1513
4
8
6
27
26
25
24
23
30
29
28
34
1663 8999 82 81
80
79
22
21
20
19
18
17
12
33
7
3
5
4847
84
46454443424140393837
83
3635
64
62
61
60
59
58
57
85
56
55
545352515049
87
78
77
76
75
74
73
72
71
70
69
86
68
67
66
98 96 95 94 93 92 91 90 100
97 32931
1
2
88
7414
2412
1424
10n
1415
EH-B
1
2
1n
2404
3522
100R
3485
470R
100R
3523
3408
68K
D
F462
1K
3440
DISPLAY
1438
F444
F427
3466
270R
3467
390R
3475
10K
D
F460
F455
F453
100R
3521
F465
ERASE CD
1436
D
3516
2R2
F407
3427
470R
1428
<<
CDR
47p
2426
341268K
D
10K
3478
CSTS
1400
3420
1K
3524
100R
220R
3461
F422
D
3445
470R
D
68K
3410
150R
3480
COPY
1435
F414
+5V
BC847B
7416
3425
470R
3455
1K2
D
2423
47p
F410
4K7
3496
D
2
3
4
D
470R
3513
to_LIGHTGUIDE_PCB
FMN
1414
1
F405
3495
10K
GNDK2GNDK0
390R
3429
470R
3451
270R
3452
68K
3403
470R3430
D
3454
820R
F406
F408
3494
2K7
3402
68K
470R
3446
470R
3444
68K
3404
2K7
3460
GNDK2
F434
D
D
2406
100n
D
68K
3400
D
3456
1K8
6K8
3488
D
470R
3477
D
3459
150R
F416
F421
560R
3464
D
F418
D
F431
D
F425
2420
10n
22u
2413
3453
560R
3406
10K
3457
3K9
BC847B
7406
2408
15p
6431
LST770-KL
(red)
LST770-KL
(red)
4K7
3518
3473
220K
1N4148
6434
3487
4K7
100n
2416
D
D
F412
1n
2422
2400
100n
BC847B
7413
3438
100R
F400
3443
470R
3405
68K
MT
4
OUT
1
2
VSUP
4K7
3486
7403
GND
3
220R
3423
470n
2411
10K
3506
3465
220R
7412
BC847B
F432
F437
2415
47u
6429
1n
2405
150R
3479
F440
REC
1434
5400
2u2
F417
F401
F452
F402
F454
GNDK1
3519
4K7
GNDK1
D
3448
470R
F404
11
12
13
14
15
2
3
4
5
6
7
8
9
8
VCC
4
VSS
7
WC_
FFC
1418
1
10
M24C01
7409
1
E0
2
E1
3
E2
6
SCL
5
SDA
470R
3484
F461
2R2
3474
D
D
1422
3517
4K7
2K7
D
F438
3449
F419
470R
3434
F423
1423
47u
2414
3428
470R
GNDK0
470R
3435
F433
ALBUM -
CDR
ALBUM +
CDR
ALBUM +
CD
ALBUM -
CD
1432
F457
1433
470R
3436
47p
2424
270R
3462
F403
INPUT
1441
F428
F459
3510
10K
D
D
220R
F463
1K
3421
3450
3401
68K
F430
3426
1K
F409
2407
100n
F413
D
D
F415
470R
3447
100R
3424
F436
3505
470R
KEY LIGHTING
D
F424
F435
3458
D
D
10K
D
1429
CDR
>>
220K
3472
1427
>>
CD
<<
CD
PLAY/PAUSE
CDR
1425
15p
2409
47u
2418
F442
D
F456
F464
FE-ST-VK-N
1416
1
2
3
4
5
6
+5V
470R
3437
F429
1K
3499
F426
4K7
3520
D
F411
BC847B
7405
789
10K
3439
40414243444546474849 550515455 624252627282930313233343536373839 10111213141516171819
2
20212223
D
7402
1
F466
68K
3413
2401
2n2
390R
3463
3433
220R
1K
3471
D
F420
F458
1426
STOP CDR
470R
3431
I2C_Data_CDR
I2C_Clk_CDR
RESET
+uP
LED_REC
LED_ON_OFF
LED_Speed
Key0
+5VST
GND
+uP
PDWN
P34
G8
G6
G4
G2
G1
G7
P11
P13
P15
P17
P19
P21
P22
P24
P26
P28
P30
P32
LED_DRAWER_REC
LED_DRAWER_CDR
G3
G4
G2
G1
-30V
IRQ_CDR
P3
P4
P5
P6
P7
P8
P17
P18
P19
P20
P21
P22
P23
P24
P25
P26
P27
P28
P29
P30
P31
P32
P33
P34
G8
G6
G5
P2
P4
P6
P9
P23
Key2
Fan
LED_DRAWER_CDR
LED_COPY
NTC
+5V
LED_COPY
Key1
Key2
Key0
+uP
P1
P2
I2C_Data_CDR
I2C_Clk_CDR
+uP
+uP
+uP
+5VST
+uP
+uP
+uP
UL_SW_Info
UL_Drawer_out
UL_Drawer_in
UL_Speedselect
LED_Speed
LED_ON_OFF
UL_Speedselect
Key0
Key1
P7
P8
P10
P12
P14
P16
P18
P20
P25
P27
P29
P31
P33
G7
G5
G3
GND-Key
+5V
Reset_CDR
+uP
-F
-F
+F
+F
PDWN
Fan
Fan
Power_ON
Power_ON
GND
GND
UL_Drawer_in
UL_Drawer_out
UL_SW_Info
LED_REC
Power_ON
IRQ_CDR
LED_DRAWER_REC
I2C_Clk_CDR
Reset_CDR
I2C_Data_CDR
+5V
+uP
P1
P3
P5
+uP
-30V
+F -F
+5VST
+uP
-30V
RESET
FLASH RESET to 1413
P11
P12
P13
P14
P15
P16
P9
P10
+5V_ever
+5VST
+5V
NTC
NTC
-30V
-30V
PORT 5
P50
P51
P52
P53
P54
P55
P56
P57
P101
P102
P103
P104
P105
P106
P107
P94
PORT P4 PORT P3 PORT P2
PORT P1
P95
P96
P97
P60
P61
P62
P63
P64
P65
P66
P67
P100
P93
P92
P91
P90
PORT P8
P87
P32
P34
P35
P36
P33
P00
P30
FTD DRIVER
RAM
P31
PORT P0
P85
P86
P47
P46
P45
P44
P43
P42
P41
P40
P02
P03
P01
PORT P6PORT P10
PORT P9
P04
P05
P06
P84
P83
P82
P81
P80
PORT 7
P77
P76
P75
P74
P73
P72
P71
P70
P27
P26
P25
P24
P23
P22
P21
P20
P37
P07
P10
P11
P12
P13
P14
P15
P16
P17
VREF
VSS1
VSS2
XCIN
XCOUT
XIN
XOUT
SIN2
SOUT2
SRDY2
SSTB2
TA0IN|TA3OUT
TA1IN|TA4OUT|TXD1
TA2IN|TA0OUT|RXD1
TA3IN|TA1OUT|CLK1
TA4I|TA2O|CTS1|RTS1|CLSK1
TB0IN
TB1IN
TB2IN
TXD0|FLD52
VCC1
VCC2
VEE
FLD5
FLD50
FLD51
FLD6
FLD7
FLD8
FLD9
INT0_
INT1_
INT2_
INT3_
INT4_
INT5_
RESET_
RXD0|FLD53
SBUSY2
SCLK21
FLD36
FLD37
FLD38
FLD39
FLD4
FLD40
FLD41
FLD42
FLD43
FLD44
FLD45
FLD46
FLD47
FLD48
FLD49
FLD21
FLD22
FLD23
FLD24
FLD25
FLD26
FLD27
FLD28
FLD29
FLD3
FLD30
FLD31
FLD32
FLD33
FLD34
FLD35
CTS0|RTS0|FLD55
DA0|CLKOUT|DIMOUT
DA1|SCLK22
FLD0
FLD1
FLD10
FLD11
FLD12
FLD13
FLD14
FLD15
FLD16
FLD17
FLD18
FLD19
FLD2
FLD20
M30218MAFP
AN0
AN1
AN2
AN3
AN4
AN5
AN6
AN7
AVCC
AVSS
CLK0|FLD54
CNVSS
ROM
CPU
CLOCK
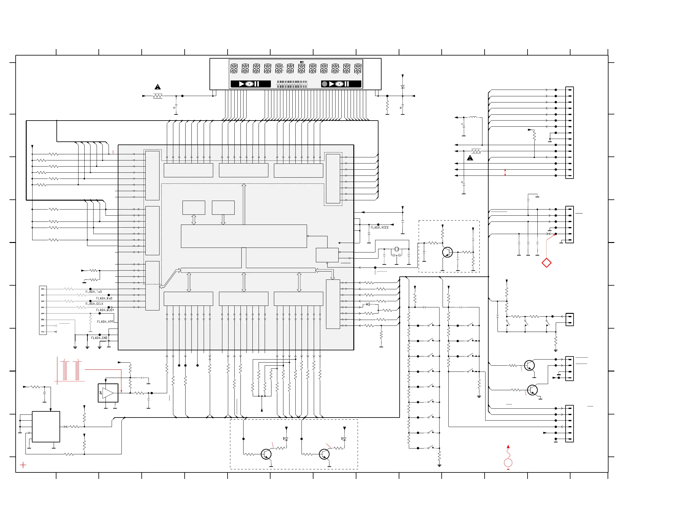
Display CDR79x, 260302
STEP ALBUM MP3PLAYLIST TOTAL REM REC TRACKTRACKTIME TIME
REP TRACK DISC ALL PROG SHUFF
CDTEXT
EDIT
CD RECORDER
L
R
CD PLAYER
8X4X
2X1X
LINEDIG
OPT MIC
REC
CD RW
FINALIZE
EVM
. . . V
V
DC VOLTAGES MEASURED IN
STOP MODE
UNLESS STATED OTHERWISE
... /...V on/off
4,8V
4,8V
5V
5V
5V
5V
5V
5V
5V
5V
3,3V
5/0V
5/0V
5/0V
5/0V
5/0V
5/0V
-12V
-12V
5V
5V
5V
5V
typ. 5V
typ. 5V
typ. 5V
5V
5V
5V
3V at 22 C
(switching threshold
typ. 2,1V on, 2,3V off)
5V
5V
4,9/0V
4,5V
5V
3,3V
5V
5V
5 –0,25V
-29,3 –2,2V
typ. -25V
typ. -20V
5 –0,25V
typ. -30V
0V
5V
5V
5/0V
5V
3V
2,5V
5V
5V
2,3V
-27V
-27V
-27V
-27V
-27V
-27V
-27V
-27V
-27V
-27V
-27V
2,5V
-12V
-12V
-12V
-12V
-12V
-12V
-12V
-12V
-12V
-12V
-12V
-12V
-12V
-12V
-12V
-12V
-12V
-12V
-12V
-12V
-12V
-12V
-12V
-12V
-12V
-12V
-12V
-12V
-12V
-12V
-12V
-12V
-30V
5V
5V
5V
5V
0V
Communication
0,7/0V
0,7/0V
pins 41-88 measured in
ServiceTestprogram - DISPLAY TEST
(all segments and flags on)
Use service testprogram: QUARTZ TEST
oscillator frequency can be measured
at this point (10 MHz. divided to 1220 Hz)
f
o
4,8 –0,45V
floating
0,8/0V
4,9/0V
4,7/0V
0,4V
5V
0V
1,6V
0V
5V
5V
0,8/0V

Related product manuals