EasyManua.ls Logo

Philips DVDR3545V/37 - Page 33

Philips DVDR3545V/37
127 pages
Print Icon
To Next Page IconTo Next Page
To Next Page IconTo Next Page
To Previous Page IconTo Previous Page
To Previous Page IconTo Previous Page
Loading...
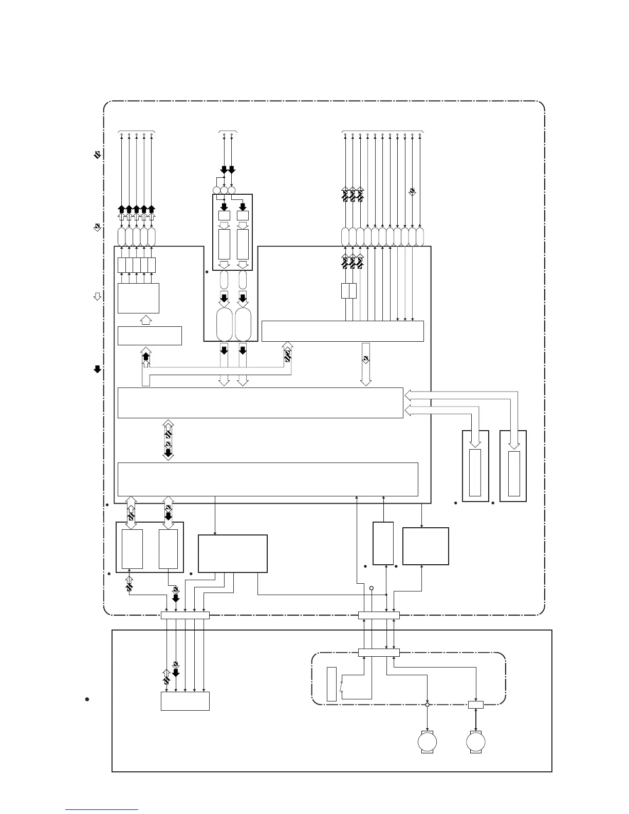
1-12-3
Digital Signal Process Block Diagram
IC101
FRONT-END
DIGITAL
SIGNAL
PROCESS
IC201
RF/
ERROR AMP
IC301
MOTOR
DRIVER
MOTOR
DRIVER
IC202
OP AMP
IC302
DVD MAIN CBA UNIT
MD
MC
BCK
DATA
LRCK
SYSCLK
F2
J3
K5
F1
Y26
U24
K2
K1
N4
M3
AIMS
E12
T23
VIDEO-Y(I/P)
VIDEO-C
VIDEO-Pb/Cb
VIDEO-Pr/Cr
D/A
D/A
D/A
D/A
AUDIO
I/F
VIDEO
ENCODER
BACK-END
DIGITAL
SIGNAL
PROCESS
VIDEO
I/F
TRAY OPEN
CN201
DVD MECHANISM
TILT
TRACKING
FOCUS
PICK
-UP
SLED
MOTOR
M
REC VIDEO SIGNAL PB VIDEO SIGNAL REC AUDIO SIGNAL PB AUDIO SIGNAL
LPC
LPC
(MAIN MICRO CONTROLLER)
CN1001
SPINDLE
MOTOR
M
CN1002
RELAY CBA
CN301
+3.3V
VIDEO-Y
/CVBS
VIDEO-C
IC701 (VIDEO DECODER)
DECODER A/D
45-50
U4,W1,W3,
Y2,AA1,AA2
DECODER
A/D
39-44
P3,T3,T5,
U2,U3,V1
10
8
13
M5
VIDEO-Y(I)
D/A
SPDIF
DVD-AUDIO-MUTE
DVD-AUDIO-MUTE
AUDIO (L)-OUT
AUDIO (R)-OUT
P1
D1
D3
IC104 (FLASH MEMORY)
FLASH MEMORY
IC102 (DDR SDRAM)
DDR SDRAM
D/A
D/A
TO VIDEO
OUTPUT
SELECT
BLOCK
DIAGRAM
TO VIDEO
INPUT
SELECT
BLOCK
DIAGRAM
TO AUDIO
INPUT/
OUTPUT
SELECT
BLOCK
DIAGRAM
E9H90BLD
“ “ = SMD

Other manuals for Philips DVDR3545V/37

Related product manuals