EasyManua.ls Logo

Philips DVDR3545V/37 - Page 37

Philips DVDR3545V/37
127 pages
Print Icon
To Next Page IconTo Next Page
To Next Page IconTo Next Page
To Previous Page IconTo Previous Page
To Previous Page IconTo Previous Page
Loading...
1-12-7
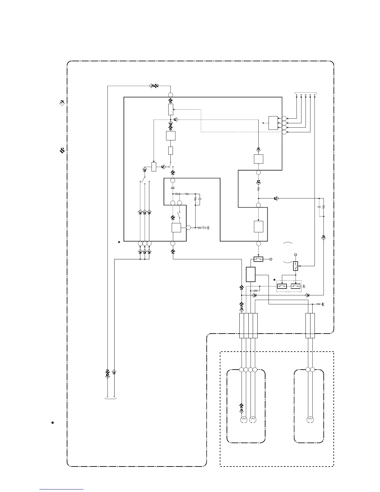
Audio Block Diagram
REC
AMP
SERIAL
I/F
9
8
AUTO
BIAS
11
P-ON+5V
P-ON+5V
Q1421
BIAS
OSC
Q1422
Q1426
(PB=ON)
Q1425
SWITCHING
D-REC OFF
6
EQ
AMP
LINE
AMP
MUTE
LPF
10
SP/LP-ON
P
R
ALC
(AUDIO PROCESS)
76
80
78
TUNER
LINE 1
LINE 2
4
AUDIO-PB/REC
CN1504
3 A-COM
1 AE-H
2 AE-H/FE-H
AUDIO
HEAD
AUDIO
ERASE
HEAD
AC HEAD ASSEMBLY
FE HEAD
(DECK ASSEMBLY)
1 FE-H
2 FE-H-GND
CN1501
MAIN CBA
PB-AUDIO SIGNAL REC-AUDIO SIGNAL
58 55 53 54
D-REC
AUDIO-MUTE
TO SYSTEM
CONTROL BLOCK
DIAGRAM
FULL
ERASE
HEAD
YCA-CS
YCA-SCL
YCA-SDA
IC1301
N-A-OUT
N-A-IN
TO Hi-Fi AUDIO
BLOCK DIAGRAM
3 2
4
5
E9H90BLA
“ “ = SMD

Other manuals for Philips DVDR3545V/37

Related product manuals