EasyManua.ls Logo

Philips DVDR3545V/37 - Page 38

Philips DVDR3545V/37
127 pages
Print Icon
To Next Page IconTo Next Page
To Next Page IconTo Next Page
To Previous Page IconTo Previous Page
To Previous Page IconTo Previous Page
Loading...
1-12-8
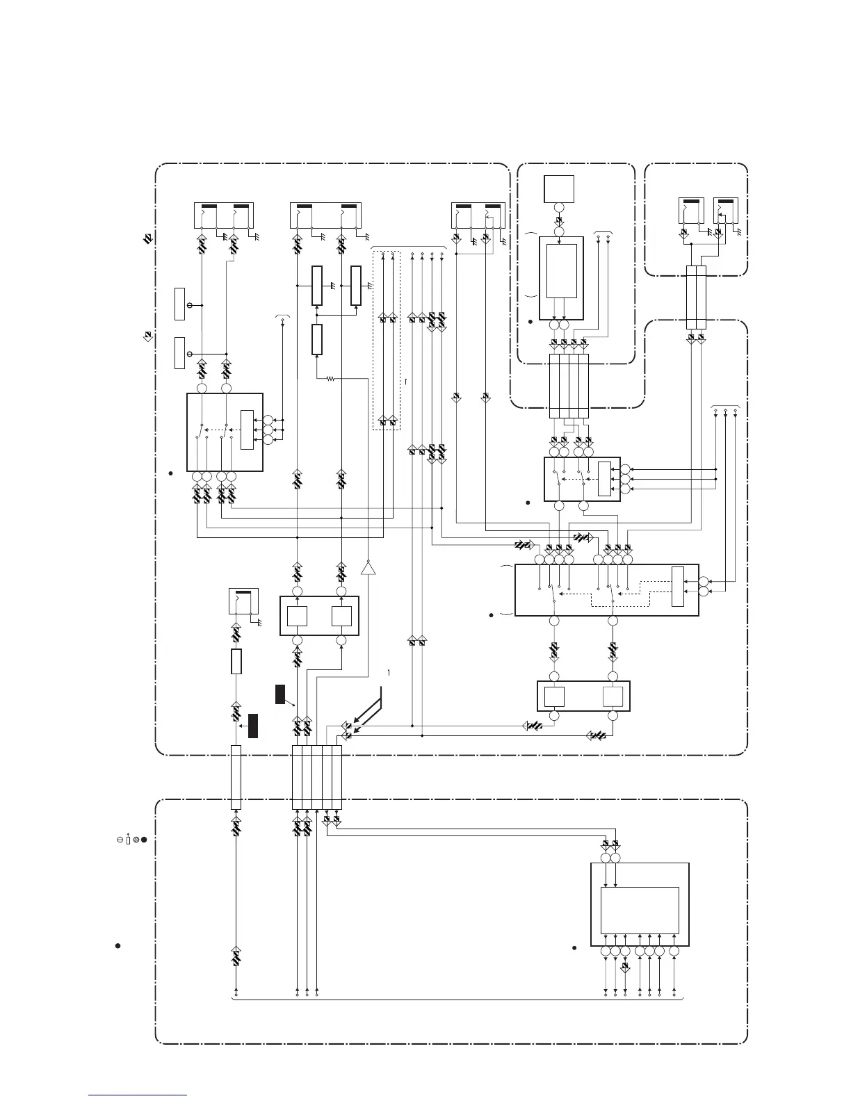
Audio Input/Output Select Block Diagram
DIGITAL
AUDIO OUT
(COAXIAL)
OUTPUT-SELECT
JK2202 (REAR)
JK2805 (REAR)
AMP
Q2351
Q2804
Q2807
Q2806
AUDIO(L)
-OUT1
MAIN CBA
FRONT JACK CBA
TUNER CBA
AUDIO(R)
-OUT1
JK2801
AUDIO(L)
-IN2
AUDIO(R)
-IN2
JK2800
JK2804 (REAR)
AUDIO(L)
-IN1
AUDIO(R)
-IN1
LINE(R)-OUT
LINE(R)-IN
LINE(L)-OUT
LINE(L)-IN
DVD-AUDIO(R)
DVD-AUDIO(L)
66
AUDIO(L)-IN2
88
AUDIO(R)-IN2
(
OP AMP
)
IC2803
OP
AMP
OP
AMP
OP
AMP
OP
AMP
1
7
2
6
IC2801
3
4
2
15
5
11
1
12
14
MUTE-ONDRIVE
Q2805
MUTE-ON
9 10
CN2204
CN2201
IN1
TU
IN2
(L-CH)
IN1
IN1
IN1
TU
IN2
(R-CH)
SW CTL
AUDIO-SW2
AUDIO-SW1
TO SYSTEM CONTROL
BLOCK DIAGRAM
SW CTL
(OP AMP)
IC2804
(OUTPUT SELECT)
IC2406
6
2
7
1
JK2751 (REAR)
AUDIO(L)
-OUT2
AUDIO(R)
-OUT2
TO SYSTEM CONTROL
BLOCK DIAGRAM
TO Hi-Fi AUDIO
BLOCK DIAGRAM
CN2609
CN2605
REC AUDIO SIGNAL PB AUDIO SIGNAL
12
13
5
3
14
4
DVD PB (DVD VCR DUBBING)
TP754
A-OUT-L
TP753
A-OUT-R
WF10
WF9
9 10 11
DVD MAIN CBA UNIT
33SPDIF
17 17
AUDIO(L)-OUT
15 15
AUDIO(R)-OUT
18 18
DVD-AUDIO-MUTE
11 11
AUDIO(L)-IN
13 13
AUDIO(R)-IN
TO DIGITAL
SIGNAL
PROCESS
BLOCK
DIAGRAM
IC802
(AUDIO A/D CONVERTER)
AUDIO A/D
CONVERTER
7
8
9
13
14
6
SPDIF
CN101
CN701
BCK
DATA
LRCK
SYSCLK
AIMS
MC
MD
AUDIO(L)-OUT
AUDIO(R)-OUT
DVD-AUDIO-MUTE
R-CH
L-CH
10
11
12
13
11 11
ATU-AUDIO(L)
13 13
ATU-AUDIO(R)
CN2610
CN5007
L-CH
R-CH
SW CTL
(INPUT SELECT)
IC5002
13
12
3
5
14
4
9 10 11
DTV/ANALOG
DTV-AUDIO(L)
TO DTV MODULE
BLOCK DIAGRAM
DTV-AUDIO(R)
17 17
DTV-AUDIO(L)
15 15
DTV-AUDIO(R)
MTS/SAP
AUDIO SIGNAL
PROCESS
SIF
IC5001
TU5001
MTS/SAP AUDIO
SIGNAL PROCESS
30
29
21 3
(TUNER UNIT)
AUDIO INPUT
SELECT
VCR PB
(VCR DVD DUBBING)
“ “ = SMD
E9H90BLAS
TEST POINT INFORMATION
:INDICATES A TEST POINT WITH A JUMPER WIRE ACROSS A HOLE IN THE PCB.
:USED TO INDICATE A TEST POINT WITH A COMPONENT LEAD ON FOIL SIDE.
:USED TO INDICATE A TEST POINT WITH NO TEST PIN.
:USED TO INDICATE A TEST POINT WITH A TEST PIN.

Other manuals for Philips DVDR3545V/37

Related product manuals