EasyManua.ls Logo

Philips DVP3350V - Page 38

Philips DVP3350V
126 pages
Print Icon
To Next Page IconTo Next Page
To Next Page IconTo Next Page
To Previous Page IconTo Previous Page
To Previous Page IconTo Previous Page
Loading...
3-23 3-24
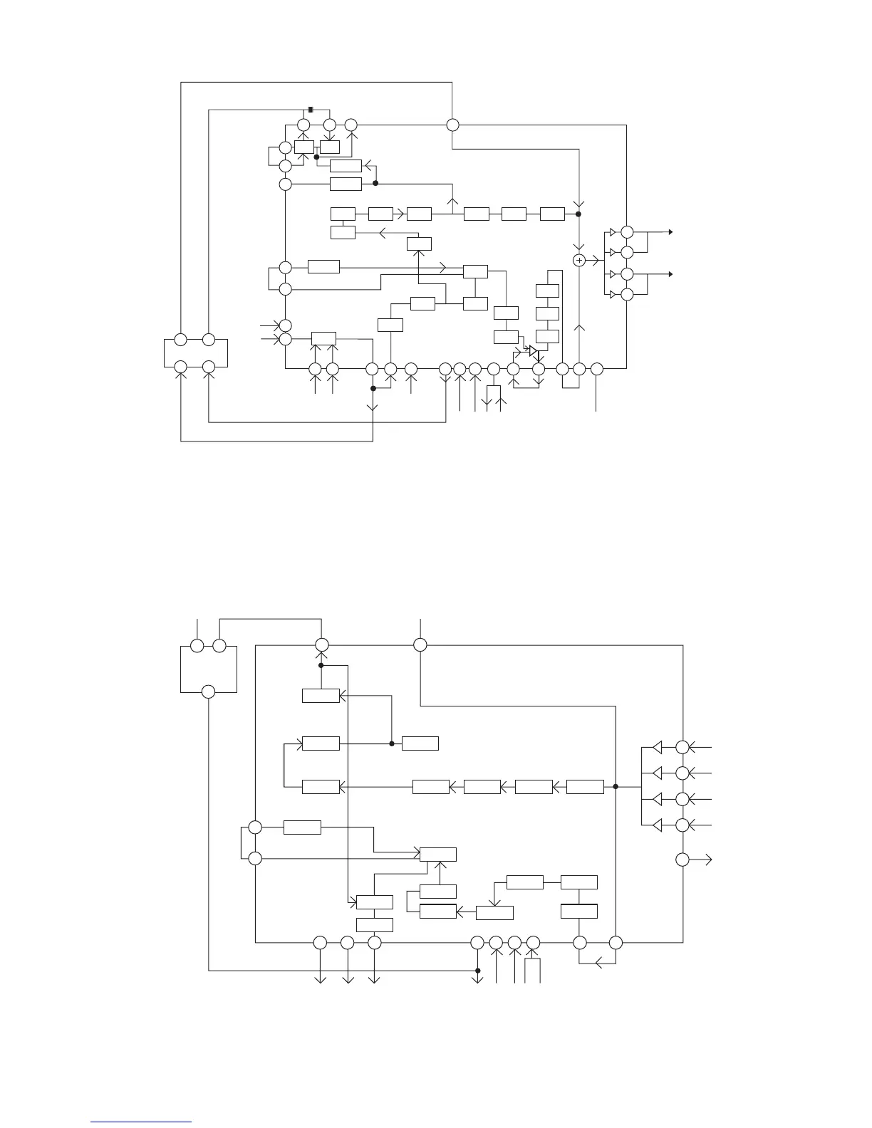
4. Y/C BLOCK DIAGRAM
90
93
96
84V.ENV
87
70
V.H.SW
C.ROTARY
DATA
CLOCK
C.SYNC
V.OUT
(MICOM)
S2 V.OUT
S1 V.OUT
SYNC IN
69 68 67
C-Delay
(1H/2H)
BPF
MAIN
CONV
ACCC LPF
CCD
LPF
ACC
DET
CNC
2521
IC201
LA70100M
IC301
LA71750M
29
18 14
PB FM EQ FM OEM
PB FM
AGC
MAIN
DE EMP
Y-LPF
YNR
SUB LPF
60dB AMP
Y/C MIX
65 63 61
46
43
Y-Delay
79 78
(PB Mode)
80
REC'H'
V.H.SW
C.ROTARY
DATA
CLOCK
C SYNC
V.OUT
MICOM
V.IN4
FRONT
V.IN3
DEC
79 78 76 75 70 69 68 67 65 59 58 54 52
50 V.IN2 S1
V.IN1 TUNER
48
46
43
33
32
31
CLK-IN
2928
4.43MHz
2721
95
94
89
88
Killer C-LPF ACC
BPF
Main
Conv
Main
Conv
DETAIL
ENH
NL
EMPHA
W/D
CLIP
IC301
LA71750M
LP REC
SP REC
(To Drum)
(To Drum)
W/D
CLIP
REC
FM EQ
Y-LPF FBC
AGC
SW
Y-DELAY
KILL DEC
REC APC
VX02 VX02
COMP
AMP
1H/2H
DELAY
YNR
29 16
2 12
IC201 LA70100M
COMBI SCART
(REC Mode)

Table of Contents

Other manuals for Philips DVP3350V

Related product manuals