EasyManua.ls Logo

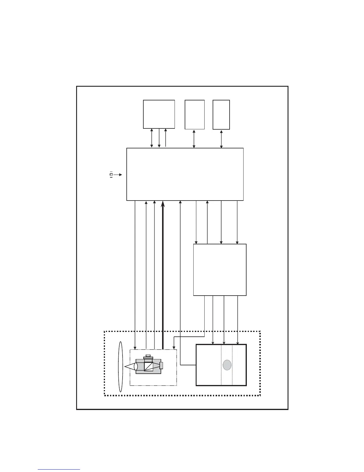
Philips DVP3350V - Servo Block Diagram

Philips DVP3350V
126 pages
Print Icon
To Next Page IconTo Next Page
To Next Page IconTo Next Page
To Previous Page IconTo Previous Page
To Previous Page IconTo Previous Page
Loading...
3-85
IC201
AM5869S
Motor Dr
iver
DVD: A,B,C,D, RF
CD: A,B,C,D, E,
F,RF
MOT_SPDL
+/-
X601
IC601
ZR36882ELCG
MPEG / DSP/RF
FOCUS_S, TRACK_S,
SLED_S, SPINDLE_
S,
SPDL_
SENS +/-
FACT +/-, TACT +/-
SLED +/-
LOAD +/
-
27MHz
X-TA
L
DVD_LD, CD_LD , VR_CD , VR_DVD
PICKSEL
HOMESW,INSW,OUTSW
DRVSB
FLASH
RO
M
FLASHCS-
MEMRD-
MEMWR-
MEMDA[0:15
]
MEMAD[0:19]
EEPROM
SCL, SDA
CN601
DOWNLOAD
RXD, TXD
M D
DISC
CD_MD, DVD_
MD
OPEN ,CLO
SE
2. SERVO BLOCK DIAGRAM

Table of Contents

Other manuals for Philips DVP3350V

Related product manuals