EasyManua.ls Logo

Philips DVP620VR/00 - Page 149

Philips DVP620VR/00
398 pages
Print Icon
To Next Page IconTo Next Page
To Next Page IconTo Next Page
To Previous Page IconTo Previous Page
To Previous Page IconTo Previous Page
Loading...
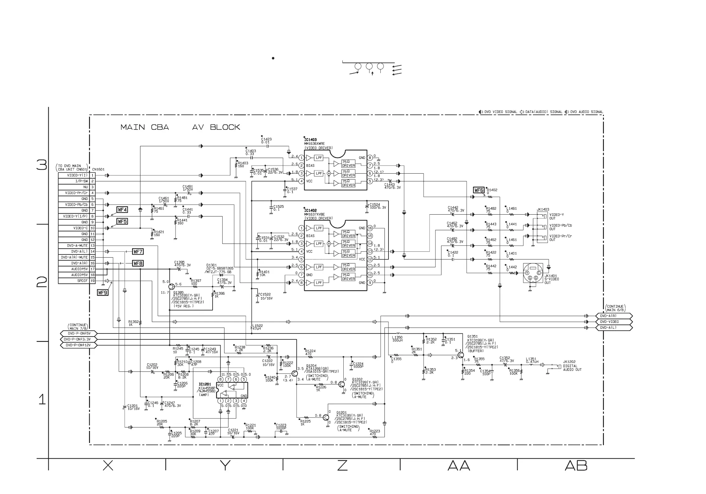
Main 5/8 Schematic Diagram < VCR Section >
1-12-15
1-12-16
H9622SCM5
ā€œ ā€œ = SMD
Voltage indications for PLAY, REC and DVD modes
on the Schematic Diagrams are as shown below:
1 2 3
5.0
(2.5)
<
0
>
~
5.0
THE SAME VOLTAGE FOR
PLAY,REC & DVD MODES.
INDICATES THAT THE VOLTAGE
IS NOT CONSISTENT HERE.
PLAY MODE
REC MODE
DVD MODE
www.freeservicemanuals.info

Table of Contents

Related product manuals