EasyManua.ls Logo

Philips DVP620VR/00 - Page 40

Philips DVP620VR/00
398 pages
Print Icon
To Next Page IconTo Next Page
To Next Page IconTo Next Page
To Previous Page IconTo Previous Page
To Previous Page IconTo Previous Page
Loading...
1-12-13
1-12-14 H9720SCM5
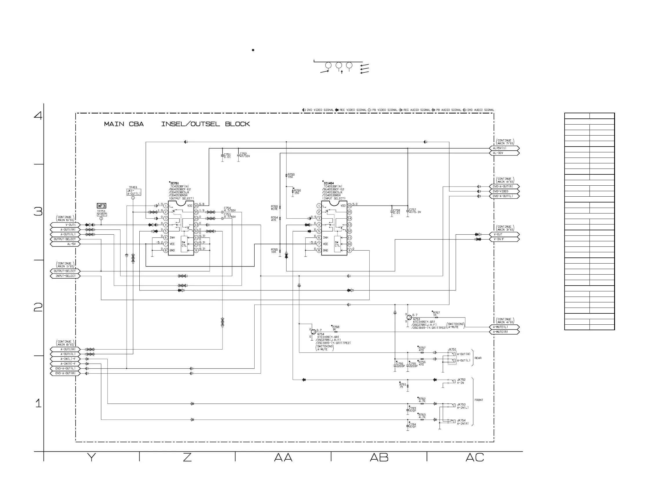
Main 5/10 Schematic Diagram < VCR Section >
ā€œ ā€œ = SMD
Voltage indications for PLAY, REC and DVD modes
on the Schematic Diagrams are as shown below:
1 2 3
5.0
(2.5)
<
0
>
~
5.0
THE SAME VOLTAGE FOR
PLAY,REC & DVD MODES.
INDICATES THAT THE VOLTAGE
IS NOT CONSISTENT HERE.
PLAY MODE
REC MODE
DVD MODE
MAIN 5/10 Schematic Diagram
Parts Location Guide
Ref No. Position
C751 Z-4
C752 AA-4
C753 Z-3
C754 Z-3
C755 AB-1
C756 AB-1
C757 AB-3
C758 AB-3
C783 AB-1
C784 AB-1
IC751 Z-3
IC1404 AA-3
Q753 AB-2
Q754
AA-2
R756 AB-1
R757
AB-2
R759 AA-3
R760 AA-3
R761 AB-1
R762 AB-1
R763
AB-1
R764 AA-3
R765 AA-3
R767 AC-2
R768 AB-2
R769 AA-3
JK751 AC-2
JK752 AC-1
JK753 AC-1
JK754 AC-1
TP401 Y-3
TP751
Y-3
ICS
RESISTORS
MISCELLANEOUS
TEST POINT
CAPACITORS
TRANSISTORS
www.freeservicemanuals.info

Table of Contents

Related product manuals