EasyManua.ls Logo

Philips DVP620VR/00 - Page 47

Philips DVP620VR/00
398 pages
Print Icon
To Next Page IconTo Next Page
To Next Page IconTo Next Page
To Previous Page IconTo Previous Page
To Previous Page IconTo Previous Page
Loading...
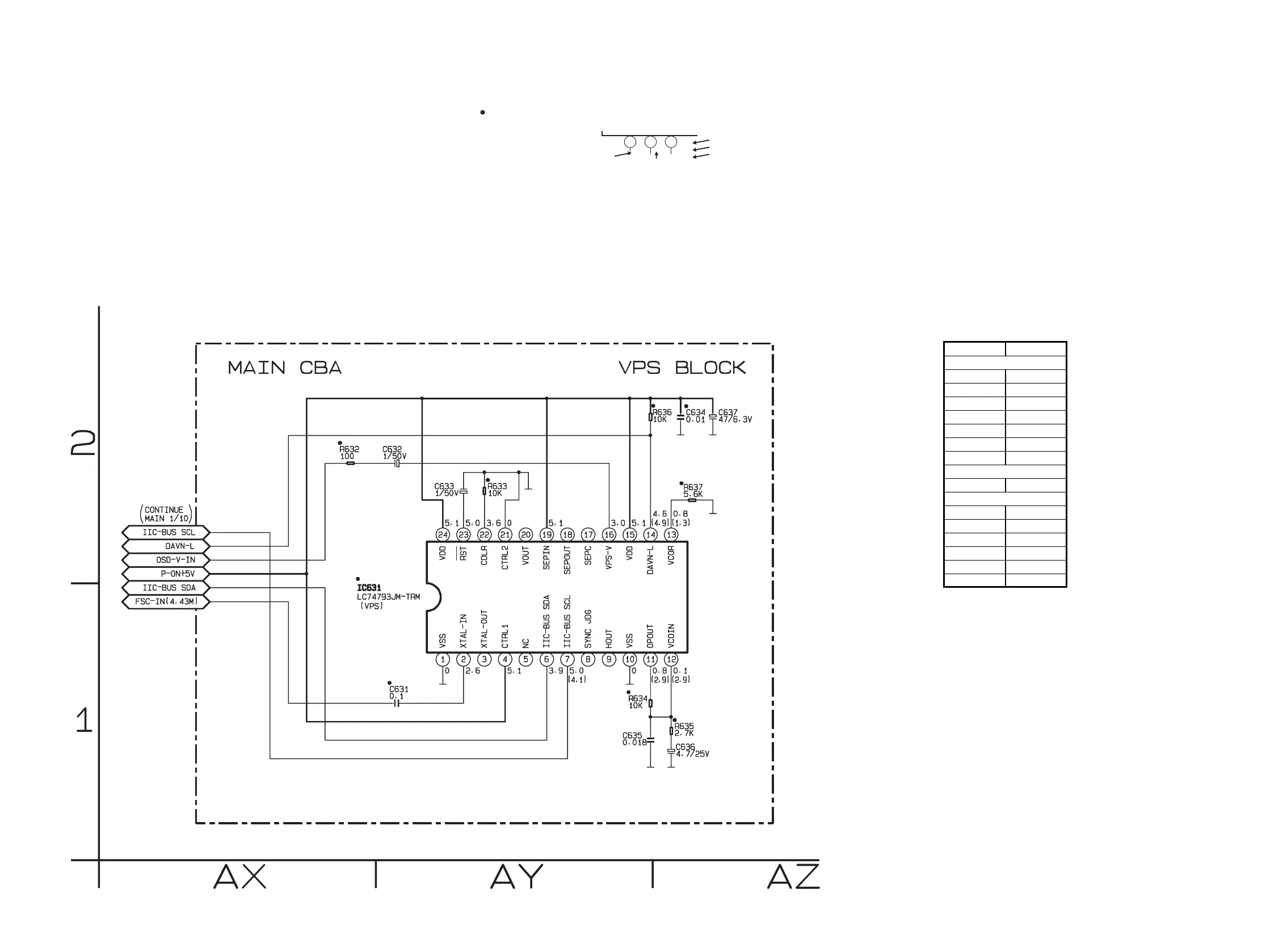
Main 10/10 Schematic Diagram < VCR Section >
1-12-25 1-12-26 H9720SCM10
ā€œ ā€œ = SMD
Voltage indications for PLAY, REC and DVD modes
on the Schematic Diagrams are as shown below:
1 2 3
5.0
(2.5)
<
0
>
~
5.0
THE SAME VOLTAGE FOR
PLAY,REC & DVD MODES.
INDICATES THAT THE VOLTAGE
IS NOT CONSISTENT HERE.
PLAY MODE
REC MODE
DVD MODE
MAIN10/10 Schematic Diagram
Parts Location Guide
Ref No. Position
C631 AY-1
C632 AY-2
C633 AY-2
C634 AZ-2
C635 AY-1
C636 AZ-1
C637 AZ-2
IC631 AY-1
R632 AX-2
R633 AY-2
R634 AY-1
R635 AZ-1
R636 AY-2
R637
AZ-2
IC
RESISTORS
CAPACITORS
www.freeservicemanuals.info

Table of Contents

Related product manuals