EasyManua.ls Logo

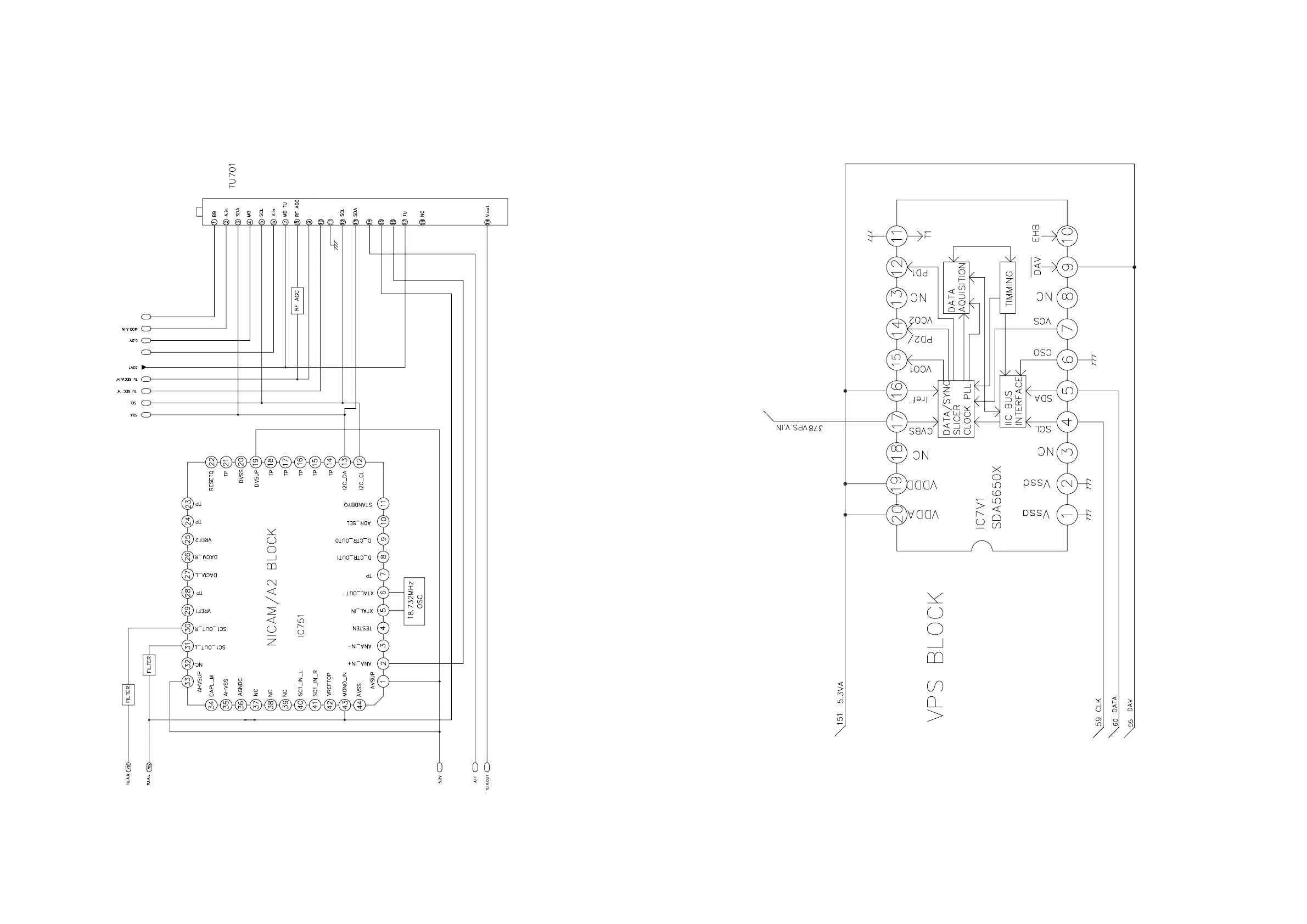
Philips DVP721VR - Tu;If, NICAM & A2 BLOCK DIAGRAM; Vps Block Diagram

Philips DVP721VR
119 pages
Print Icon
To Next Page IconTo Next Page
To Next Page IconTo Next Page
To Previous Page IconTo Previous Page
To Previous Page IconTo Previous Page
Loading...
3-22 3-23
3. VPS BLOCK DIAGRAM
Combi PHILIPS
VPC8007P1K's
2. Tu/IF, NICAM & A2 BLOCK DIAGRAM
(From Power)
159
27
731
60
59
93
94
158
872
159
871
151 5.4VA
S.V.W
MSP3417
MSP3407
SW1
SW2
AS
A.OUT
AFT
SIF

Table of Contents

Related product manuals