EasyManua.ls Logo

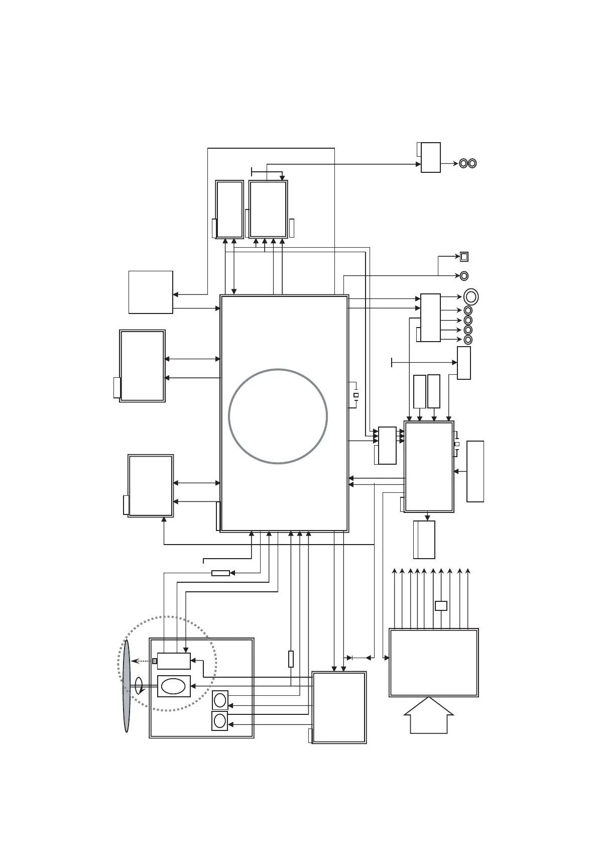
Philips DVP721VR - Block Diagrams; Overall Block Diagram

Philips DVP721VR
119 pages
Print Icon
To Next Page IconTo Next Page
To Next Page IconTo Next Page
To Previous Page IconTo Previous Page
To Previous Page IconTo Previous Page
Loading...
3-75
BLOCK DIAGRAMS
1. Overall Block Diagram
M
M
DISC
SPINDLE
MOTOR
LOADING
MOTOR
DECK MECHANISM
DVD : A,B,C,D,RF0
CD : A,B,C,D,E,F,RF0
CDMDI,DVDMDI
PICK
UP
KEY Input
6MHz
B/Pb
IC602
MX29LV160T
2/4M
16/32BIT
FLASH ROM
M-RESET
ROMAD[0:
19]
ROMRD
ROMWR
MD[00:15]
L/R
CVBS
R/Pr G/Y
TV_DAC[0:3]
Y
C
L/R
VF+
AC 90V~240V
50HZ/60Hz
VF-
-27VA
5V
VD33,VD33D
12V
27MHz
PWRCTL
3.3V-M1
IC606
S524A40X21
EEPROM
RC601
R/C
IC505
RESET IC
LOAD[+,-]
FOCUS[+,-]
TRACK[+,-]
SPINDLE[+,-]
SLED
(FEEDING)
MOTOR
SLED[+,-]
M
VD33D
VD33D
VD18/VD33
3V3M
VD33D/5V
BCLK
LRCLK
DACCLK
IC901
MM1623XFBE
VIDEO BUFFER
RS232_TXD
IECDAOUT
COAXIAL
SPDIF
D2_T[1:3]
SCART_16:9
RGB_SEL
3V3M
CDLD,DVDLD,SVREF21
5V/8V
HOMESW
INSW,OUTSW
ROMDATA[0:7]
5.2VA
IC501
M_REQ
POWER
BOARD
VFD_RXD
S_REQ
5.2VA
8V
IIC/VFD/DAC_SCK
IC603
4M
16BIT
4Bank
SDRAM
VD33D
MA[00:11]
DMCLK
CSJ
BA0
BA1
DQM
WEJ
CASJ
RASJ
IIC/VFD/DAC_TXD
IC601
MTK MT1389
+12V
5V
5.2VA
YC_MIX
VIDEO_SW
SER3,DAC_ML0
OPEN,CLOSE,SLEGP,SPINDLE,FOCUS,TRACK,SVREF
DAC_RST
CD_DVD, VR_CD,VR_DVD
CD_DVD_CT
XSFGN,XSFGP
CN603
RS232
Download
RS232_RXD
3.3V
3.3V-M
U7
VD18
IC401
CS4392
2DAC
IC607
74HCT244
IC201
IP4504A
Motor Drive
DRVSB
OPU_SEL
JACK
TRIGGER
5.3VA
LED501
CLK DISPLAY
Pick-up
RF+
MPEG IC
IC602
MC4580
OP-AMP
+12V

Table of Contents

Related product manuals