EasyManua.ls Logo

Philips EM5.1E - Page 113

Philips EM5.1E
134 pages
Print Icon
To Next Page IconTo Next Page
To Next Page IconTo Next Page
To Previous Page IconTo Previous Page
To Previous Page IconTo Previous Page
Loading...
Circuit Descriptions, Abbreviation List, and IC Data Sheets
EN 113EM5.1E 9.
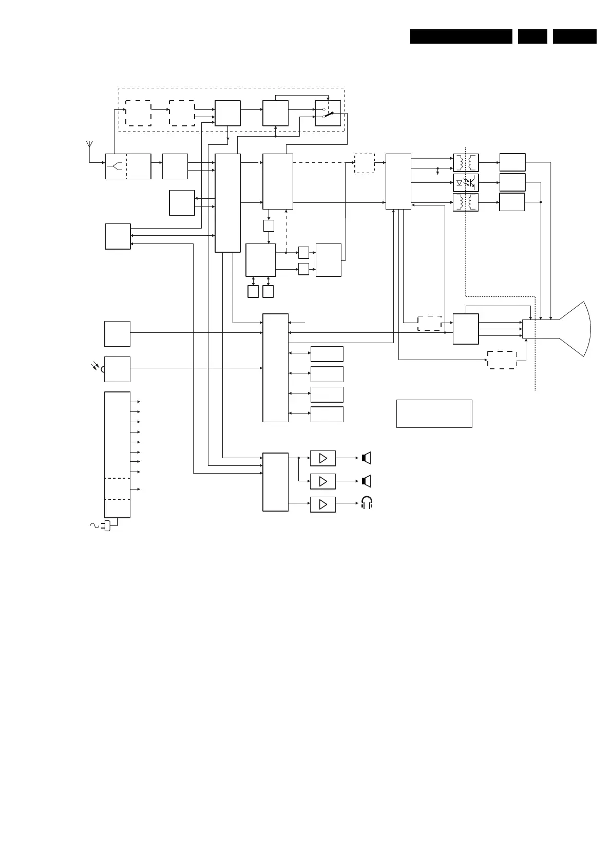
9.2 Block Diagram
Figure 9-1 Block diagram
The Tuner (item 1200) is a PLL tuner and delivers the IF-signal,
via audio & video SAW-filters, to the HIP (High-end Input
Processor). The HIP has the following functions:
IF modulation.
Video source- and record select.
Colour decoder.
Synchronisation.
Three SCART-connectors can be used:
SCART1 is fully equipped,
SCART2 is meant for VCR. Pin 10 is used for Easylink
(P50) and there is a possibility for Y/C in. The CVBS-out on
pin 19 is meant for WYSIWYR (What You See Is What You
Record).
SCART3 is a RGB/CVBS and audio L/R input. It can be
used as 2nd tuner input, in case of a 1-Tuner DW/PIP set.
The HIP delivers YUV and sync signals to the PICNIC. This IC
takes care of:
Analogue to Digital conversion and vice versa.
50 to 100 Hz conversion.
Panorama mode.
Noise reduction.
Dynamic contrast.
The '2fH features'-block in the diagram gives several options:
For Digital Scan, the PICNIC is required.
For Natural Motion, the FALCONIC is required.
For Pixel Plus, the EAGLE is required.
After the PICNIC the, now 100 Hz, YUV-signals are fed to the
FALCONIC for 'Natural Motion', followed by the Eagle for 'Pixel
Plus' enhancement (if present). The processed YUV signals
(from Eagle or PICNIC) are, together with the sync-signals from
the PICNIC, then fed to the HOP (High-end Output Processor).
This IC handles the video control and geometry part. The RGB-
signals for TXT/OSD (from the microprocessor) are also
inserted via the HOP. The video part delivers the RGB signals
to the CRT-panel and the geometry part delivers the H-drive, V-
drive, and a drive-signal for rotation.
Both deflection circuits are 'hot' and located on the LSP. They
are driven by the HOP. To make a galvanic separation, the Line
Drive is driven via transformer 5410 and the Frame Drive via
transformer 5621.The horizontal output stage generates some
supply voltages and the EHT-, focus- and Vg2-voltages.
The RGB amplifiers on the CRT-panel are supplied with 200 V
from the LOT.
VERT
HORZ
ROTATION
CRT
AUTO
SCAVEM
SCAVEM
R
G
B
TDA933X
HIP
YUV
H
A
/V
A
IF
FILTER
TUNER
PIP/DW MODULE
EXT
I/O
TOP
CNTRL
KEYBRD
TDA932X
SAA4978
SAA4992 T8F24EF
SAW
COMB
FILTER
TUNER
PIP/DW
UV13XX
F-TYPE
PICNIC
RGB
TILT
COLD HOT
HFB
FRAMEDRIVE-
FRAMEDRIVE+
CVBS-TXT
VIF IF
E/W
H
D
E/W
FLASH
RAM (EPG)
NVM
(PROGRAM)
DRAM
(TXT)
FLASH
RAM (SW)
OTC
(µP)
SAA5801
MSP
MSP34XX
TDA7490
IF
FILTER
DW
PROC.
VIF YUV
FBL
SIF
BOCMA
VIDEO
AUDIO
IR
RECEIVER
SUPPLY
VBAT (141V)
VSOUND (+/-16V)
EHT
180V
VTUN
+11V
+8V
+5V
+5V2 STANDBY
SIF
AUDIO-PIP
TDA7490
NJM4556
L/R
HP
L/R
HP
SW/C
RGB-TXT
HFB
V
SYNC
V
SYNC
HOP
MAINS 110V
CL 36532017_048.eps
240403
FALCONIC
FM
FM FM
5
2
FM
1
3
FM
4
EAGLE
TDA9178
YUV
OUT
YUV50
H
D100
/V
D100
YUV_EAGLE
OUT
TOPIC
*
**
*
DASHED ITEMS
ARE ONLY PRESENT
IN SETS WITHOUT "EAGLE"
LOW
POWER
STBY
POWER
ON/OFF

Related product manuals