EasyManua.ls Logo

Philips EM5.1E - Autoscavem

Philips EM5.1E
134 pages
Print Icon
To Next Page IconTo Next Page
To Next Page IconTo Next Page
To Previous Page IconTo Previous Page
To Previous Page IconTo Previous Page
Loading...
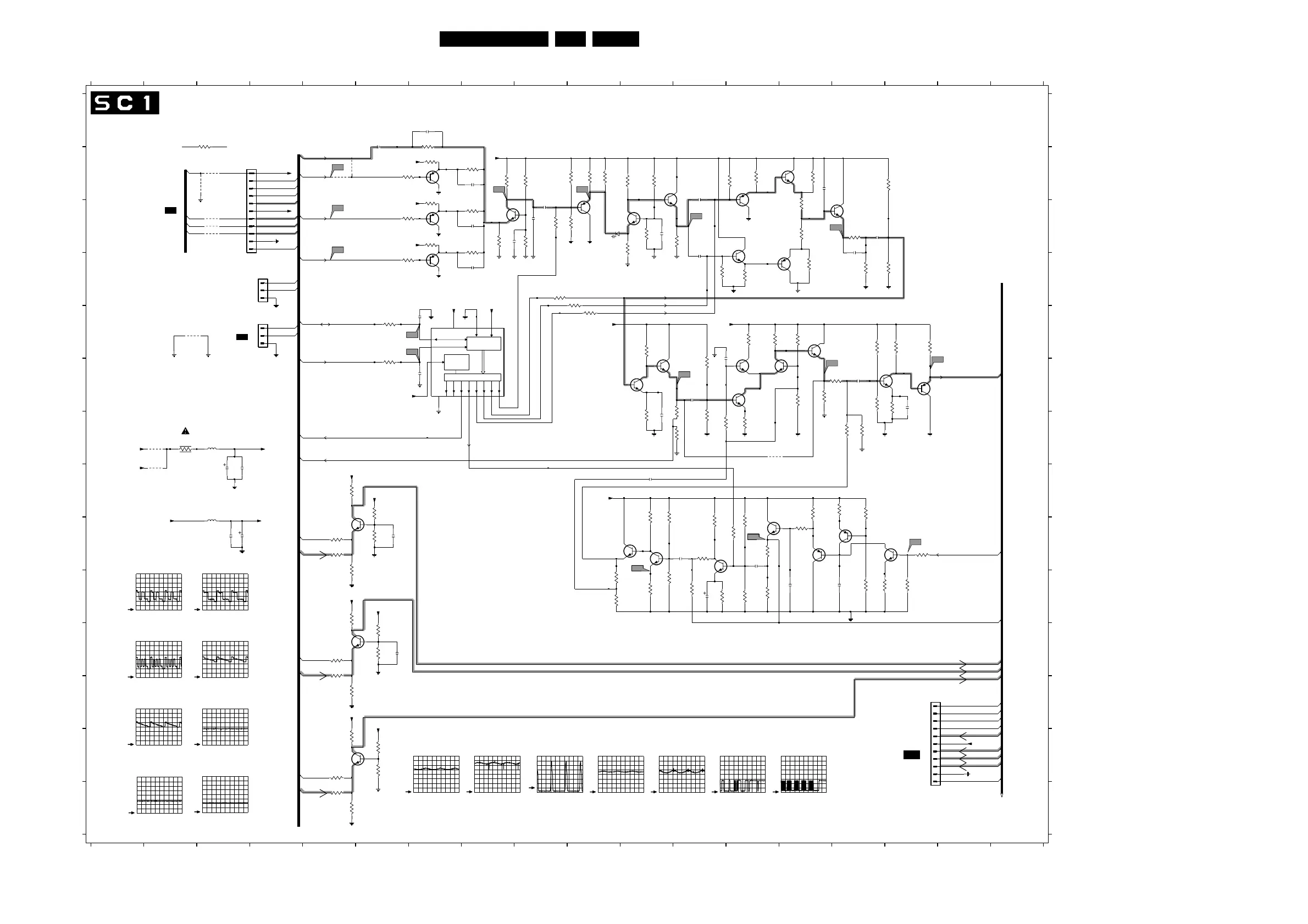
Circuit Diagrams and PWB Layouts
101EM5.1E 7.
Auto SCAVEM Panel
1940
TO / FROM
OF
CRT
MATRIX DIFFERENTIATOR CORING / CLIPPING
(OPTIONAL)
(OPTIONAL)
(OPTIONAL)
TO 1955
SIM
A8
TO 1940
SIM
A8
SC1
1 V / div DC
10µs / div
SC2
1 V / div DC
10µs / div
SC3
1 V / div DC
10µs / div
SC4
2 V / div DC
10µs / div
SC5
2 V / div DC
10µs / div
SC6
2 V / div DC
10µs / div
SC7
2 V / div DC
10µs / div
SC8
2 V / div DC
10µs / div
SC9
2 V / div DC
10µs / div
SC10
1 V / div DC
10µs / div
SC11
200mV / div DC
10µs / div
SC12
1 V / div DC
10µs / div
SC13
50mV / div DC
10µs / div
SC23
2 V / div DC
100µs / div
SC24
2 V / div DC
100µs / div
DAC0-7
SLAVE RECEIVER
I C BUS
GENERATOR
REFERENCE
VOLTAGE
2
I690 B11
7402 I13
7208 I15
7505 I11
9000 G13
9001 E2
9002 G2
9003 B3
9004 C3
9005 C3
9006 C3
9007 B3
9009 H2
9010 B5
9011 B5
3600 G2
3502 F6
BFS20
7018
5601 I3
6000 C10
7000 B7
7002 C7
7003 I5
7004 D7
7005 K5
7006 C8
7007 M5
7008 C10
7010 C10
7012 B11
7014 C13
7016 D13
7018 B14
7020 D14
7022 C15
7024 F11
7026 F11
7028 F13
7030 F13
7032 F13
7038 E14
7040 F16
7042 F16
7200 I13
7202 I14
7204 I15
3132 L5
3133 M5
7500 E7
7501 I11
3136 M5
3137 N5
3138 N5
3200 J10
3202 J10
3204 I14
3206 I11
3208 H15
3210 J11
3212 H15
3214 I11
3216 J11
3218 J12
3220 I12
3222 I16
3224 J16
3226 I12
3228 J12
3230 I13
3232 I13
3234 J13
3236 I13
3238 J13
3240 H14
3242 J15
3244 J15
3254 A7
3500 E6
3076 G12
3078 G12
3999 A3
5600 G3
3084 G12
3086 E13
3088 G13
3090 E13
3091 G15
3092 E14
3093 F15
3094 F14
3096 F14
3106 G15
3108 E15
3110 F15
3112 E16
3114 F16
3116 E16
3118 D10
3120 E10
3121 H5
3122 H6
3123 I6
3124 I5
3125 I5
3126 J5
3127 J5
3128 K6
3129 K6
3130 K5
3131 K5
3012 B8
3014 C8
3134 M6
3135 M6
3020 C8
3022 B9
3024 C9
3026 B10
3028 C9
3030 C10
3032 B10
3034 B10
3036 B11
3038 C11
3040 B11
3042 C11
3044 C12
3046 B13
3048 D12
3050 B13
3052 D13
3054 C14
3056 C14
3058 B14
3060 D14
3062 C15
3064 D15
3066 B16
3068 D16
3070 D9
3072 E11
3074 G11
SCAVEM CONTROL
RES
3080 F12
3082 G12
RES
LINE PARABOLA
RESERVED FOR FUTURE
J
K
L
M
N
1440 L17
1940 B4
1955 E4
1956 D4
2000 B8
2002 C8
2003 C9
2004 D8
2006 C8
2008 C9
2010 C11
2012 B12
2014 D12
2016 B14
2018 C15
2020 C15
2022 I12
2024 F12
2026 F12
2028 H11
SC1:SC3
SC3
3016 C8
3018 B8
123456789101112131415161718
12345678910
RES
11
N.C.
SC3
14 15 16 17 18
A
B
C
D
E
F
G
H
I
J
K
L
M
N
A
B
C
D
E
F
G
H
I
RES
RES
RES
AUTOSCAVEM
SCAVEM PROCESSING
SC3
RES
RES
2038 F15
2040 F16
2200 J14
2202 J15
2208 I3
2210 A6
2212 A7
2500 E7
2502 F7
2503 I6
2504 K6
2600 H3
2602 I3
2605 G11
2606 I13
2607 H3
2608 J12
3000 B7
3002 C7
3004 D7
3006 B7
3008 C7
3010 C7
12 13
3138
1K
7014
BF824
1K
3131
15R
3064
3130
1K
7402
BFS20
2020
22n
3220
15K
2018
10p
1K
3136
7003
3122
1K
1K
3121
BC847B
3134
1K1K
3135
3127
1K
5u6
5600
7032
BFS20
3010
4K7
2504
100n
7022
BFS20
2
3
4
5
6
7
8
9
EH-B
1940
1
10
11
100u
2208
GND_RGB
3600
1R
7030
BFS20
3042
6K8
3228
100R
SC24
3244
7200
BC847B
4K7
3240
100K
3038
560R
2000
5p6
3072
1K5
1K
3999
5p6
2212
3206
6K8
680R
3234
SC7
2K2
3096
DAC1
11
DAC2
12
DAC3
13
DAC4
14
DAC5
15
DAC6
16
DAC7
8
GND
5
NC
4 SCL
3 SDA
2 Vmax
1
Vp
4
5
6
7
8
9
7500
TDA8444T 6
A0
7
A1
9
DAC0
10
1440
EH-B
1
10
11
2
3
3080
47K
BC857B
7202
SC9
470R
3058
9002
3112
1K5
2K2
3062
3232
12K
12K
3212
3218
18K
3022
39K
7012
BC847B
GND
9004
9003
9007
BC857B
7008
2028
1u
3088
1K
1K
3084
1K
3046
22n
2607
2002
15p
2004
2p7
3044
1K
3004
100R
1K8
3208
2K2
3090
BC847B
7007
1K
3133
SC10
1K
3091
3202
3034
2K2
4n7
2200
270R
3500
100R
3094
22K
BF824
7042
2608
100u
2008
22n
2024
22n
22K
2605
1u
3006
4K7
3028
7026
BFS20
3066
8K2
3236
2K2
3002
100R
680R
3254
2016
10p
1955
1
2
3
1K5
3093
3070
8K2
6K8
3082
3110
3K9
1K5
3200
BFS20
7040
2038
22n
27K
3108
3086
2K2
2202
1n
1u
2026
BC847B
7501
1K
3056
BFS20
7010
GND
3018
3K9
1K
3048
2006
100n
470R
3060
3129
1K
7005
BC847B
1K
3128
SC5
3074
100R
3120
10K
1u
2606
9000
3106
4K7
3230
10K
BFS20
7024
3008
4K7
3214
470K
3210
680R
470n
2210
3226
1K5
BFS20
7505
7002
BC857B
SC6
BC857B
7004
SC4
2022
1u
100R
3000
3036
3K3
2012
22n
2010
100n
9010
BC857B
GND
9011
7204
9006
1K
3054
BFS20
7028
3016
15K
BFS20
7006
1956
1
2
3
3014
2K7
BC857B
7000
7208
BC847B
3224
1K2
22K
3204
3030
68K
3222
6K8
3012
5K6
GND_RGB
GND_RGB
9001
7016
BFS20
3032
1K8
3216
47K
1K
3116
7038
BFS20
SC3
22n
2014
3026
47K
SC8
68R
3242
SC23
560R
3050
22n
9009
3024
15K
5601
5u6
2602
100R
2500
10p
3502
2502
10p
3238
22R
1K
3078
3076
1K2
560R
3052
9005
3020
680R
1K
3132
BF824
7020
3092
39K
GND
10K
3118
3040
47K
2600
470u
2040
56p
100R
3114
4p7
2003
680R
3068
BBY40
6000
13
3126
1K
1K
3124
3125
1K
100n
2503
3137
1K
+8V_+12V
R-CRT
1K
3123
G-CRT
+8V
+8V
+8V
B-CRT
B-DL
+8V
+8V_+12V
+8V_+12V
+11V
B-DL
B-CRT
+11V
Y-SCAVEM
EHT_INFO
+8V_+12V
+8V
+8V
R-DL
R-CRT
PCR (NOT USED)
PCR (NOT USED)
PCR (NOT USED)
+8V
+8V
G-DL
SDA-S
G-CRT
SCL-S
SVM
PARAB
Y-SCAVEM
+8V6
PCR
R-DL
R-CRT
G-DL
Y-DIFF
+8V
HFB_X-RAY-PROT
+8V
+8V_+12V
+8V_+12V
+8V_+12V
+8V6
G-CRT
SCL-S
DAC2
+8V
+8V
B-CRT
SCL-S
SDA-S
SDA-S
PCR
CUTOFF
HFB_X-RAY-PROT
GND_SSB
EHT_INFO
SVM
+8V
R-DL
G-DL
B-DL
CUTOFF
HFB_X-RAY-PROT
GND_SSB
CL 26532134_003.eps
130103
8204 000 6494.6
SC11
SC2
SC1
SC12
SC13
F1

Related product manuals