EasyManua.ls Logo

Philips FW-D5/21 - Exploded View (3 Cdc-Lc Module)

Philips FW-D5/21
100 pages
Print Icon
To Next Page IconTo Next Page
To Next Page IconTo Next Page
To Previous Page IconTo Previous Page
To Previous Page IconTo Previous Page
Loading...
PCS 103 853
10-10
10-10
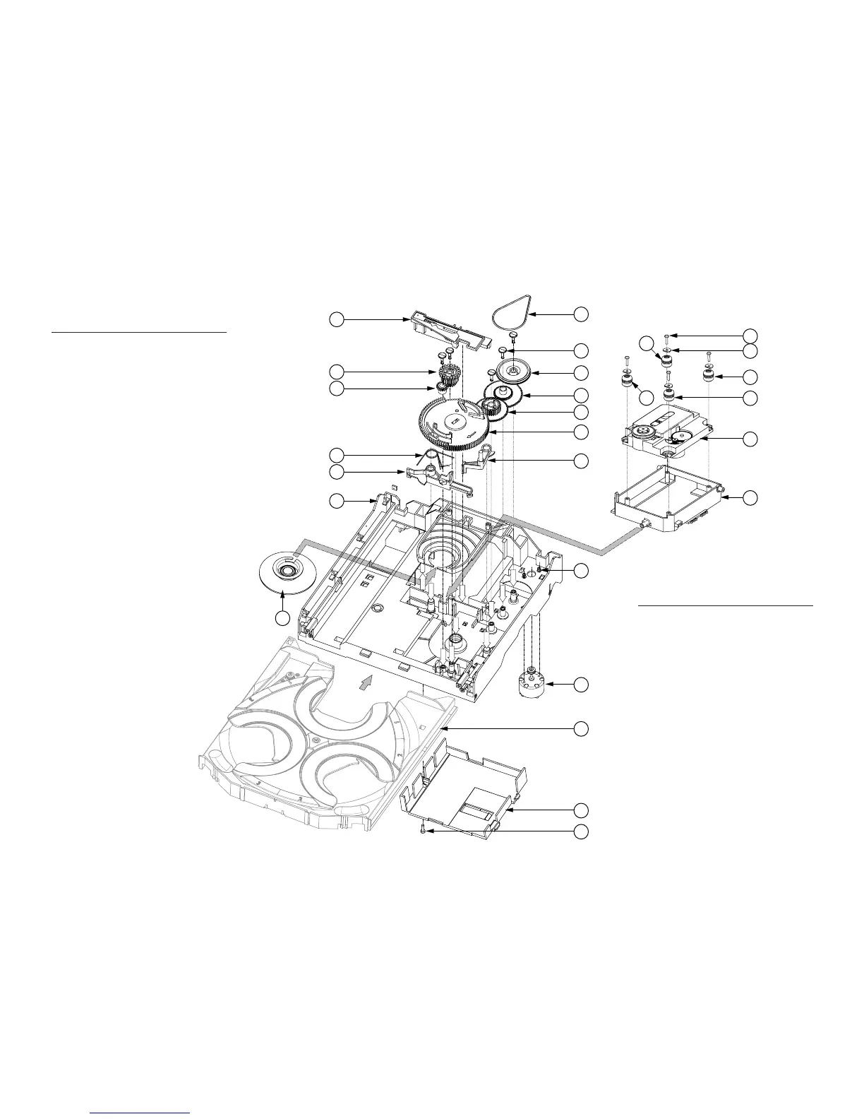
3CDC-LC Exploded view 1999 09 13
Pos. 51
Pos. 53
Pos. 52
Pos. 47
Pos. 48
Pos. 49
Pos. 43
Pos. 44
Pos. 42
Pos. 57
54
53
47
55
56
31
30
35
32
31
32
33
34
57
58
52
48
45 5x 4x
4x
46
49
44
43
42
41
21
20
51
2x
EXPLODED VIEW (3CDC-LC MODULE)
Mechanical Parts List - 3CDC-LC Module
21 314011758650 CLAMPER ASSY-VAM
30 310330466560 SUPPORT
31 482252910431 DAMPER - RUBBER (25DEG)
32 482252910431 DAMPER - RUBBER (25DEG)
33 310330406970 WASHER
35 482269110772 VAM2201/01
41 310330466480 FRAME
42 310330466540 BRACKET-GUIDING
43 310330106460 SPRING-GUIDING
44 310330406890 GEAR-3
45 310330406980 NAIL
46 310330406880 GEAR-2
47 310330466530 BRACKET-LOAD
48 310330406910 CAM
49 310330466510 GUIDING
51 310330406900 GEAR-4
52 310330406870 GEAR-1
53 310330406960 PULLEY-FRAME
54 310330466910 DRIVING-BELT-DRAWER
55 482236110753 MOTOR ASSY
56 482250212548 SCREW M2,6X2,9
57 310330468890 COVER-VAM
59 482246612146 RUBBER
Notes: Only the parts mentioned in this list are normal
service spare parts.
Mechanical Parts list - Drawer Top & Bottom view
20 3103 304 66500 DRAWER
21 3103 304 66490 CARROUSELL
22 3103 304 06860 PULLEY-DRAWER
23 3103 304 06850 ECCENTRIC
24 3103 304 06980 NAIL
25 3103 304 66850 DRIVING-BELT
27 3103 304 07100 BUSH DRAWER
29 3103 304 66550 BRACKET-DISC
30 3103 304 66520 TUMBLER
31 3103 301 06470 SPRING-DISC
32 3103 304 06920 CONTROL-DISC
33 3103 304 06970 WASHER
34 3103 304 06870 GEAR-1
37 4822 361 10753 MOTOR ASSY
Notes: Only the parts mentioned in this list are normal
service spare parts.

Table of Contents

Related product manuals