EasyManua.ls Logo

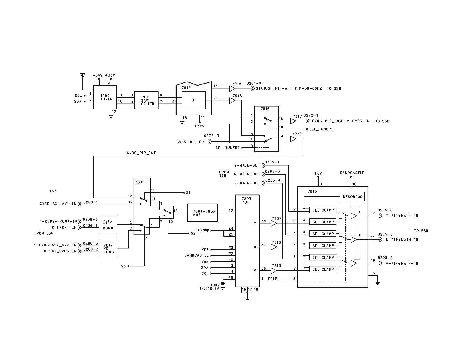
Philips H8 - PIP Switching (Figure 12); PIP Power Supply (Figure 13)

Philips H8
41 pages
Print Icon
To Next Page IconTo Next Page
To Next Page IconTo Next Page
To Previous Page IconTo Previous Page
To Previous Page IconTo Previous Page
Loading...
Figure 11 - Single Window PIPPage 14

Related product manuals