EasyManua.ls Logo

Philips H8 - M-Link

Philips H8
41 pages
Print Icon
To Next Page IconTo Next Page
To Next Page IconTo Next Page
To Previous Page IconTo Previous Page
To Previous Page IconTo Previous Page
Loading...
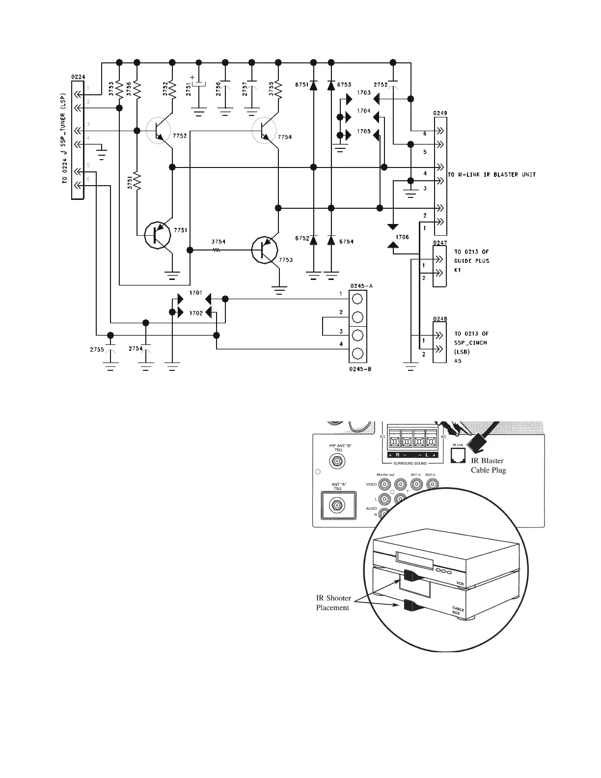
M-link (Figure 26)
The M-Link feature is on all sets above models
XXPT41 and above. This feature allows
external devices such as DVD players and
VCRs to be controlled by the TV set. The M-
Link panel has a driver circuit which is
connected to the I2C buss to drive the IR
Blaster which communicates with external
devices. The Surround Sound Speaker Jacks
are also located on the M-Link panel.
Figure 26 - M-Link driver circuit
Page 34
MLINK HOOKUP

Related product manuals