EasyManua.ls Logo

Philips H8 - AUDIO SIGNAL PATH; Audio Signal Processing (Figure 19); Audio Amplifier (Figure 20); Headphone Amplifier (Figure 21)

Philips H8
41 pages
Print Icon
To Next Page IconTo Next Page
To Next Page IconTo Next Page
To Previous Page IconTo Previous Page
To Previous Page IconTo Previous Page
Loading...
Very Flat CRT Drive Circuit (Figure 18)
The CRT panel for the Very Flat CRT's has an
SVM circuit to sharpen the transitions from
dark to light and light to dark. The RGB
signals are combined and fed to 7860 which
performs impedance matching. The signal is
then buffered by 7861. Capacitors 2867,
2870, and 2874 along with diodes 6867 and
6868 act as a differentiator to separate the
pulses for the contrast difference. Transistors
7862 and 7863 drive the SVM yoke. To
ensure the SVM switching occurs at the
correct point in the picture, delay lines 5886,
5888, and 5890 delay the RGB signal to the
RGB amplifier.
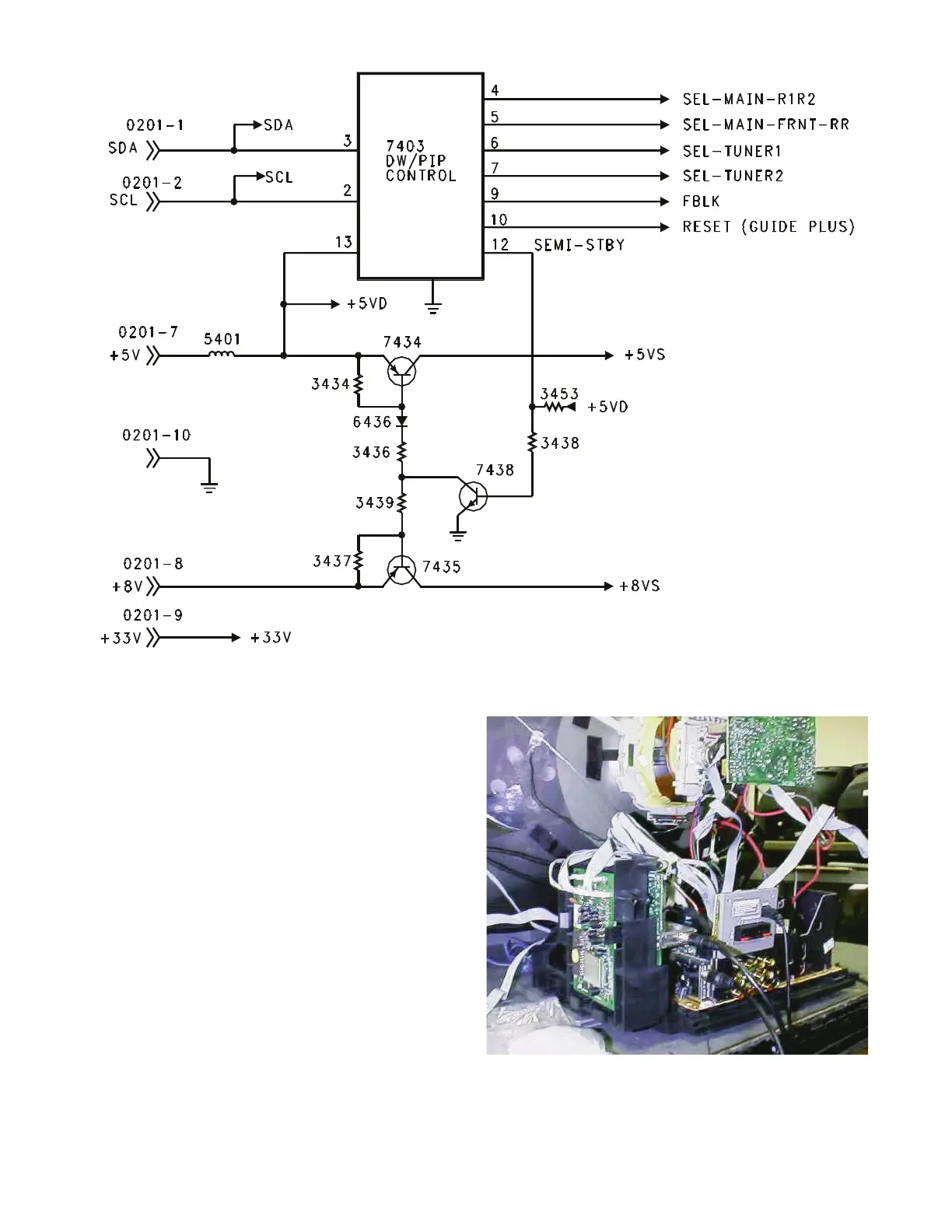
Figure 17 - PIP/Double Window Control and Power Supply
Page 22
Model 27PT91 with PIP/Double Window and
Gemstar

Related product manuals