EasyManua.ls Logo

Philips H8 - Page 25

Philips H8
41 pages
Print Icon
To Next Page IconTo Next Page
To Next Page IconTo Next Page
To Previous Page IconTo Previous Page
To Previous Page IconTo Previous Page
Loading...
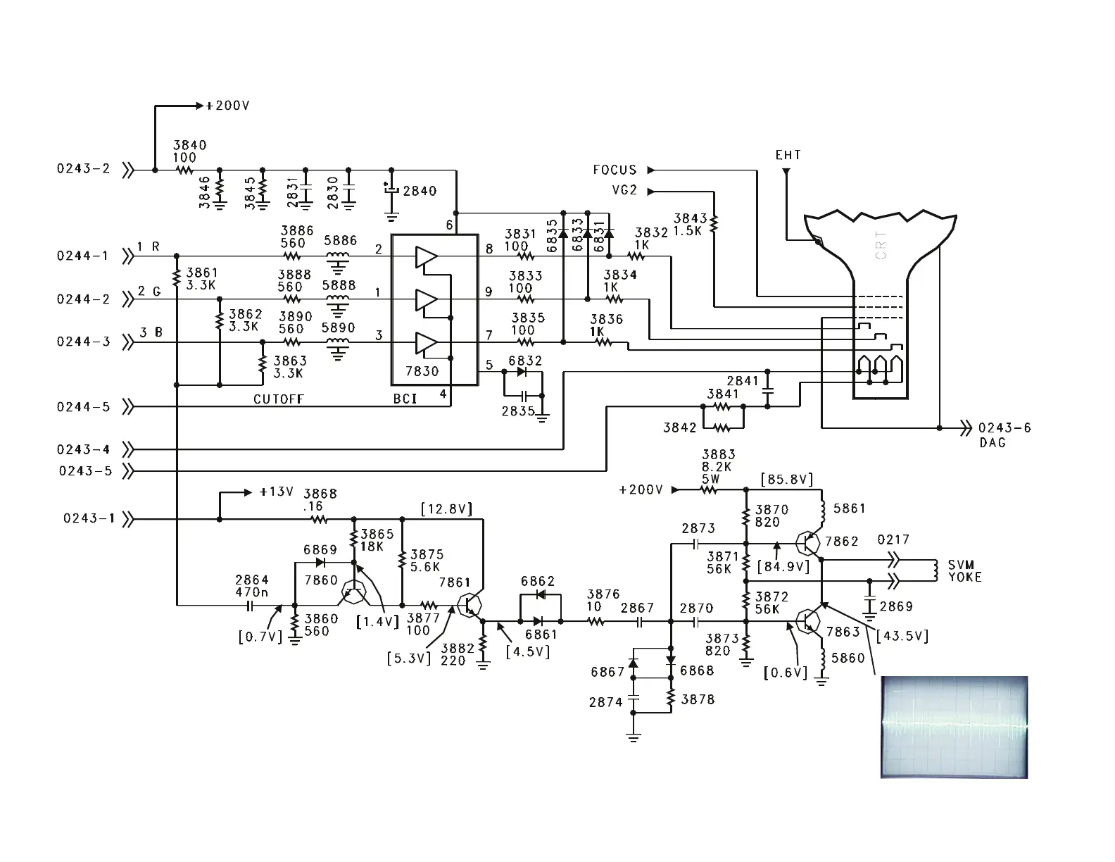
Page 23Figure 18 - Flat CRT Drive

Related product manuals