EasyManua.ls Logo

Philips H8 - Page 20

Philips H8
41 pages
Print Icon
To Next Page IconTo Next Page
To Next Page IconTo Next Page
To Previous Page IconTo Previous Page
To Previous Page IconTo Previous Page
Loading...
Page 18
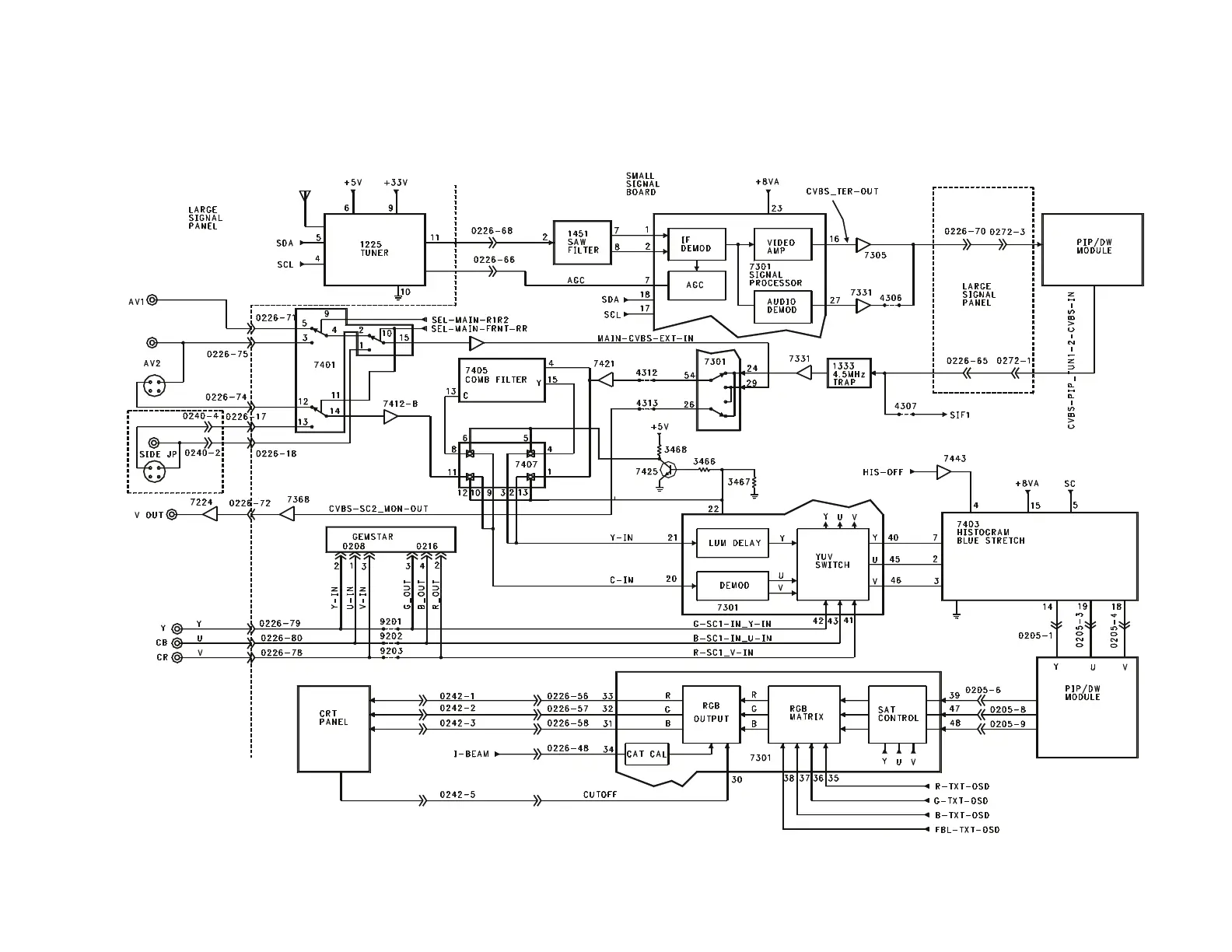
Figure 14 - Video Signal Flow with PIP/Double Window

Related product manuals