EasyManua.ls Logo

Philips L01.1U - Mono Carrier: Frame Deflection

Philips L01.1U
106 pages
Print Icon
To Next Page IconTo Next Page
To Next Page IconTo Next Page
To Previous Page IconTo Previous Page
To Previous Page IconTo Previous Page
Loading...
52L01.1U AC 7.
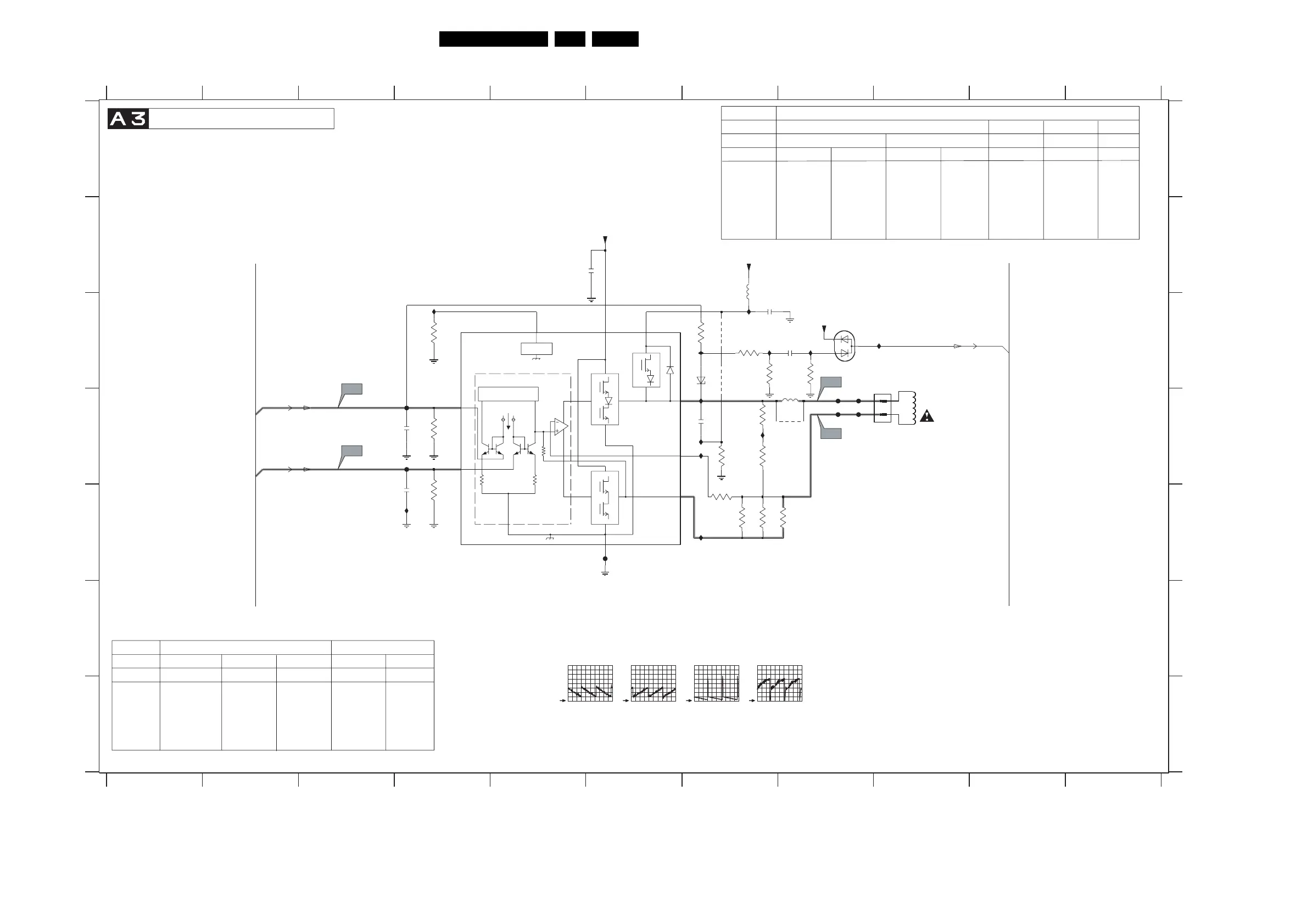
Circuit Diagrams and PWB Layouts
Mono Carrier: Frame Deflection
GUARD
1:1
25uA
R
R
R
A
INPUT/FEEDBACK
B
AK
*
470K
-0V3
DEFLECTION
*
0V
D
E
F
G
0222 D9
2471 B6
2472 D7
2473 C7
2474 D4
2475 E4
2476 C8
3470 C7
3471 E7
3472 E7
3473 E8
3474 D4
3475 E4
3477 D7
3478 D7
0V
VERTICAL
*
*
1234567891011
123456
*
GL
SMGK
3U35471
6V
21RF
4470
LG.PH
2472
29RF
ITEM
21RF
TUBE
1R5
7 8 9 10 11
A
B
C
D
E
F
G
A
B
C
SMGK(SF)
21RF
32WSRF
13V
---
1R5
LG.PHTOS
3479 E7
3480 D7
3495 C7
3496 C7
3497 C8
3498 C4
4470 C7
5471 D8
5472 B7
6470 C8
6476 C7
7471 C4
9471 D8
9472 C7
F403 D8
F404 D8
F405 D8
F406 D8
F407 E6
F408 D4
F409 D4
I408 C7
I409 C7
I410 C4
3470
3471 4R7
TUBE
---
3472 2R2
SM0805 390K
---
3473
3R9
1R5
A6-19
7V
48V
I411 D7
I412 E7
I413 D7
I414 D7
I415 C7
I416 C8
I417 C9
I418 E4
I419 D7
3R9
3R3
3R9
SM0805 270K
1R5
3U3
63V 150N
3472
-
2R2
NAFTA
63V 150N
SM0805 470K
3R3
2R2
2R2
1R5
6U8
63V 150N
SM0805 390K
4R7
2R2
3R3
1R5
FRAME DEFLECTION
63V 150N
COIL
1V
PHCO
63V 150N
330K
3R3
3R3
3R3
1R5
---
3U3
*
EU
MODEL
9472
LG.PH
32WR 29RF
28WR
24WR
L2K3
REGION
3R3
3R3
3R9
1R5
6U8
63V 150N
270K
3R9
3R3
3R9
1R5
---
6U8
3MUH3 6MUH8
---
63V 150N
470K
100V 10N
9472
470K
SMD_JUMPER
LATAM
---
3MUH3
3U3
---
3470
6MUH8
6U8
---
JUMPER
3MUH3
6U8
3R9
3R9
---
---
LG.PH
5472 3MUH3
JUMPER
CH/IN
AP
3R9
3R9
3U3
470K
3471
3R3
3473 3R9
3480 1R5
4470 ---
5471 6U8
3R3
SET
2472 63V 150N
2472
47n
34RF
63V 150N
REGION
5V
6V
1V
5V
A6-20
A2-65
2R2
28WSRF
LG.PH
LG.PH
32V
3R3
SMD_JUMPER
---
3480
3MUH3
---
100V 10N
270K
3R9
4R7
6R8
6U8
63V 150N
SM0805 470K
K
A
BZX79-C12
6476
3473
I412
F1
2n2
2475
2476
2n7
F405 F403
2K7
3479
5472
I416
3471
4R7
3480
I413
2473
100n
I414
I415
9472
F406 F404
I411
I408
8
VP
3
9471
7471
TDA8359J
GND
5
VFLB
6
VI+1
VI-2
VM 9
VOA
7
VOB 4
VOG
4470
I419
F2
F3
F407
3497
100K
22K
3495
3472
I417
2K2
3475
I410
100K
3496
BAV99
6470
F408
F409
I409
2
2471
100n
0222
1
2n2
3478
150R
I418
F4
2474
12K
34983474
2K2
5471
150R
3477
Vdrive-
Vdrive+
VlotAux+5VA
Vguard
+13V
VlotAux+50V
3470
CL 26532119_010.eps
111202
F01
50mV / div DC
5ms / div
F03
1V / div DC
5ms / div
F02
50mV / div DC
5ms / div
F04
0.2V / div DC
5ms / div
www.freeservicemanuals.info
22/11/2016
Published in Heiloo Holland

Related product manuals