EasyManua.ls Logo

Philips L01.1U - Mono Carrier: PIP Interface Circuit + Tilt Interface

Philips L01.1U
106 pages
Print Icon
To Next Page IconTo Next Page
To Next Page IconTo Next Page
To Previous Page IconTo Previous Page
To Previous Page IconTo Previous Page
Loading...
Circuit Diagrams and PWB Layouts
63L01.1U AC 7.
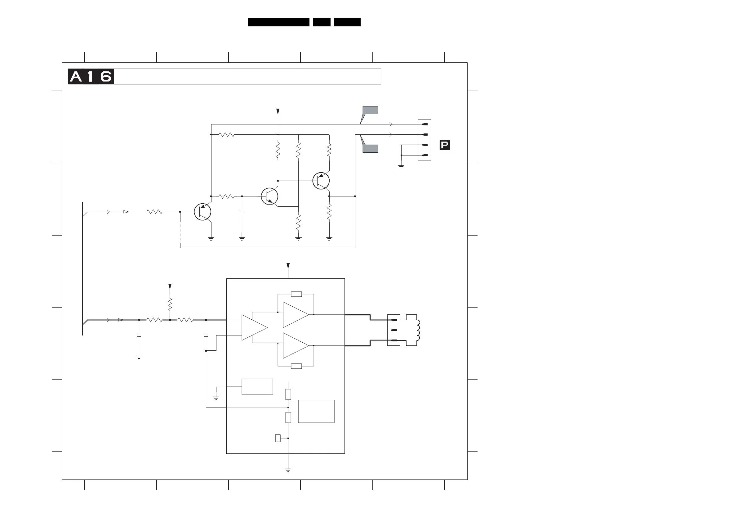
Mono Carrier: PIP Interface Circuit + Tilt Interface
STANDBY/
MUTE LOGIC
Vcc
20K
20K
SHORT CIRCUIT
AND
TEMPERATURE
PROTECTION
2345
A
B
C
D
E
A
B
C
D
E
0268 D5
0284 A5
2171 B3
2172 D1
2173 D2
12345
1
3170 B1
3173 A2
3174 A3
3175 A3
3176 A4
3177 B2
3178 B3
3179 B4
3180 D1
3181 C2
3190 D2
4171 B2
7000 C3
7172 B4
7173 B3
7174 B2
8K2
3175
4K7
3170
4.9V
ROTATION
4.9V
4.9V
1.1V
1.6V
TO 0236
OF
TDA8941P
TO
1.1V
COIL
A8-74
0.7V
0.7V
PIP INTERFACE CIRCUIT & TILT INTERFACE
PIP INTERFACE (RESERVED)
TILT INTERFACE
A6-17
5
3
1
7
2
8
6
4
V20
V22
3173
10K
BC847B
7173
8K2
3177
1
2
3
3180
68K
220p
2173
0268
100p
2172
8K2
3174
3K9
3178
2K2
3179
4171
100R
3176
BC857B
7174
BC857B
7172
100K
3181
68K
3190
3
4
7000
GND
IN+
IN-
MODE
OUT+
OUT-
SVR
Vcc
0284
1
2
SANDCASTLE
VlotAux+5V
Tilt
VlotAux+13V
VlotAux+13V
HD
VD
2n2
2171
CL 26532119_021.eps
161202
www.freeservicemanuals.info
22/11/2016
Published in Heiloo Holland

Related product manuals