EasyManua.ls Logo

Philips PM 5167 - Principle of the Current Mirror

Philips PM 5167
Print Icon
To Next Page IconTo Next Page
To Next Page IconTo Next Page
To Previous Page IconTo Previous Page
To Previous Page IconTo Previous Page
Loading...
39
·----9-
---·-----------·-------~
1
8
1'-
-
-'-'-
--
-
-'--
,-.,
amplltu de
current cont
re
i
I
I
source
r--
3
10
10
31
3
t--
r
JR
335
to
3
38
I
I
I
el'
~
,mpedance
)
305
308
,I
L
31
5
319
l..
c
onve
rtet
2
1309
I
-:::
...
I-
+--------<l~+-----t
----i
.K."_J
31
7 I
--
K
P071
(320
1;::t--
I
IOV
pp
301,302
I I
I
I
I
iV
impedance
19
/V
1--
--*--4------+----
--I
converter 1
1-----0
uc
3231032
5 1
0V
pp
switching
352
I
array
no.l
I
impedance
J'
r----Kl
3301
1333)
.1
I 13451 1347,1
":>1
__
I
ZV
pp
, 1 331 334
.•
346 348 ( -
325,327
~
converter
3
I I
649
'---------+---- '---------+----
I I
I
~
I'
current
C I
5QUrCe
I~
L __
._._._._._._._.~
5
._._._.~
M A S9B8
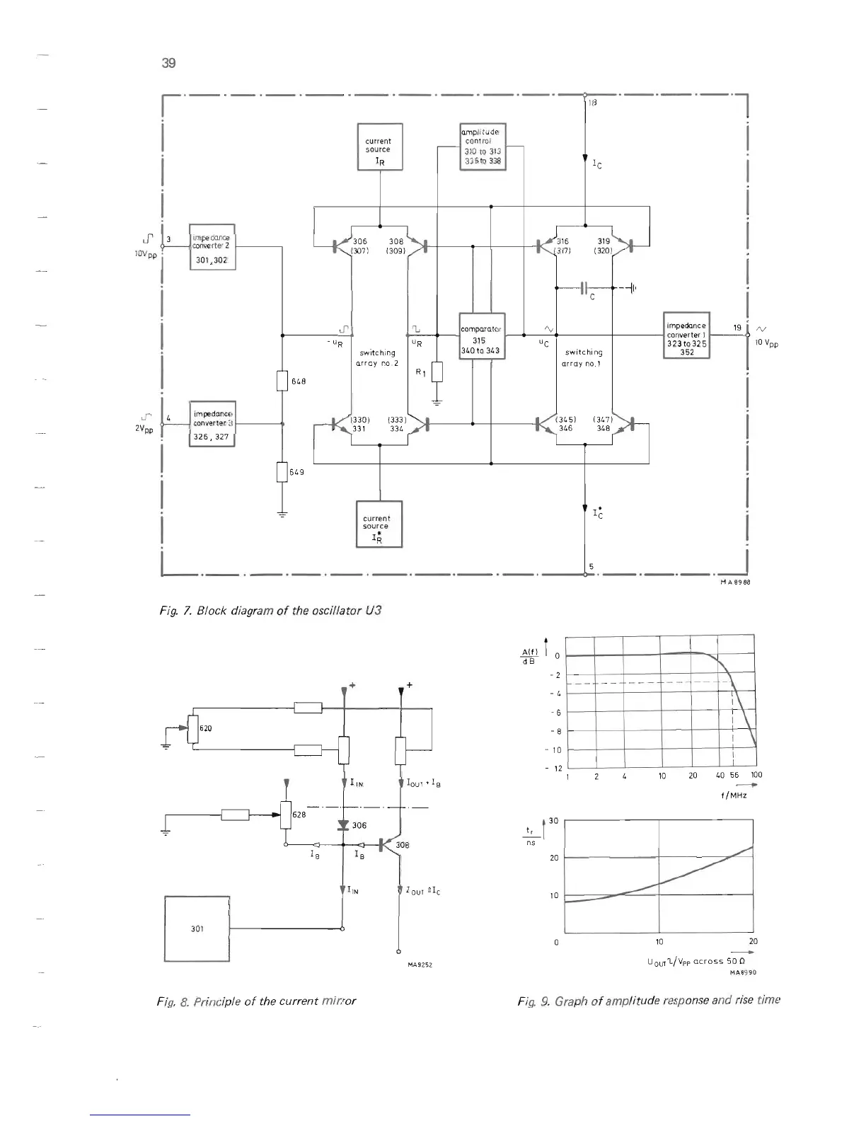
Fig. I.
Block
diagram
of
the
oscillator
U3
Alfl
r
o
d"B
- 2
r"\.
+
+
--
- -
- - -
--
--
-\
- 4
1\
- 5
I
620
I
\
\
- 8
- 10
1
-
12
10
20
40
55
100
l
f/MHz
30
t,
t
308
ns
;"'"
20
I
OUT
n
c
10
-
---
~
301
10
20
---
U
OLIT
1./v
pp
across
50
(l
MAgz52
MA S
9-
90
Fi
g. 8. Pri
nci
ple
of
the
current
mir
r
or
Fi
g.
9. Graph of
amp
litude
res
ponse a
nd
r
ise
tim
e

Related product manuals