EasyManua.ls Logo

Philips PM2517E - Page 33

Philips PM2517E
104 pages
Print Icon
To Next Page IconTo Next Page
To Next Page IconTo Next Page
To Previous Page IconTo Previous Page
To Previous Page IconTo Previous Page
Loading...
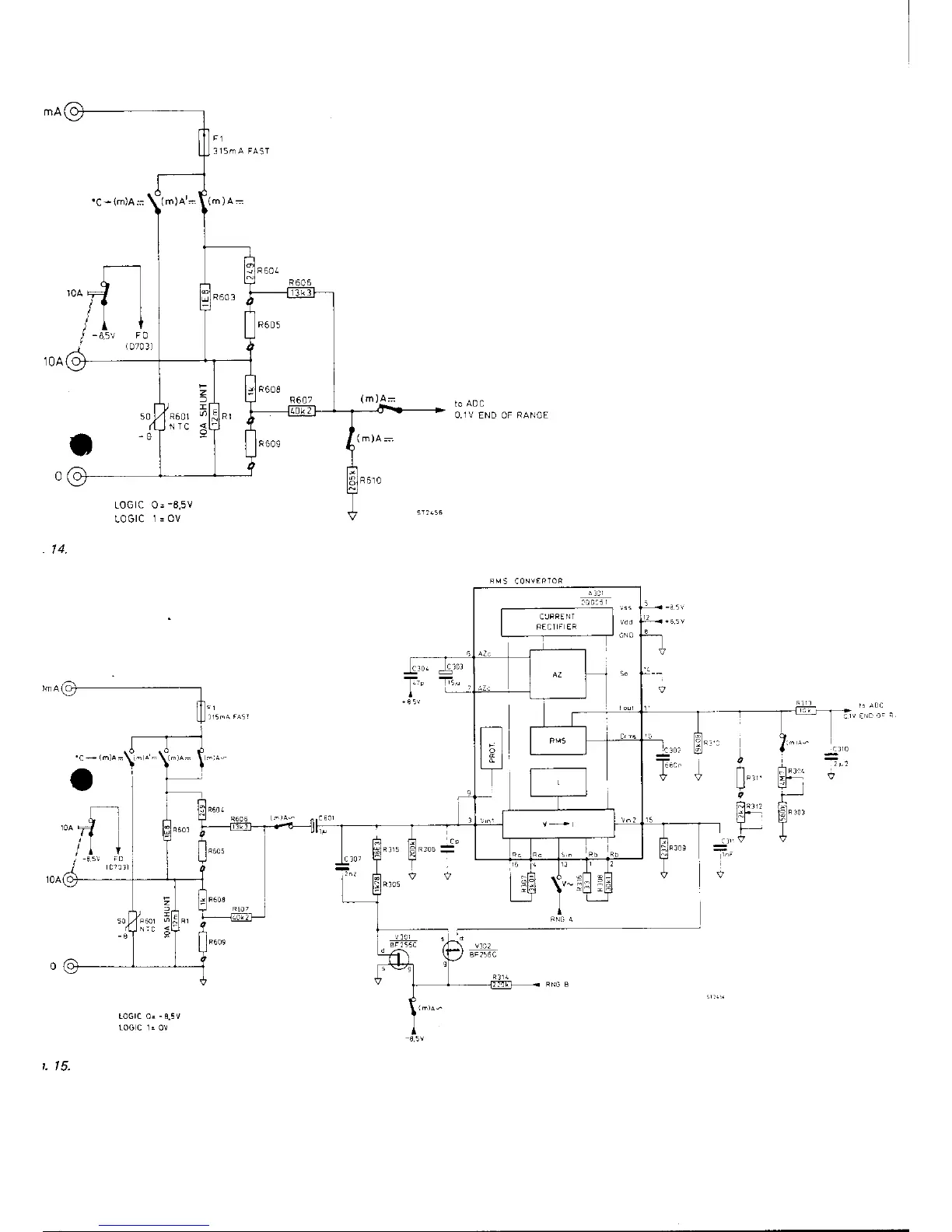
-8.5v
F0
107031
io
ADc
O,1V
END OF
RANCE
14.
a
I
t.
t5.

Table of Contents

Related product manuals