EasyManua.ls Logo

Philips Q548.1E - Page 50

Philips Q548.1E
119 pages
Print Icon
To Next Page IconTo Next Page
To Next Page IconTo Next Page
To Previous Page IconTo Previous Page
To Previous Page IconTo Previous Page
Loading...
IC Data Sheets
EN 50 Q548.1E LA8.
2009-Apr-03
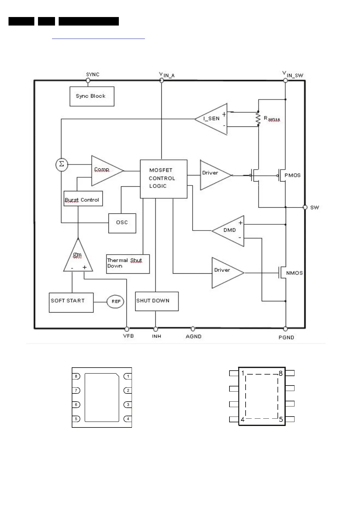
8.2 Diagram SSB: DC/DC +3V3 +1V2 Standby B01B, ST1S10PH (IC 7202/7222)
Figure 8-2 Internal block diagram and pin configuration
PowerSO-8
DFN8 (4x4)
I_18010_083.eps
130608
Block Diagram
Pin Configuration

Table of Contents

Related product manuals