EasyManua.ls Logo

Philips TDA8950 - Page 22

Philips TDA8950
39 pages
Print Icon
To Next Page IconTo Next Page
To Next Page IconTo Next Page
To Previous Page IconTo Previous Page
To Previous Page IconTo Previous Page
Loading...
xxxxxxxxxxxxxxxxxxxxx xxxxxxxxxxxxxxxxxxxxxxxxxx xxxxxxx x x x xxxxxxxxxxxxxxxxxxxxxxxxxxxxxx xxxxxxxxxxxxxxxxxxx xx xx
xxxxx xxxxxxxxxxxxxxxxxxxxxxxxxxx xxxxxxxxxxxxxxxxxxx xxxxxx xxxxxxxxxxxxxxxxxxxxxxxxxxxxxxxxxxx xxxxxxxxxxxx x x
xxxxxxxxxxxxxxxxxxxxx xxxxxxxxxxxxxxxxxxxxxxxxxxxxxx xxxxx xxxxxxxxxxxxxxxxxxxxxxxxxxxxxxxxxxxxxxxxxxxxxxxxxx xxxxxxxx
xxxxxxxxxxxxxxxxxxxxxxxxx xxxxxxxxxxxxxxxxxxxx xxx
TDA8950_2 © NXP B.V. 2009. All rights reserved.
Product data sheet Rev. 02 — 11 June 2009 22 of 39
NXP Semiconductors
TDA8950
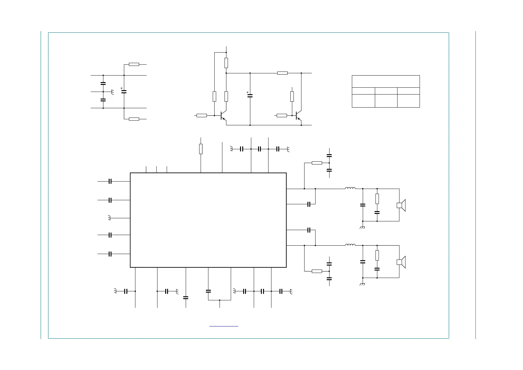
2 × 150 W class-D power amplifier
(1) The value of C
PROT
can be in the range 10 pF to 220 pF (see Section 8.3.2)
Fig 10. Typical application diagram
010aaaxxx
C
IN
IN1P
IN1
+
+
IN2
IN1M
SGND
2
3
19
22
21
20 18
470 nF
470 nF
C
IN
C
IN
IN2P
IN2M
470 nF
470 nF
C
IN
220 nF
VDDA VSSA
177
V
SSP
VDDA
VSSA
PROT
13
14
15
VSSP
VSSP2
OUT2
BOOT2
16
VDDP
VDDP2
VSSD
C
VDDA
220 nF
C
VSSA
100 nF
C
VDDP
15 nF
C
BO
100 nF
C
VSSP
100 nF
C
VP
VSSP
VSSP
VSSP
VDDP
VDDP
VDDP
+
+
11
VSSP1
8
VDDP1
23
MODE
mode
control
1
OSC
6
4
n.c.
5
n.c.
n.c.
100 nF
C
VDDP
100 nF
C
VSSP
100 nF
C
VP
C
PROT
(1)
V
SSA
12
STABI
C
STAB
470 nF
R
OSC
30 k
10
9
OUT1
BOOT1
15 nF
C
BO
L
LC
VSSA
R
VDDA
10
R
VSSA
10
C
VP
22 µF
C
VDDP
470 µF
C
VSSP
470 µF
GND
VDDP
VSSP
VDDA
VDDP
VSSP
VSSA
R
SN
10
R
SN
10
C
SN
220 pF
C
SN
220 pF
C
SN
220 pF
C
LC
C
LC
C
SN
220 pF
R
ZO
22
C
ZO
100 nF
R
ZO
22
C
ZO
100 nF
LOAD L
LC
C
LC
3 to 6 15 µH 680 nF
4 to 8 22 µH 470 nF
SINGLE-ENDED
OUTPUT FILTER VALUES
TDA8950J
L
LC
SGND
mode control
mute/
operating
10 µF
5.6 k
+
5 V
470
standby/
operating
5.6 k
T2
HFE > 80
T1
HFE > 80
470 k
+
5 V
470 k
10 k10 k

Related product manuals