EasyManua.ls Logo

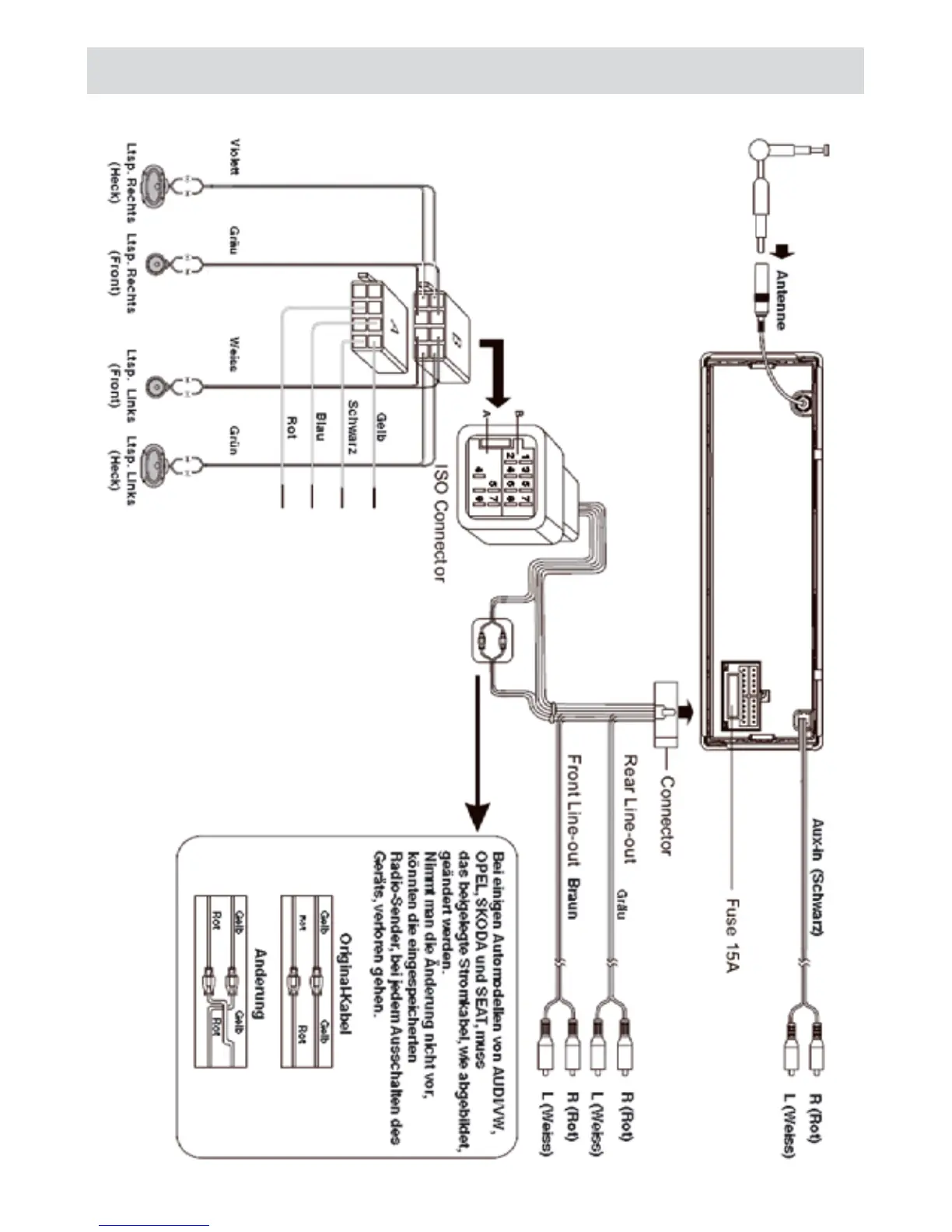
Phonocar VM 022 - Elektro-Anschlüsse

Phonocar VM 022
Print Icon
To Next Page IconTo Next Page
To Next Page IconTo Next Page
To Previous Page IconTo Previous Page
To Previous Page IconTo Previous Page
Loading...
72
73
Elektro-Anschlüsse
+12 Permanent
Masse
Remote-Ausgang
+12 Zündplus

Table of Contents

Related product manuals