EasyManua.ls Logo

Phonocar VM 030 - Collegamenti Elettrici

Phonocar VM 030
Print Icon
To Next Page IconTo Next Page
To Next Page IconTo Next Page
To Previous Page IconTo Previous Page
To Previous Page IconTo Previous Page
Loading...
17
IT
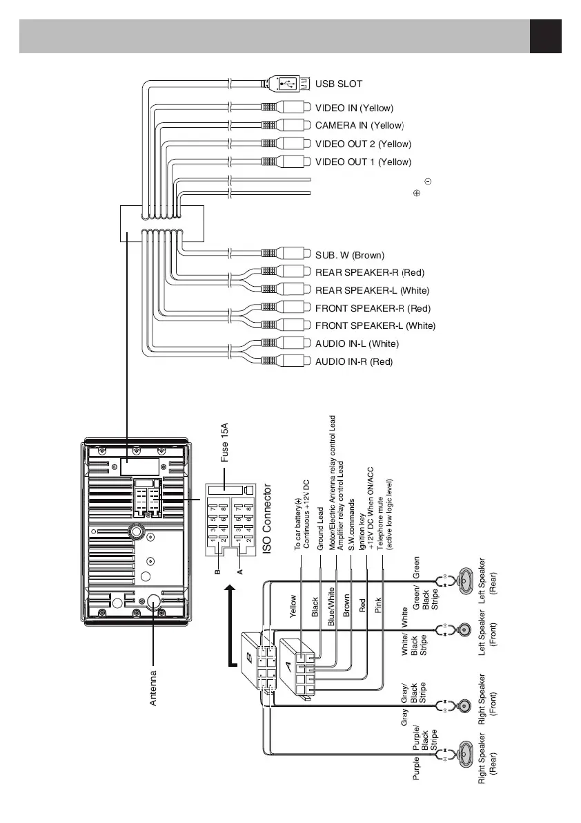
Schema di collegamento
FRENO A MANO (Green)
RETROMARCIA (Pink)

Table of Contents

Related product manuals