EasyManua.ls Logo

Phonocar VM 030 - Electrical Connections

Phonocar VM 030
Print Icon
To Next Page IconTo Next Page
To Next Page IconTo Next Page
To Previous Page IconTo Previous Page
To Previous Page IconTo Previous Page
Loading...
36
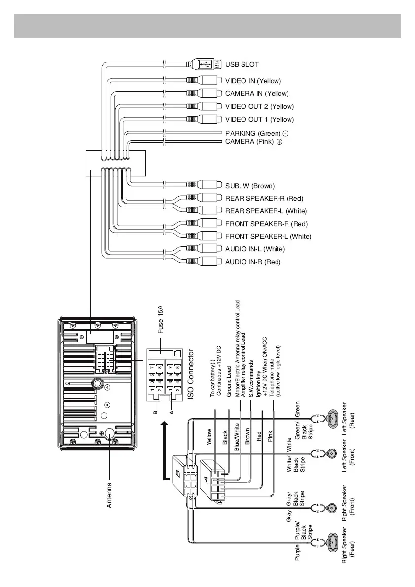
Electrical Connections
Wiring Diagram

Table of Contents

Related product manuals