EasyManua.ls Logo

Phonocar VM 030 - Elektro-Anschlüsse

Phonocar VM 030
Print Icon
To Next Page IconTo Next Page
To Next Page IconTo Next Page
To Previous Page IconTo Previous Page
To Previous Page IconTo Previous Page
Loading...
76
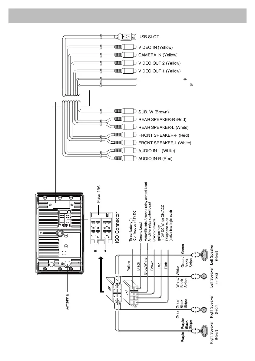
ELEKTRO-ANSCHLÜSSE
HANDBREMSE (Green)
RÜCKWÄRTSGANG (Pink)
Anschluss-Schema

Table of Contents

Related product manuals