EasyManua.ls Logo

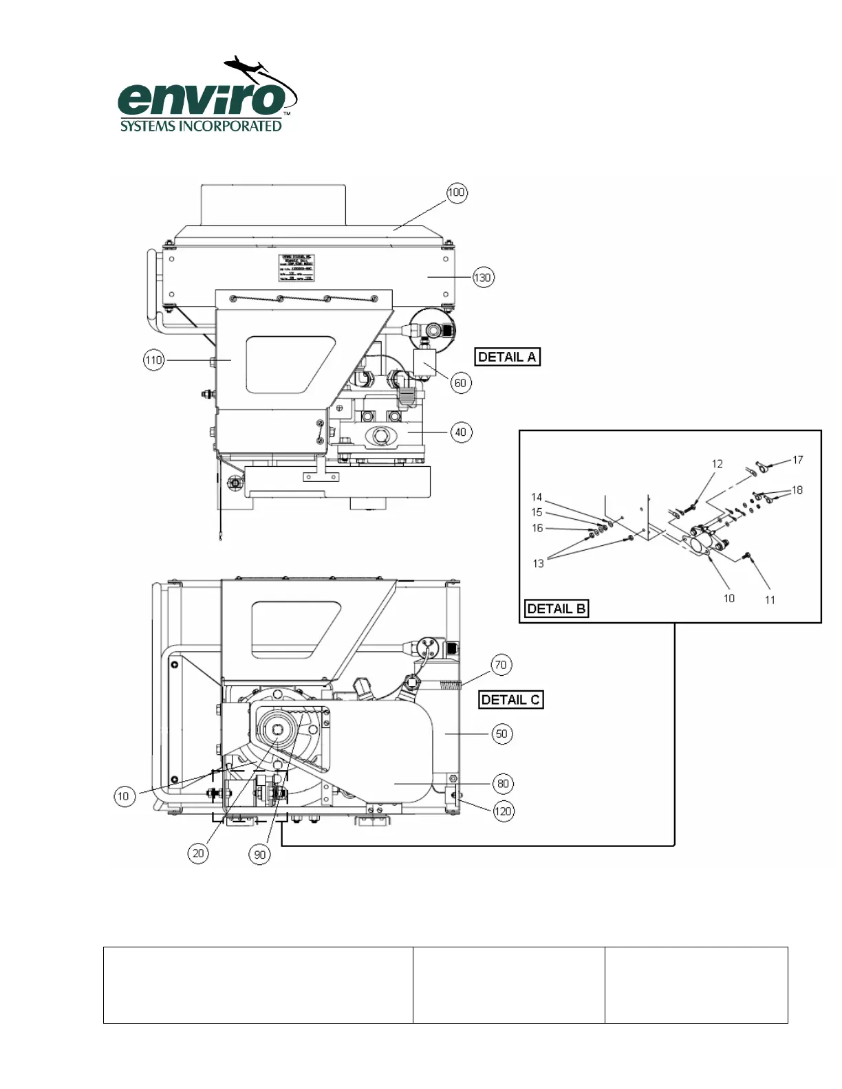
Pilatus PC12 - Figure 10001 Compressor Condenser Module Assembly 1250900-4

Pilatus PC12
69 pages
Print Icon
To Next Page IconTo Next Page
To Next Page IconTo Next Page
To Previous Page IconTo Previous Page
To Previous Page IconTo Previous Page
Loading...
Component Maintenance Manual
EFFECTIVITY: ALL
21-00-22
Figure 10001
Page 10002
JULY 21, 2011
Figure 10001 Compressor Condenser Module Assembly 1250900-4

Table of Contents

Related product manuals