EasyManua.ls Logo

Pioneer Eclipse PE440ST - Connections (without SafeSense)

Pioneer Eclipse PE440ST
52 pages
Print Icon
To Next Page IconTo Next Page
To Next Page IconTo Next Page
To Previous Page IconTo Previous Page
To Previous Page IconTo Previous Page
Loading...
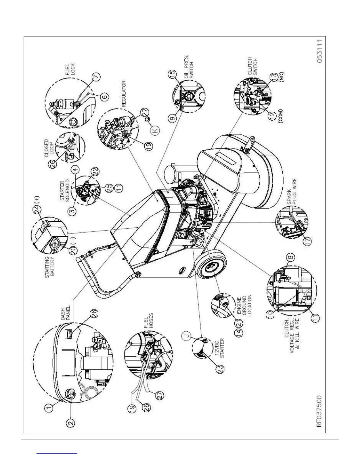
Connections (without SafeSense)
060411
25

Table of Contents

Related product manuals