EasyManua.ls Logo

Pioneer Eclipse PE440ST - Bulkhead Assembly Details

Pioneer Eclipse PE440ST
52 pages
Print Icon
To Next Page IconTo Next Page
To Next Page IconTo Next Page
To Previous Page IconTo Previous Page
To Previous Page IconTo Previous Page
Loading...
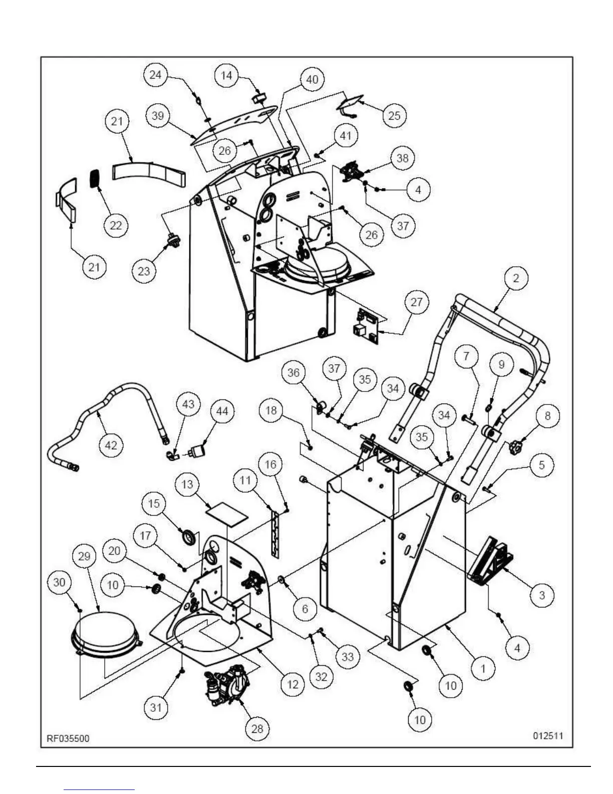
Bulkhead Assembly
020211
31

Table of Contents

Related product manuals