EasyManua.ls Logo

Pioneer AVIC-D2 - Selecting Traffic Information to Display; Traffic Flow Information

Pioneer AVIC-D2
134 pages
Print Icon
To Next Page IconTo Next Page
To Next Page IconTo Next Page
To Previous Page IconTo Previous Page
To Previous Page IconTo Previous Page
Loading...
53
Chapter 4 Editing the Navigation UtilitiesNAVI
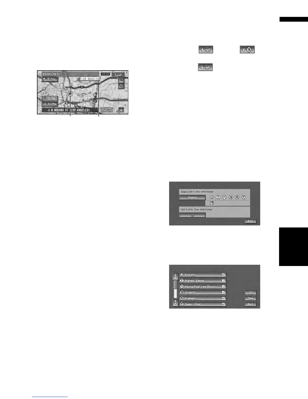
Traffic flow information
When the map scale is between 0.02 mi (25 m) –
0.75 mi (1 km), red, yellow, or green blinking lines
may appear on either side of a road. These colors
indicate the average speed at which traffic is
flowing along these streets. Here is a guide to the
colors and the average speed they indicate:
Red: average speed in this area is between
5 mph to 15 mph (8 km/h to 24 km/h)
Yellow: average speed in this area is between
20 mph to 40 mph (32 km/h to 64 km/h)
Green: average speed in this area is 45 mph (72
km/h) or faster (An icon without a number indi-
cates the average speed of the road is more than
70 mph (112km/h))
In addition to these blinking lines, a round
icon with a number may appear on the map.
The number in the icon indicates the actual
average speed of that specific area.
The lines for traffic flow are not displayed on
“City Map”.
The flow icon appears only when the scale on
the map is 10 mi (20 km) or lower.
You can turn off the use of Traffic flow infor-
mation.
Set use of Traffic flow information setting to
off Page 54
Checking traffic flow information on the
list
The traffic flow information on the route can also
be displayed as an onscreen list.
The method for checking the traffic flow infor-
mation displayed on the screen is the same
for “Checking all traffic information”.
Checking all traffic information Page 50
1 Touch “Info/Traffic” in the Main menu,
then touch “Traffic Flow”.
The list with the traffic flow information is
shown.
You can use instead of . The list
will be sorted according to the average speed
by touching .
Selecting traffic information to
display
There are different types of traffic information
that can be received via the XM NavTraffic ser-
vice, and you can select which types will be incor-
porated and displayed on your navigation system.
1 Touch “Info/Traffic” in the Main menu,
and then touch “Traffic Settings”.
2 Touch “Change”.
The names of the displayed traffic information
items and a list of icons appears on the
screen.
3 Touch the traffic information item to dis-
play.
A red check appears next to the selected traf-
fic information.
Touching “All” selects all the traffic infor-
mation.
4 Touch “Done”.
The selected traffic information icon is added
to the screen.
Touch “Back” to cancel your selection.
Flow Icon The line for traffic flow

Table of Contents