EasyManua.ls Logo

POMCube iCAN NetZero - DC 12 V and External Wiring

Default Icon
36 pages
Print Icon
To Next Page IconTo Next Page
To Next Page IconTo Next Page
To Previous Page IconTo Previous Page
To Previous Page IconTo Previous Page
Loading...
21
cable/RJ45 connectors
9
Communication cable /
Black / 620mm / Standard
8 way Ethernet cable/
RJ45 connectors
EMS module CAN to BCMS module
CAN
10
DC 12V Power
cable/150mm
PCS module DC12V to
EMS module DC12V.
11
DC 12V Power
cable/120mm
PCS module DC12V to
Solar controller DC12V.
NOTE: Keep pressing the lock button when unplug the Surlok connector.
WARNING: Failure to follow the instructions may damage the device.
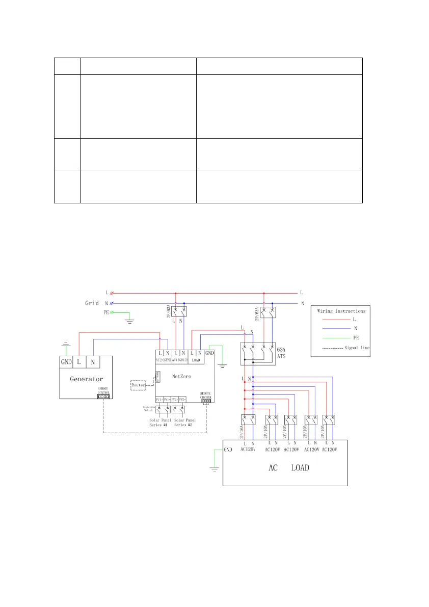
5.5 External Wiring
(1) Connect the external cables as the figures shown.
Figure 5.5.1: Single Phase Example Wiring Diagram

Related product manuals