EasyManua.ls Logo

Porsche E-Performance - Page 47

Porsche E-Performance
Print Icon
To Next Page IconTo Next Page
To Next Page IconTo Next Page
To Previous Page IconTo Previous Page
To Previous Page IconTo Previous Page
Loading...
45
Montaggio
EN
ES
FR
IT
JP
KO
NL
PTB
RU
ZH
ZHT
DE
Montare il supporto verticale in un’area riparata
dalla pioggia e su una superficie solida. Evitare
i luoghi con irraggiamento solare diretto.
Installare il supporto verticale con il cavo vettura
da 2,5 m il più vicino possibile alla vettura.
Durante tale operazione considerare la posizione
di parcheggio preferita e l’allestimento della
vettura.
Non montare il supporto verticale:
in aree a rischio di esplosione
nei pressi di vie di fuga o di soccorso
(anche il cavo non deve intralciare vie di fuga
odi soccorso)
in punti esposti a getti d’acqua diretti
(ad esempio dispositivi di pulizia ad alta
pressione o irrigazione per giardini)
sotto oggetti sospesi
in ricoveri zootecnici o luoghi in cui si possono
formare gas di ammoniaca
Sequenza di montaggio consigliata
1. Preparare il basamento (con canalina e bulloni
di ancoraggio).
2. Posare il cavo del separatore di corrente verso
il basamento.
3. Montare il supporto verticale.
4. Far collegare l’alimentazione di tensione
da un elettricista qualificato.
Preparazione del basamento
Per un fissaggio sicuro: Prima del montaggio,
controllare la resistenza del basamento!
Se è già presente un fondo portante con calcolo
statico adeguato e possibilità di passaggio dei cavi,
non è necessario creare un basamento a parte.
In questo caso il supporto verticale può essere
montato direttamente sul fondo esistente.
Montaggio sul fondo esistente
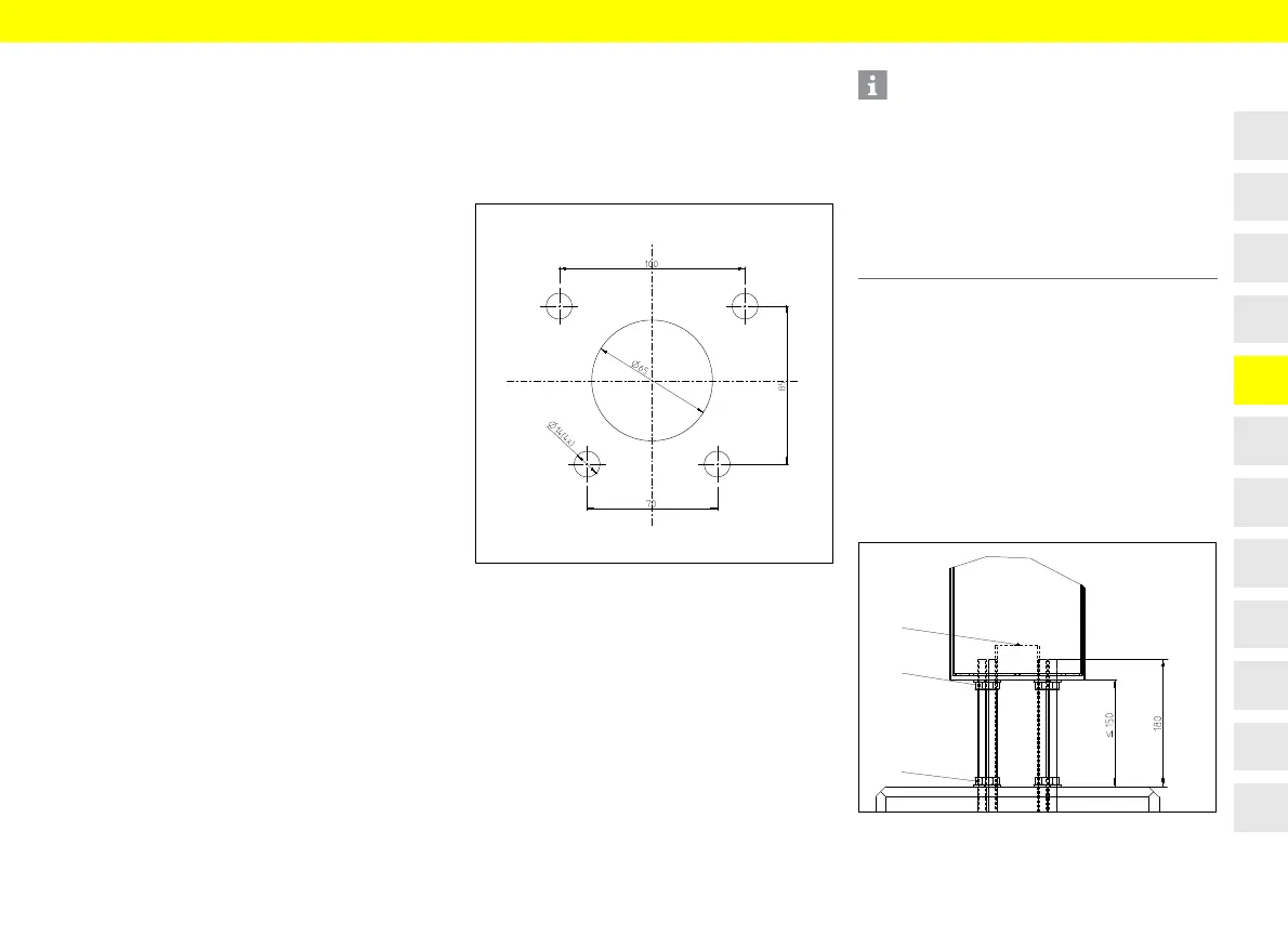
1. Contrassegnare i fori per il passaggio dei cavi
sul pavimento.
2. Praticare i fori di fissaggio con ø 14 mm
e utilizzare il kit di fissaggio del basamento
seguendo le istruzioni del prodotto.
Fig. 2: Dimensioni dei fori
Montaggio del supporto verticale
Creare il basamento sul posto a regola d’arte.
Procedere con il fissaggio, ad es. con HILTI HVA
(vedere Allegato: Kit di fissaggio del basamento
Hilti a pag. 50) o simile.
Preparazione del montaggio
con distanziamento
1. Serrare i bulloni di ancoraggio al basamento con
quattro rondelle A13 e quattro dadi esagonali
M12. Coppia di serraggio max.: 40 Nm.
2. Mediante i quattro dadi esagonali M12 e le
rondelle A13 regolare l’altezza desiderata, che
deve essere compresa tra 30 mm e 150 mm.
3. Canalina: sporgenza di almeno 250 mm oltre
il basamento.
Fig. 3: Montaggio con distanziamento
Posteriore
Anteriore
Informazione
Solitamente il supporto verticale viene montato
direttamente (senza distanziamento) sul fondo
in cemento armato con pavimentazione (ad es.
lastricato, asfalto, ecc.) (vedere fig. 7).
Se la pavimentazione deve essere completata succes-
sivamente, è possibile predisporre un distanziamento,
per poter montare il supporto verticale prima di posare
la pavimentazione già prevista (vedere fig. 3).
1
2
3

Related product manuals