EasyManua.ls Logo

Potterton Paramount two - Wiring diagram

Potterton Paramount two
80 pages
Print Icon
To Next Page IconTo Next Page
To Next Page IconTo Next Page
To Previous Page IconTo Previous Page
To Previous Page IconTo Previous Page
Loading...
Technical Data
14 POTTERTON COMMERCIAL
120-393 632.4 04.08 Fh
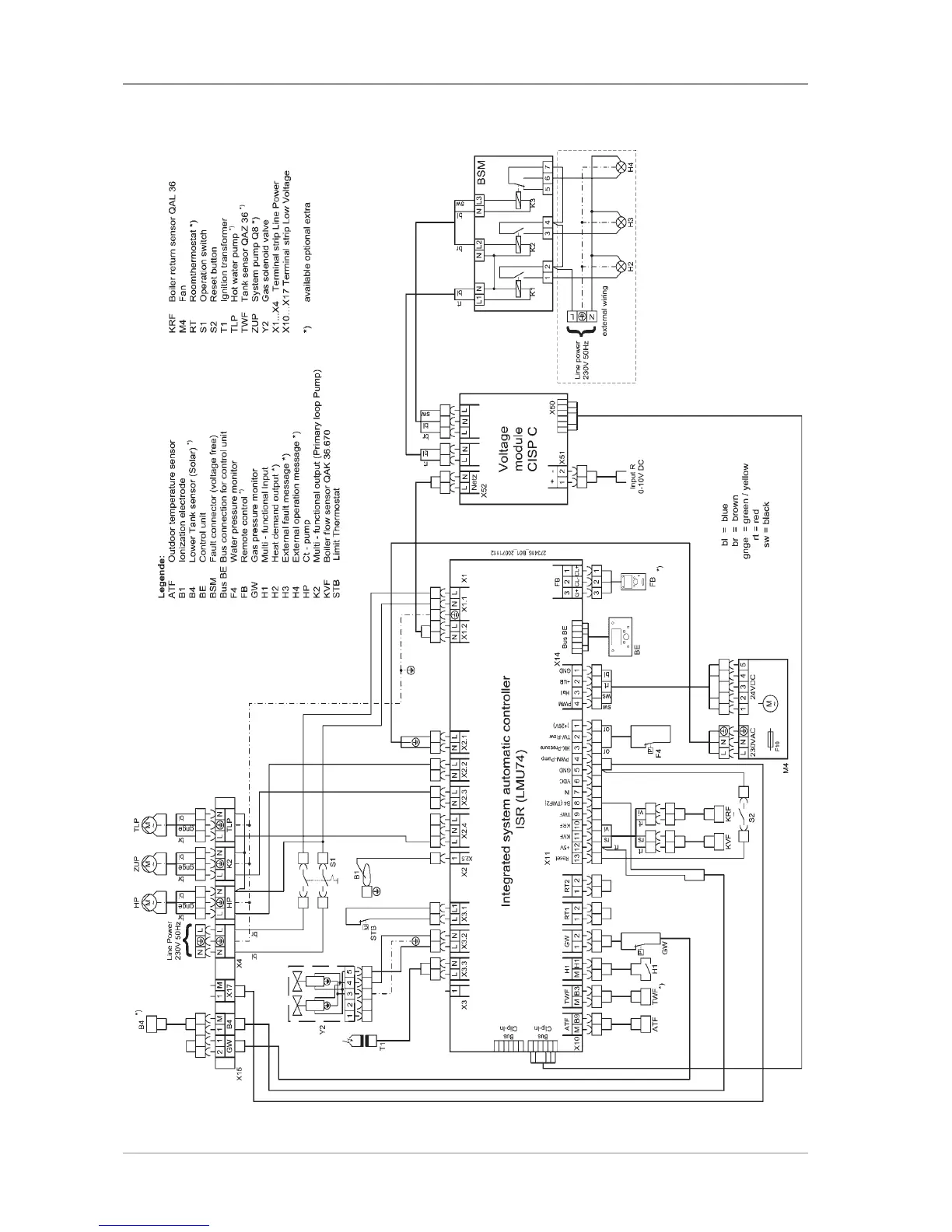
3.4 Wiring diagram

Table of Contents

Related product manuals